Turn signals not working

2006 DODGE STRATUS
130,000 MILES
Avatar
MRRON48134
  • MEMBER
  • 2 POSTS
Hi, the turn signals and flashers were not working. I replaced the combination switch and flasher. All fuses good, also replaced stop light switch. Also, does the ECU have anything to do with turn signals and flashers? Son in laws car and he had jumped it and knowing him he hooked cables up wrong. Thanks for any help.

Best site! :-)
Dec 11, 2011 at 11:12 PM
Advertisement
Avatar
RIVERMIKERAT
  • CERTIFIED EXPERT
  • 6,110 POSTS
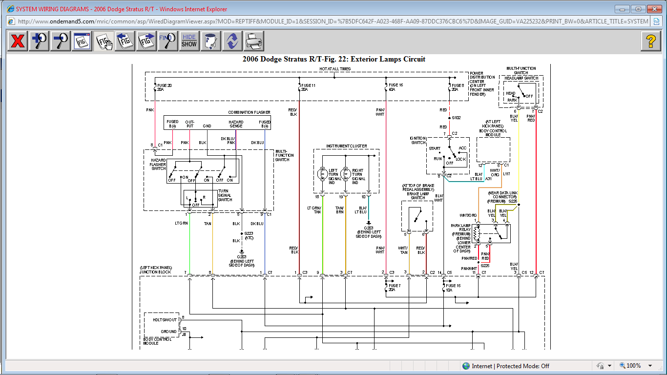
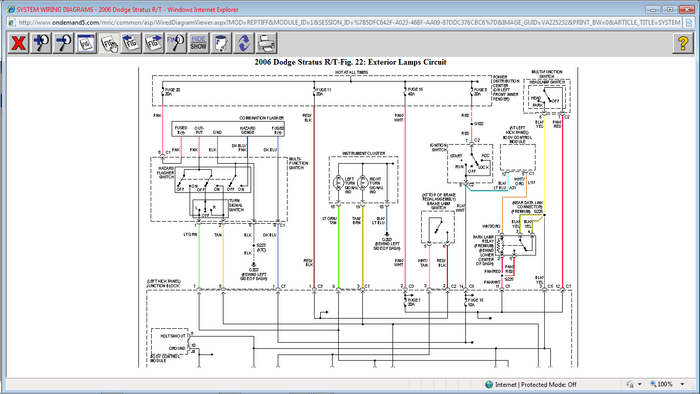
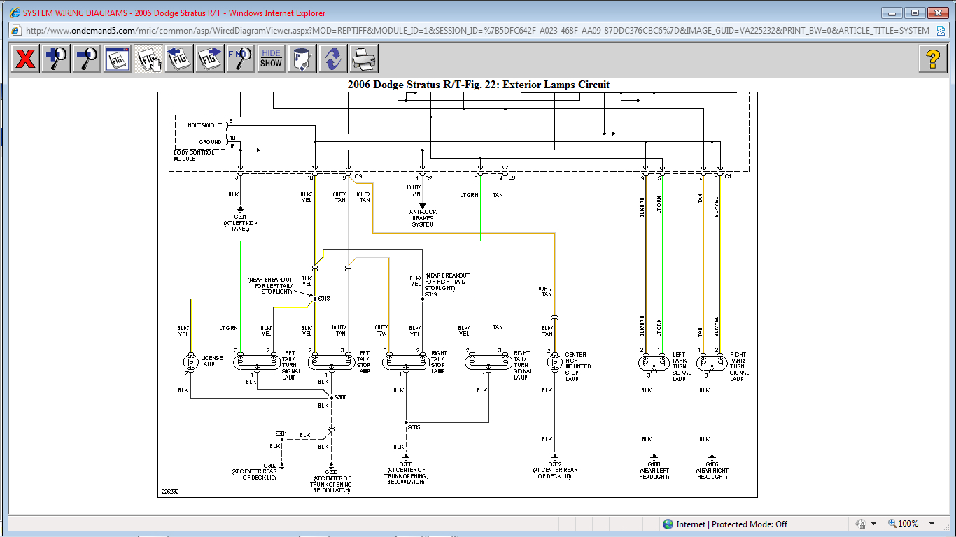
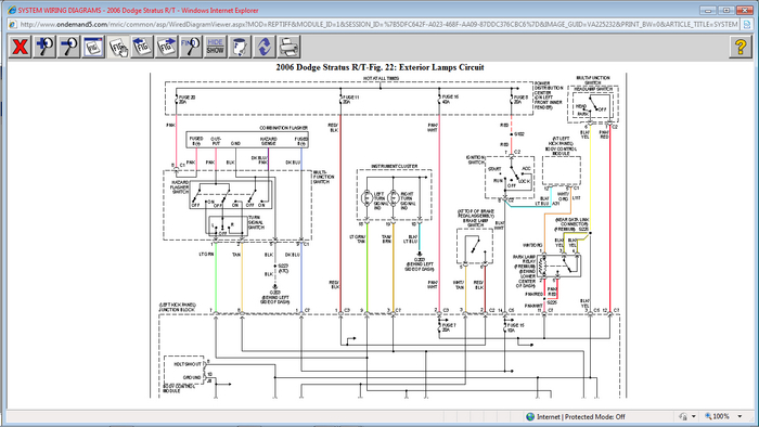
Okay, using either a test light, or a meter, trace down the open circuit in the power supply lead. I have attached the schematic for the system and a guide to help you get started.

https://www.2carpros.com/articles/how-to-check-wiring

Check out the diagrams (below). Please let us know what happens.

Cheers
Dec 11, 2011 at 11:51 PM
Avatar
MRRON48134
  • MEMBER
  • 2 POSTS
Hi, I found out the turn signal switch was not getting power so I check the fuse and it was melted! Good find! I replaced the fuse and everything works. ;) I love this site.
Dec 12, 2011 at 1:40 AM
Advertisement
Avatar
RIVERMIKERAT
  • CERTIFIED EXPERT
  • 6,110 POSTS
Use 2CarPros anytime, we are here to help. Please tell a friend.

Cheers
Dec 12, 2011 at 1:43 AM
Avatar
BRIANAZAMORA
  • MEMBER
  • 2 POSTS
My signal lights and emergency lights do not work. I checked everything and it is not the fuses. What else could it be?
Sep 9, 2018 at 5:01 PM (Merged)
Avatar
CARADIODOC
  • CERTIFIED EXPERT
  • 34,308 POSTS
We used to have extremely reliable thermal flashers that cost around three bucks. Today we have very expensive electronic flashers, and as with all electronics, they are very high-failure items. Try a new flasher assembly first.
Sep 9, 2018 at 5:01 PM (Merged)
Avatar
BRIANAZAMORA
  • MEMBER
  • 2 POSTS
I tried that and no difference. I bought new flashers put them in and no still do not work.
Sep 9, 2018 at 5:01 PM (Merged)
Avatar
CARADIODOC
  • CERTIFIED EXPERT
  • 34,308 POSTS
Double-check fuse 20, a 20-amp, under the hood, and fuse 15, a 10-amp inside the car. If they are okay, check for voltage on them or on two terminals in the flasher socket. The fuse under the hood will have 12 volts all the time. The fuse inside will have 12 volts only when the ignition switch is in the "run" or "accessory" position. Two terminals in the flasher's socket correspond to those two fuses, so you can measure there too if you cannot find the right fuses.

Sep 9, 2018 at 5:01 PM (Merged)
Avatar
TARAHUNTER
  • MEMBER
  • 1 POST
Turn signals stopped working.
Sep 9, 2018 at 5:01 PM (Merged)
Avatar
JACOBANDNICKOLAS
  • CERTIFIED EXPERT
  • 110,175 POSTS
If the lights come on but do not flash, replace the flasher unit. If they do not turn on at all, check fuses and multi-function switch on the steering column.
Sep 9, 2018 at 5:01 PM (Merged)
Avatar
JOE PICKETT
  • MEMBER
  • 1 POST
Two Wheel Drive Automatic

I have left blinker light that flashes fast and I want to know where the flasher unit is located at and how to replace? Thank you
Sep 9, 2018 at 5:01 PM (Merged)
Avatar
BLUELIGHTNIN6
  • CERTIFIED EXPERT
  • 16,542 POSTS
If it is blinking fast on one side this usually indicates a faulty bulb on that side of the vehicle. May want to check all bulbs before replacing flasher.
Sep 9, 2018 at 5:01 PM (Merged)