transmission does not shift

2006 DODGE DAKOTA
140,000 MILES • 3.7L • 6 CYL • 2WD • AUTOMATIC
Avatar
BIGGMIKE
  • MEMBER
  • 58 POSTS
The transmission does not shift i changed the fuse and it worked for about 3 minutes then the fuse blew out and the transmission stop shifting what can cause that can the solenoid pack cause that problem please help I don't know what else to do thank you
Mar 4, 2015 at 8:25 AM
Advertisement
Avatar
HMAC300
  • CERTIFIED EXPERT
  • 48,601 POSTS
Hello,

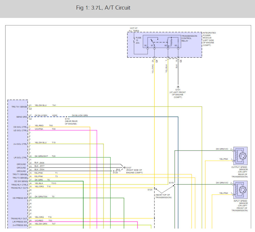
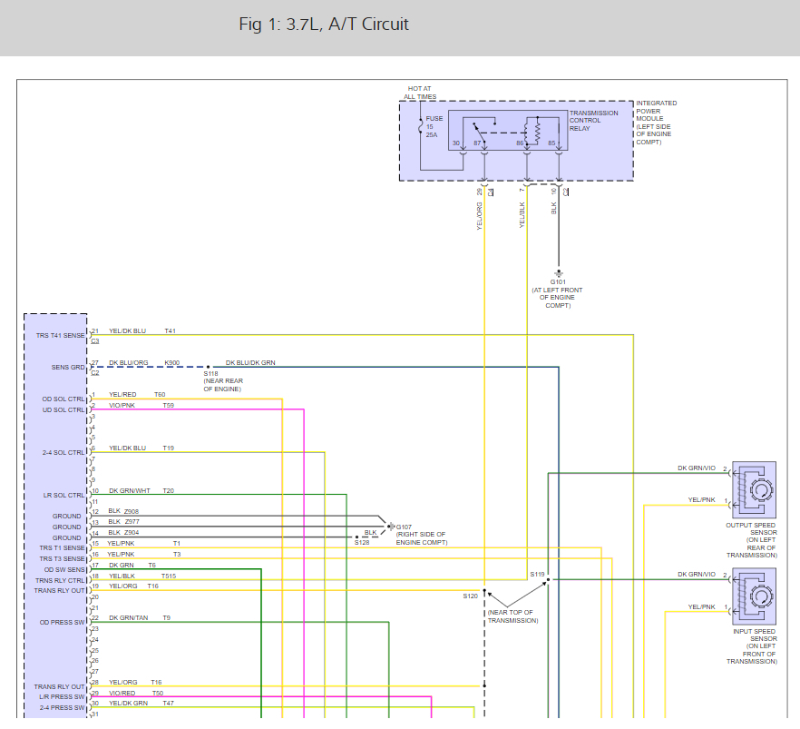
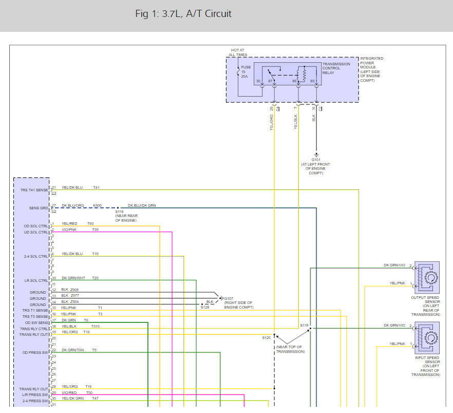
It sounds like you have a transmission control relay that is shorted out here is a guide to show you how to test it with the transmission wiring diagrams so you can see how the system works with the relay location.

https://www.2carpros.com/articles/how-to-check-an-electrical-relay-and-wiring-control-circuit

Check out the diagrams (Below). Please let us know what happens.

Cheers
Mar 4, 2015 at 9:30 AM
Avatar
BOOPERIII
  • MEMBER
  • 1 POST
This problem had to replace the relay. I got one for $32.00 never had the problem again.
Oct 11, 2018 at 5:53 PM
Advertisement
Avatar
DONUT
  • MEMBER
  • 3 POSTS
I have a 2004 Dakota 2WD with V6, Automatic Trans and 13K on the odometer.

The transmission usually starts off normal, going through all the gears but some miles down the road the tach starts to drift higher as the engine speeds up. Example: On cruise at 50 mph, on level ground, the tach should show 1400 rpm. After a few miles, however, it will, for no apparent reason, start to drift higher, up to 2000 rpm. If I shift the gear lever into 2 and back to 3 the tack will quickly come back down to 1400 and stay there for a few miles before drifting up again.

The dealer said there was a diagnostic code indicating a problem with the transmission but they didn’t believe it so they attempted to correct the problem by re-booting the computer. That didn’t solve the problem so I took it back. Next time they told me that this behavior is normal and there is nothing wrong with the transmission.

I can’t accept this diagnosis as I know it is not normal. Can you tell me what the cause is or how I can go about getting it resolved?

I will be pleased to make a donation if I get a meaningful solution to the problem
Dec 18, 2020 at 10:31 AM (Merged)
Avatar
JACOBANDNICKOLAS
  • CERTIFIED EXPERT
  • 110,175 POSTS
Hi:
Today's transmissions use sensors to shift unlike the old days. If there was a code set for the trans, there is something is wrong but if they didn't tell you the code, anything I say would be a guess. You may want to take the truck to a nationally recognized parts store and have them scan the computer. Most will do it for free, and then we will have a direction to go with. Have you checked the simple things like... is the trans fluid full, is it clean and unburned, have you serviced the trans with a new filter...

Let me know what you find.

joe
Dec 18, 2020 at 10:31 AM (Merged)
Avatar
MA1RK
  • MEMBER
  • 1 POST
The trucks transmission does not shift until the RPM's are near 4000. Is this an easy fix or do I need a new transmission?
Dec 18, 2020 at 10:31 AM (Merged)
Avatar
ROCKETMAN1
  • MEMBER
  • 7 POSTS
I have a 1998 Dakota, and I was having the same problem. I had the transmission fluid and filter changed and it has been fine ever since. I also had the same problem with a Toyota 4-Runner a few years back and changing the fluid was the simple fix for that vehical as well.

If you have not had it changed then based on the milage you should. Most oil change places can change it for you while you wait.

Take Care!
Dec 18, 2020 at 10:31 AM (Merged)
Avatar
BECKY1978
  • MEMBER
  • 4 POSTS
Transmission problem
2002 Dodge Dakota 6 cyl Two Wheel Drive Automatic

My truck is not down shifting and everyone has said it is a modulator on the transmission. Where is it located and do you have a diagram?
Dec 18, 2020 at 10:31 AM (Merged)
Avatar
JACOBANDNICKOLAS
  • CERTIFIED EXPERT
  • 110,175 POSTS
Actually, you don't have a modulator. I think they stoped using them in the late 70's or 80's. In your transmission is a governor pressure sensor. It is mounted on the valve body in the transmission. It determines when the transmission both up shifts and down shifts based on pressure in the transmission. Here is a picture of it:


https://www.2carpros.com/forum/automotive_pictures/249084_5_11.jpg

Let me know if this helps. Also, I could be wrong when they stoped using vacuum modulators. I know I haven't seen them for a long time. Joe
Dec 18, 2020 at 10:31 AM (Merged)
Avatar
02DAKOTA
  • MEMBER
  • 4 POSTS
I have a 2002 Dakota 3.9, 42RE trans. Truck will not up or down shift. Had codes P1756 & P0748. After replacing the governor pressure solenoid and transducer code P1756 cleared. Code P0748 is still active. The truck will shift fine until you make a stop then it will not shift automatically. But if you turn the truck off and restart it, it will shift fine even after making stops. It worked fine during the five mile trip I took. Why does restarting clear up the problem? Of course you will have to do this each time you use the truck. All wiring and connections look good.

Thank you.
Dec 18, 2020 at 10:31 AM (Merged)
Avatar
ASEMASTER6371
  • CERTIFIED EXPERT
  • 52,796 POSTS
goes into limp mode when the problem happens. turning it off and re starting clears itself and starts over.

check the wiring in the pan and external connections.

Roy
Dec 18, 2020 at 10:31 AM (Merged)
Avatar
02DAKOTA
  • MEMBER
  • 4 POSTS
When I replaced the sensor and transducer I saw no wire issues. I did pull all other trans related connections and checked them, all looked good but cleaned just in case. Found no external wire issues. I understand restarting resets everything but if there is a wiring or connection problem restarting doesn't repair the problem so where did it go. Resetting doesn't repair a bad connection or shorted wire? I'm confused!
Dec 18, 2020 at 10:31 AM (Merged)
Avatar
ASEMASTER6371
  • CERTIFIED EXPERT
  • 52,796 POSTS
connections build up resistence with time and heat.

you need a scan tool to monitor the trans operation to see where the failure is. guessing at this point is useless and expensive and in most cases wrong.

Roy
Dec 18, 2020 at 10:31 AM (Merged)
Avatar
02DAKOTA
  • MEMBER
  • 4 POSTS
I will go through everything again, the only thing I can't check by just looking at it is the PCM other than the connections. Other than the three main connection on the PCM is there another connection I'm missing?

Thank you for your help.
Dec 18, 2020 at 10:31 AM (Merged)
Avatar
BAXTER HOBSON
  • MEMBER
  • 1 POST
If I start out of driveway in Drive, truck usually shifts all the way through gears until I have to come to a stop. When I go to accelerate forward again, in Drive, the transmission has not downshifted to first gear and is starting out in Drive instead. I have to manually pull shift lever to first or second and transmission will go forward in second gear (not first). Once I get up speed I manually shift to drive and it kind of jumps forward into drive. It will not shift to overdrive.
If I stop and turn the ignition switch off and count to 10 seconds, and restart the engine the transmission resets itself and shifts fine, until I stop again at a red light, or stop for traffic flow. I have changed the filter and fluid, and pan magnet had no metal shavings at all, and old fluid was not gritty. I have driven truck 200 miles since fluid change.
Dec 18, 2020 at 10:31 AM (Merged)
Avatar
ASEMASTER6371
  • CERTIFIED EXPERT
  • 52,796 POSTS
just the connections at the trans itself.

Roy
Dec 18, 2020 at 10:31 AM (Merged)
Avatar
94 TRANSAM
  • CERTIFIED EXPERT
  • 680 POSTS
Welcome,

Have you checked for trouble codes?

https://www.2carpros.com/articles/checking-a-service-engine-soon-or-check-engine-light-on-or-flashing

It sounds like a downshift solenoid may be bad and it is going into limp mode.

I would start with the codes. You will need a scanner that can pull transmission codes though. If you don't have one most auto parts stores will do it for free.

Rich
Dec 18, 2020 at 10:31 AM (Merged)
Avatar
02DAKOTA
  • MEMBER
  • 4 POSTS
Last resort I will pull pan again and pay more attention to the wiring going to the eight pin connector. Thank you.
Dec 18, 2020 at 10:31 AM (Merged)
Avatar
ASEMASTER6371
  • CERTIFIED EXPERT
  • 52,796 POSTS
use an ohm meter and check the wiring.

Roy
Dec 18, 2020 at 10:31 AM (Merged)
Avatar
GUNSNROSES316
  • MEMBER
  • 1 POST
02 dodge dakota slt regular cab
Does not shift to Park after a drive, it goes in park but indicator shows on reverse, Tech says need to change transmission fluid, i think its linkage adjustment needed. please advise.
thanks
Dec 18, 2020 at 10:32 AM (Merged)
Avatar
JACOBANDNICKOLAS
  • CERTIFIED EXPERT
  • 110,175 POSTS
Wow, he wants to change the trans fluid? Thats like replacing the muffler because the tires are worn out. Yes, there is a linkage problem. As you mentioned, it goes into park, but the indicator says Reverse. The linkage is in the steering column. I recommend having another mechanic check it for you.
Dec 18, 2020 at 10:32 AM (Merged)
Avatar
DAVE90
  • MEMBER
  • 2 POSTS
My truck will not shift out of 1st gear. I have not been working for some time due to an injury, and have not been driving the vehicle for 10 weeks. I went to use my truck and came back home because the truck was not shifting properly. I tried "trans tune" recommended by a mechanic. It made no difference. The check engine light is on. I drove it around the yard. No difference. I drove it down my road a ways and it still did not shift. I do not want to invest a lot of money into this truck because I do plan to replace it as soon as I can come up with some $$$$. Any help you can give me would be greatly appreciated.
Dec 18, 2020 at 10:32 AM (Merged)
Avatar
SEANGRANT00
  • EXPERT
  • 334 POSTS
This could be a lot of different things. I would take the truck to a auto parts store and get the Check engine light scanned. Write the code down and let me know what they are.

This could be as simple as a speed sensor or a transmission going out.

Let me know

Sean
Dec 18, 2020 at 10:32 AM (Merged)
Avatar
DAVE90
  • MEMBER
  • 2 POSTS
Cqn't drive it anywhere. C
losest parts store is 20 miles away.
Dec 18, 2020 at 10:32 AM (Merged)