There may be a gounding problem in the door that is casuing the motor that closes it to lose torque.
So, you will need to check the elctrical system in the door for a few things to make sure it is getting the power it needs.
First you will need a multi-meter to test the power getting to the motor. Take the 2 leads to the door motor and test for voltage. It should get 12 volts, if it is less there is a problem with the circuit before the motor. If it is getting 12 volts, the motor may need to be replaced.
Check the the gear and rack tooth clearance is not to tight. You should be able to put a piece of paer between the gears the drive the door back and forth.
Going back to lack of power or even if it is getting 12 volts, you may have an intermitant issue and while you are there, you should check grounds for connection, corrosion and clean metal to metal contact.
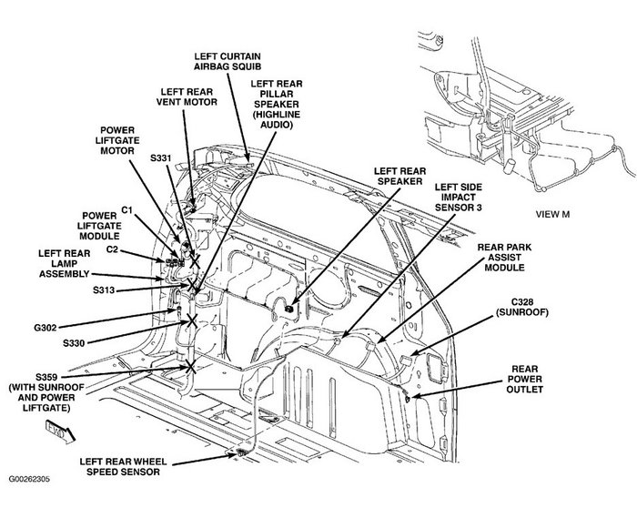
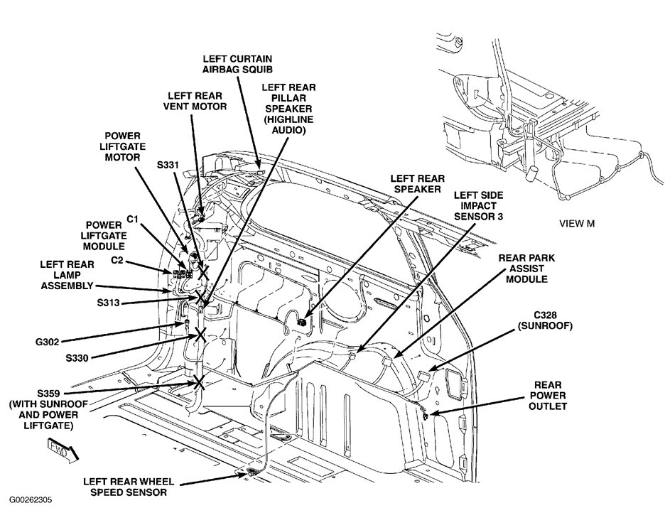
I am giving you 3 diagrams of all the grounds in the door or, "B" pillar area. These are the most likely ones to be at fault. However, even grounds that are for toher circuits can affect other system as the power has to ground out somewhere and it will feedback into other grounds and casue issues in that system. So, I included the ground diagram for the rear quarter grounds as well.
If you have any questions or need any more help, let me know.
Images (Click to enlarge)
Nov 11, 2011 at 2:10 AM