wipers wont work

2006 CHRYSLER 300
170,000 MILES
Avatar
LIZBAEZ
  • MEMBER
  • 1 POST
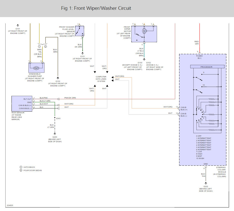
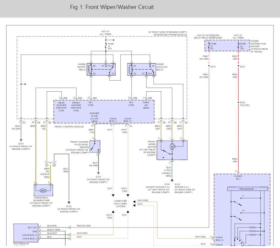
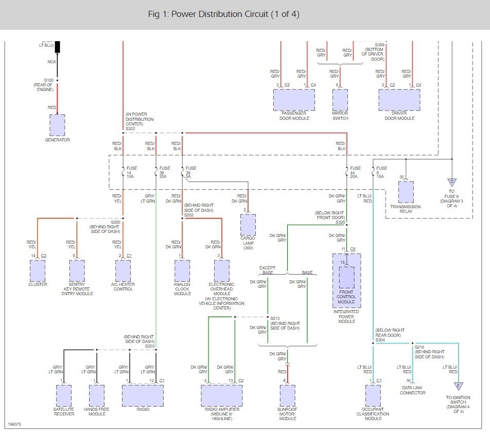
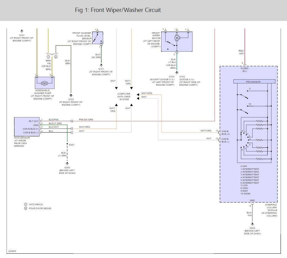
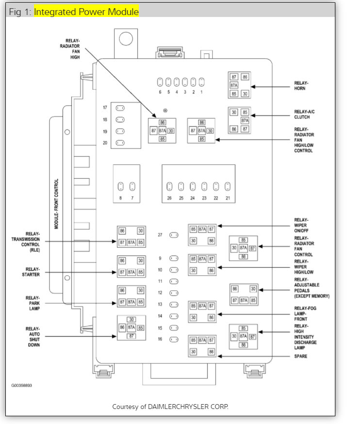
Wiper motor and wiper relay where is the relay located (position in the fuse box) wipers wont work I wanted to start with the wiper relay first
Dec 20, 2011 at 1:53 AM
Advertisement
Avatar
STRAILER
  • CERTIFIED EXPERT
  • 53,855 POSTS
Hello,

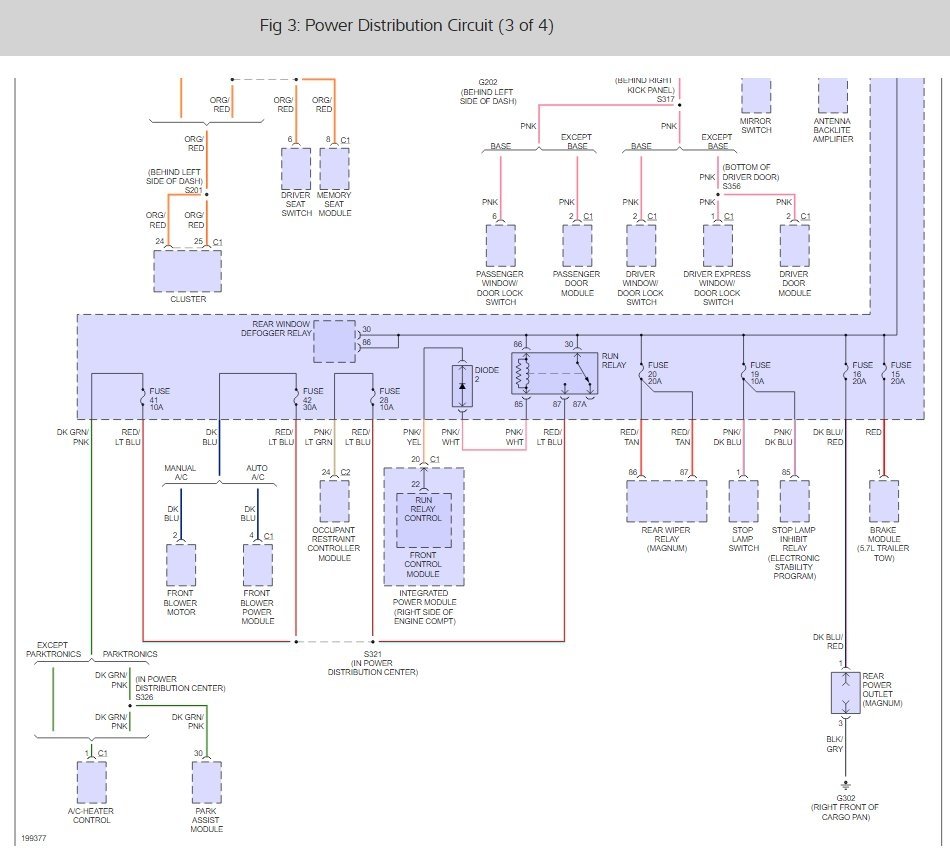
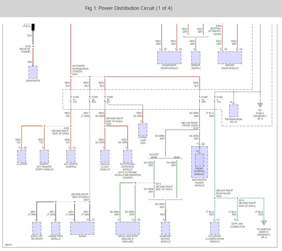
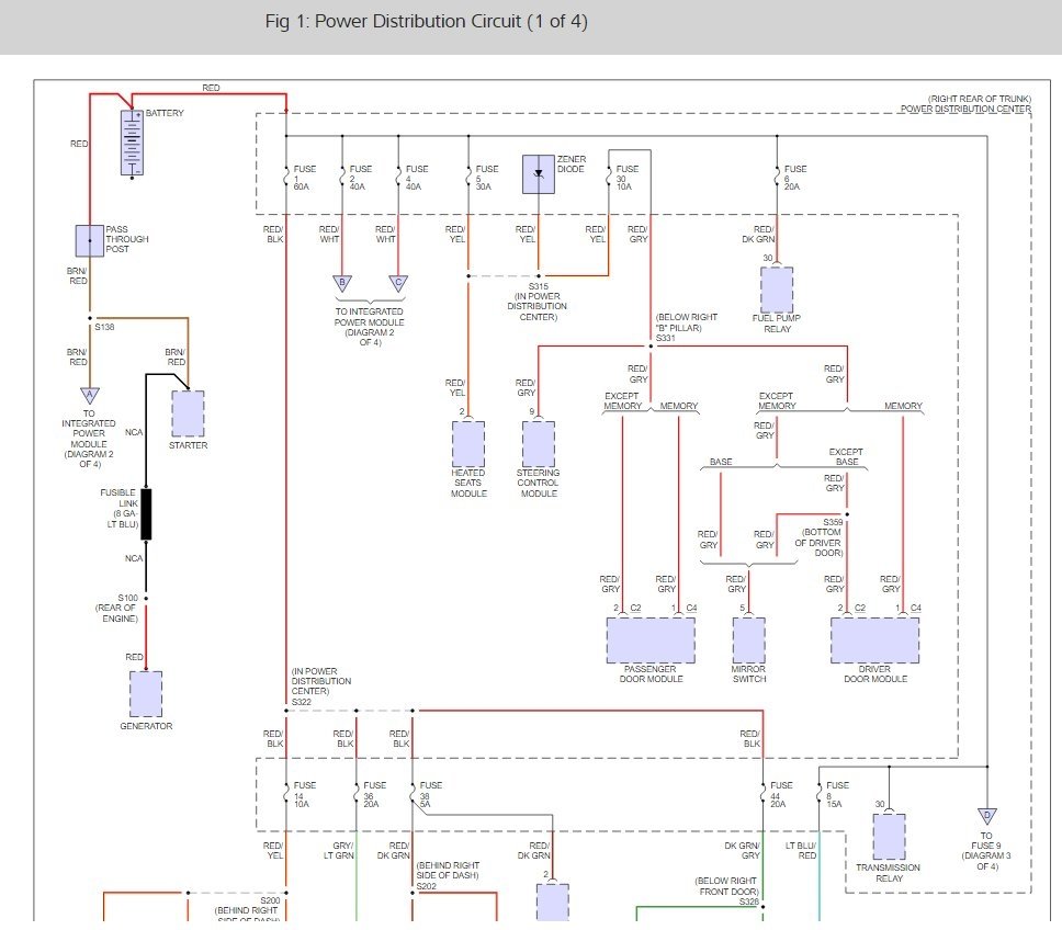
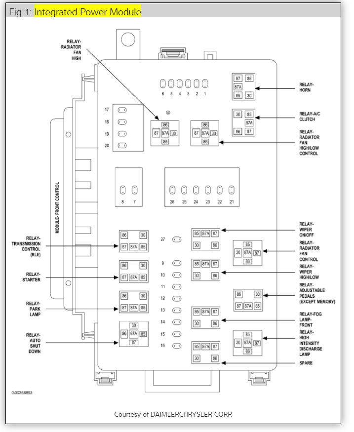
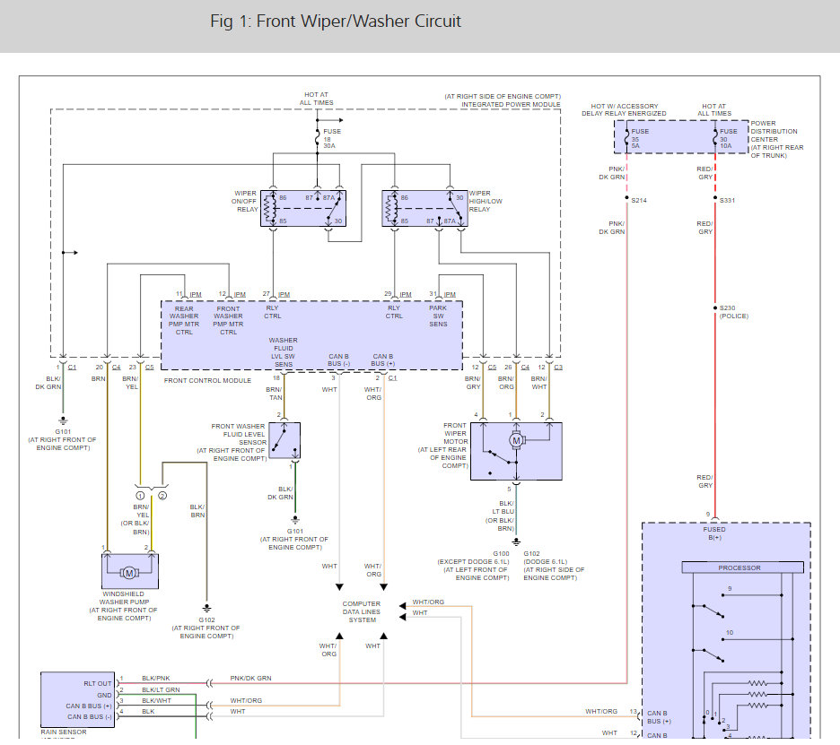
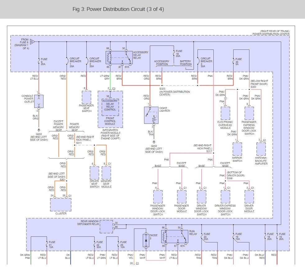
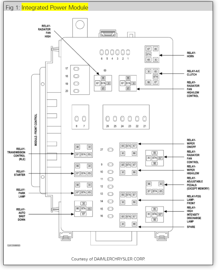
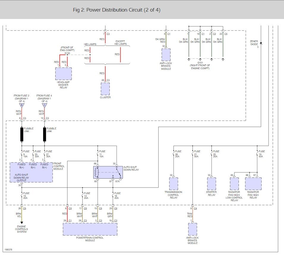
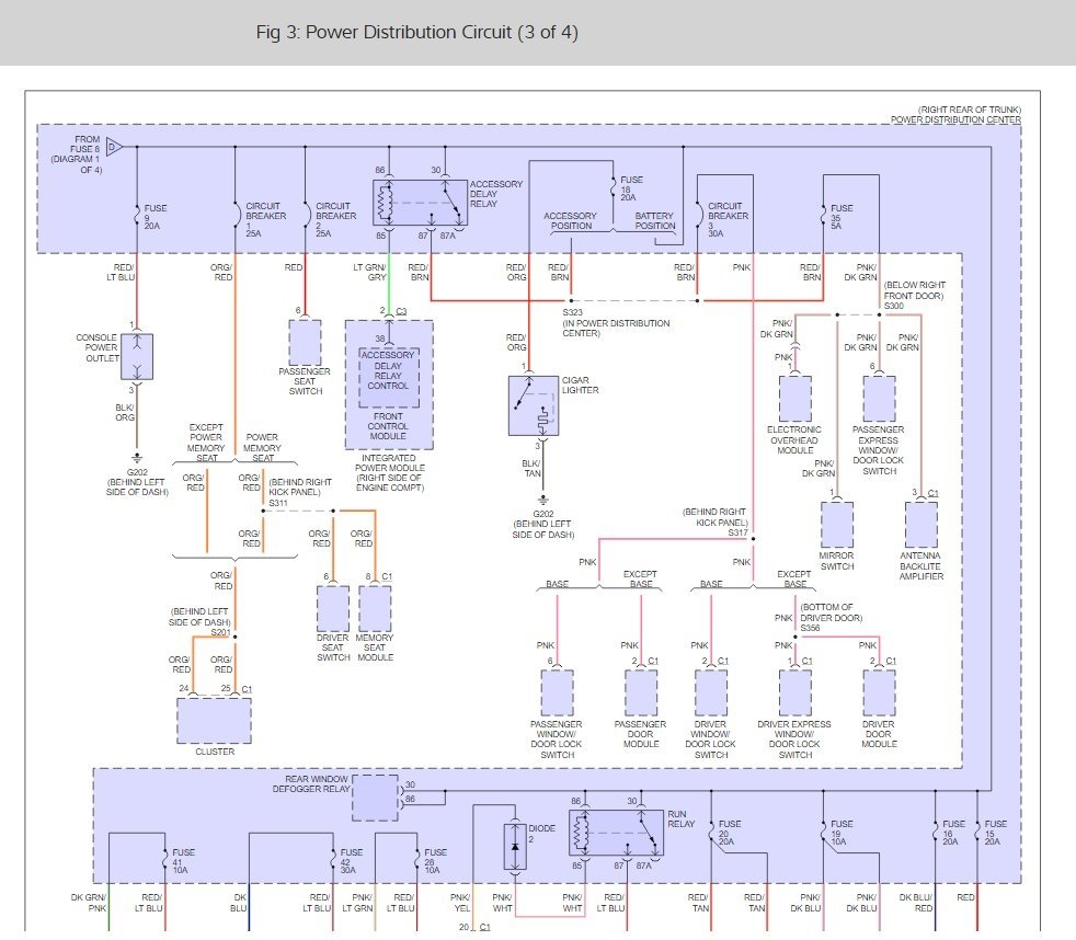
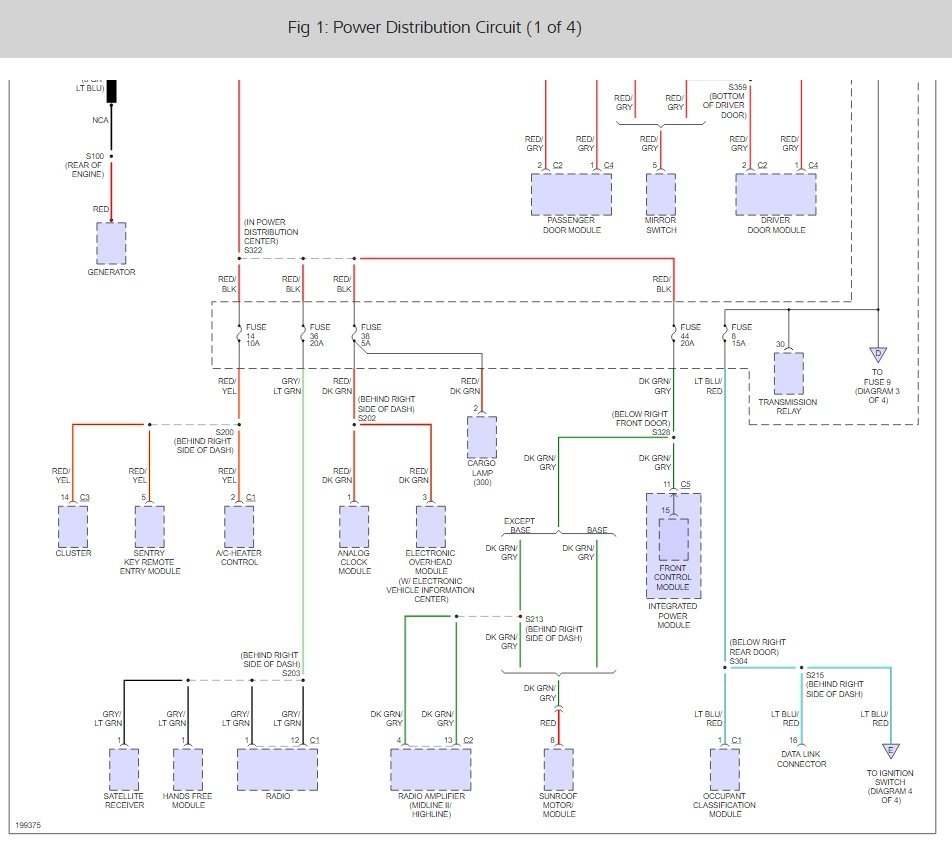
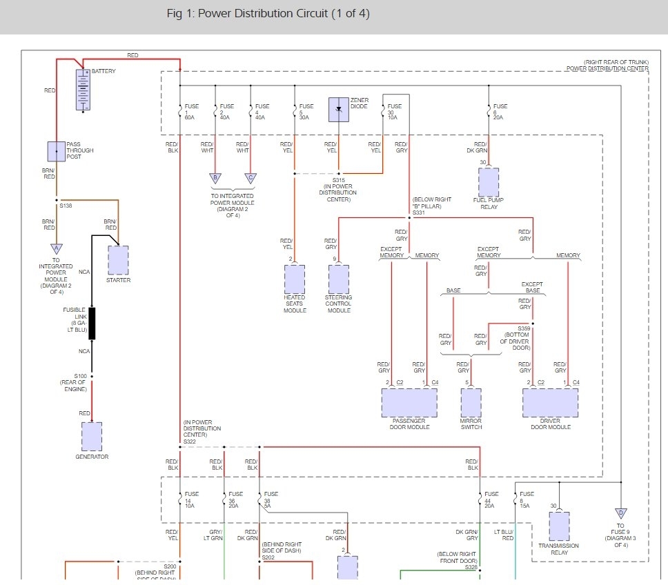
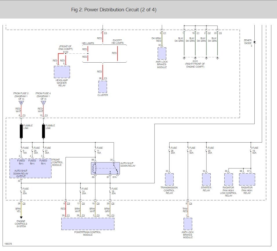
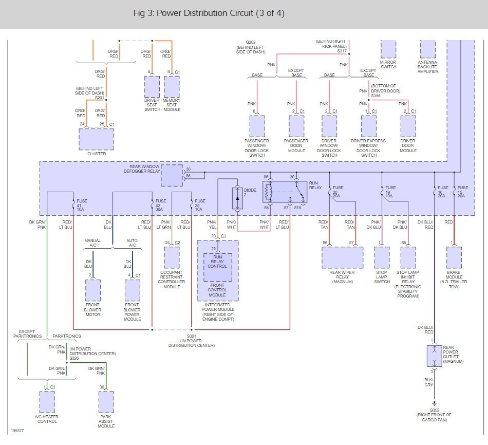
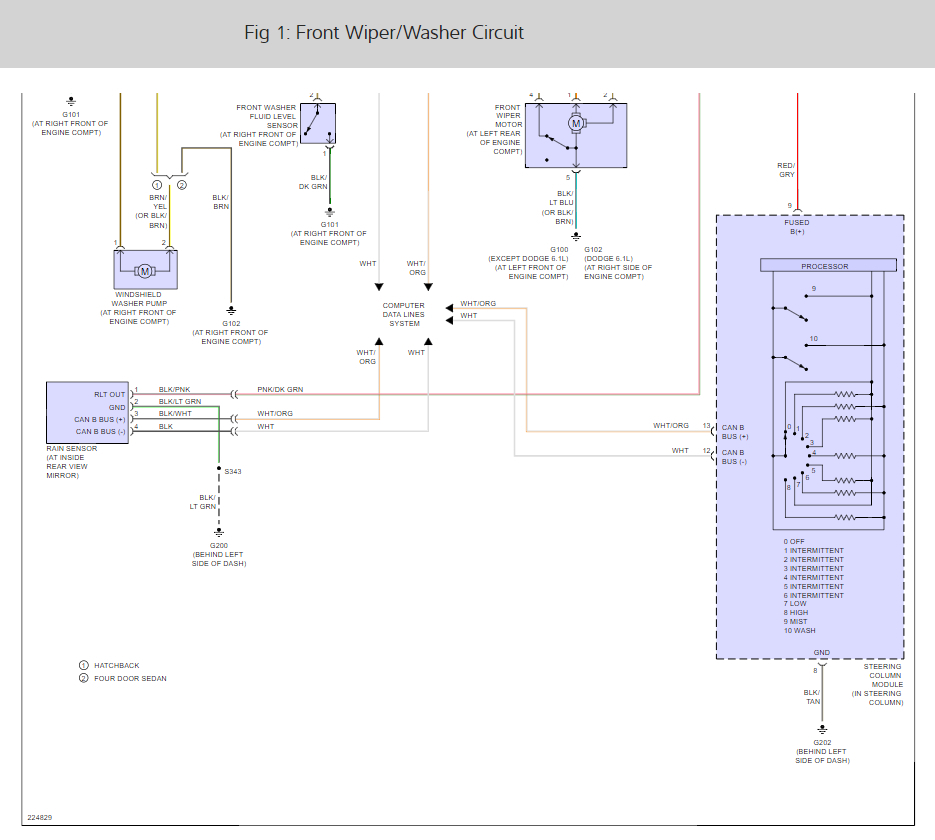
Here are some wiring and fuse panel diagrams showing the relay location and here are guides to help you see how to test and confirm the failure.

https://www.2carpros.com/articles/how-to-check-an-electrical-relay-and-wiring-control-circuit

and

https://www.2carpros.com/articles/how-to-check-a-car-fuse

Check out the diagrams (Below)

Please let us know what you find. We are interested to see what it is.

Cheers, Ken
Dec 18, 2017 at 7:46 PM
Avatar
JANEL
  • MEMBER
  • 1 POST
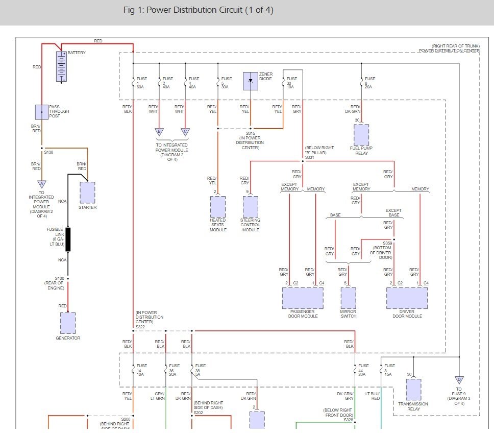
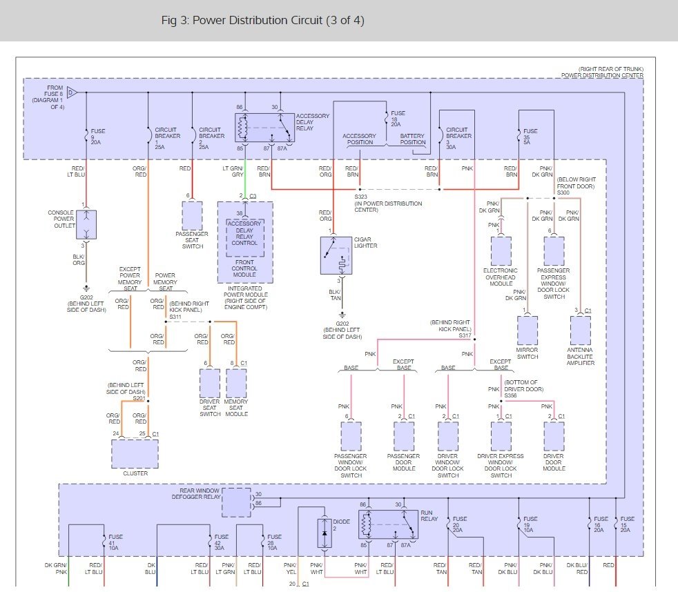
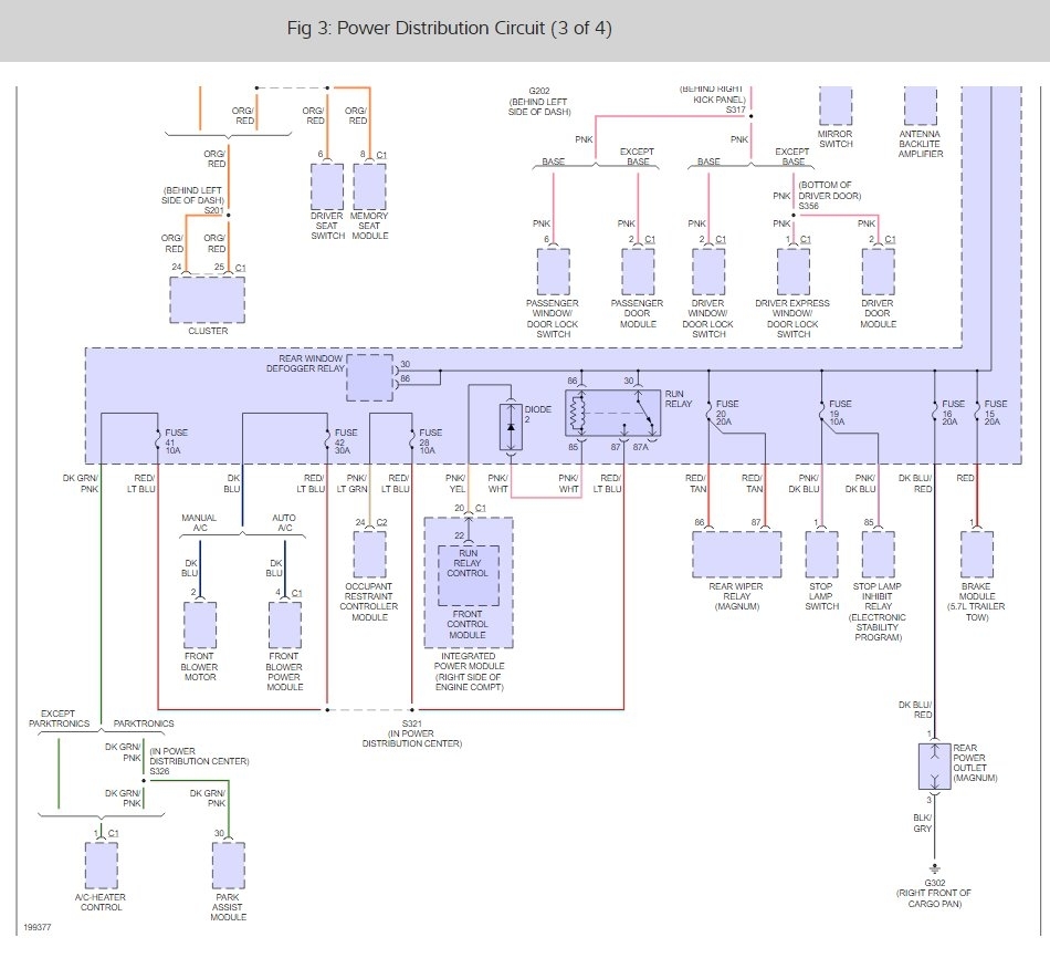
Navigation screen went out, but radio still works. Messed with the rear fuse box pulled a diode fuse out put it back in the wrong way made a spark. Turned my car on and that is when the wipers, horn, blinkers, power mirrors, both front windows, buttons on steering wheel controls and heated seats all went out at the same time. checked the fuses, but not the relays.
Jan 25, 2021 at 6:57 PM (Merged)
Advertisement
Avatar
STRAILER
  • CERTIFIED EXPERT
  • 53,855 POSTS
Hello,

It sounds like you have blown one of the main fuses that supplies all of those systems. Fuse 2 and 4 should be checked. Here is a guide and some wiring diagrams (below) so you can do some testing and get the problem fixed. Check for power at the fuses.

https://www.2carpros.com/articles/how-to-use-a-test-light-circuit-tester

and

https://www.2carpros.com/articles/how-to-check-a-car-fuse

Please run this test and if all is okay I would replace the TIPM module Check out the diagrams (Below). Please let us know what you find. We are interested to see what it is.
Jan 25, 2021 at 6:57 PM (Merged)