Radiator fan not working

2006 CHRYSLER 300
55,000 MILES • 6 CYL • FWD • AUTOMATIC
Avatar
SISCO707
  • MEMBER
  • 4 POSTS
Why will my radiator fan not turn on? When I turn on the A/C it overheats and the fans do not turn on.
Jun 1, 2011 at 6:34 PM
Advertisement
Avatar
DOCFIXIT
  • CERTIFIED EXPERT
  • 18,828 POSTS
Maybe faulty temperature sensor, relay or fan motor. Come on with AC? Do you have a volt meter and some understanding of electronics?
Jun 1, 2011 at 7:00 PM
Avatar
SISCO707
  • MEMBER
  • 4 POSTS
No I do not, but i can probably get one . And no I am not very good on electrical. I bought a cooling fan relay for $5.00 but it will not be available until tomorrow. am I on the right track?
Jun 1, 2011 at 7:09 PM
Advertisement
Avatar
DOCFIXIT
  • CERTIFIED EXPERT
  • 18,828 POSTS
Relay possible. However, for both fans not working not likely there are three fan relays.
Jun 1, 2011 at 7:18 PM
Avatar
SISCO707
  • MEMBER
  • 4 POSTS
So should I buy all three? Are they all the same?
Jun 1, 2011 at 7:27 PM
Avatar
WRENCHTECH
  • CERTIFIED EXPERT
  • 20,761 POSTS
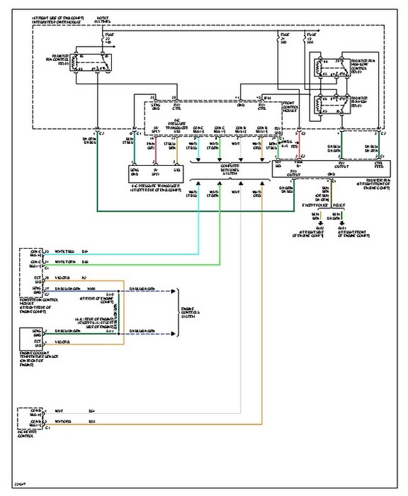
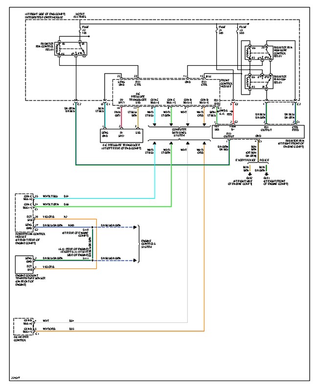
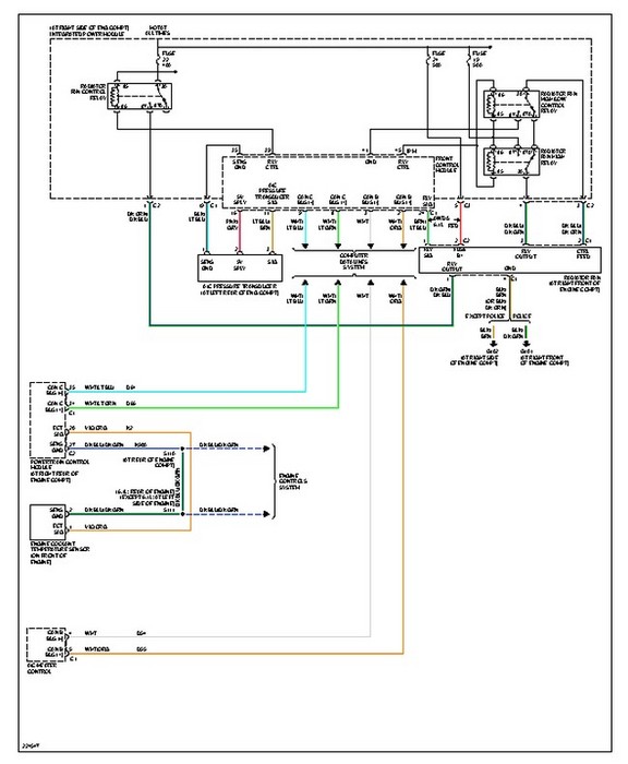
Here is the wiring diagram to help fix the problem:
Jun 1, 2011 at 9:54 PM
Avatar
WRENCHTECH
  • CERTIFIED EXPERT
  • 20,761 POSTS
I would really be surprised if what you're getting even fits the car. 2 out of 3 of these relays are 5 wire relays and not your generic style. It's a 2 speed system so if you have a bad relay somewhere, chances are you'd have at least one speed working. Check all your fuses carefully and that's about as far as you'll be able to go yourself.
Jun 1, 2011 at 10:29 PM
Avatar
SISCO707
  • MEMBER
  • 4 POSTS
Okay, thank you.
Jun 1, 2011 at 10:43 PM
Avatar
STRAILER
  • CERTIFIED EXPERT
  • 53,854 POSTS
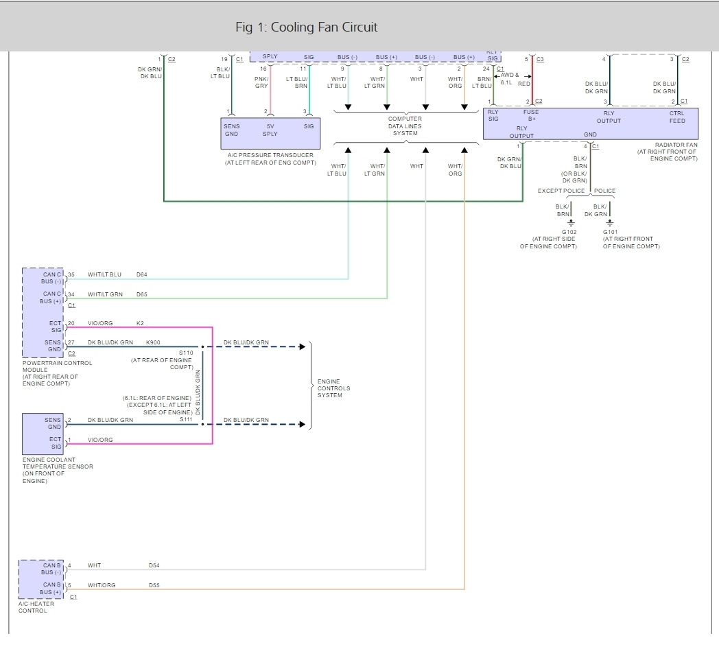
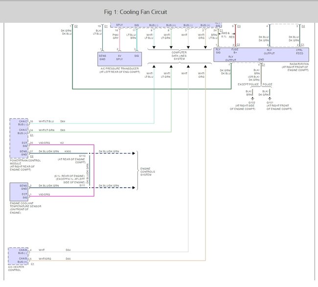
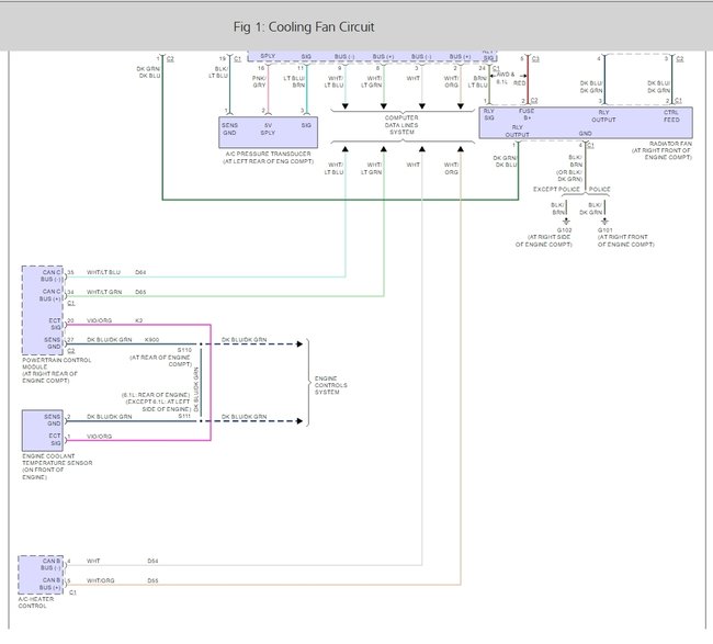
Hey SISCO707,

I found a better wiring diagram for you. it looks like the problem could be one of the relays or one of the two fuses. make sure you check them all.

Here are a couple of guides that can help you:


https://www.2carpros.com/articles/how-to-check-a-car-fuse

and

https://www.2carpros.com/articles/how-to-check-an-electrical-relay-and-wiring-control-circuit

Please run some tests and get back to us so we can continue helping you.

Best, Ken



Dec 7, 2016 at 6:46 PM