Head lights

2006 CHRYSLER 300
148,000 MILES • 5.7L • V8 • 2WD • AUTOMATIC
Avatar
JREID08
  • MEMBER
  • 1 POST
my head lights stay on while the car is running even when the switch is turned off. What would cause this?
Nov 15, 2015 at 12:12 PM
Advertisement
Avatar
CAR-MAN145
  • CERTIFIED EXPERT
  • 321 POSTS
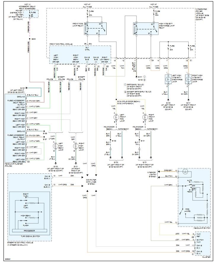
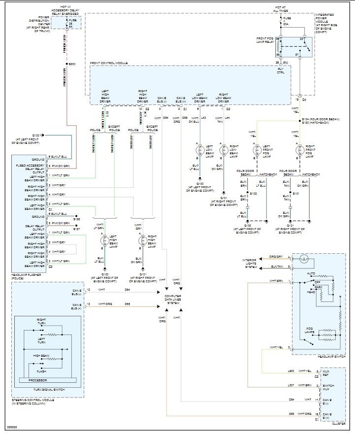
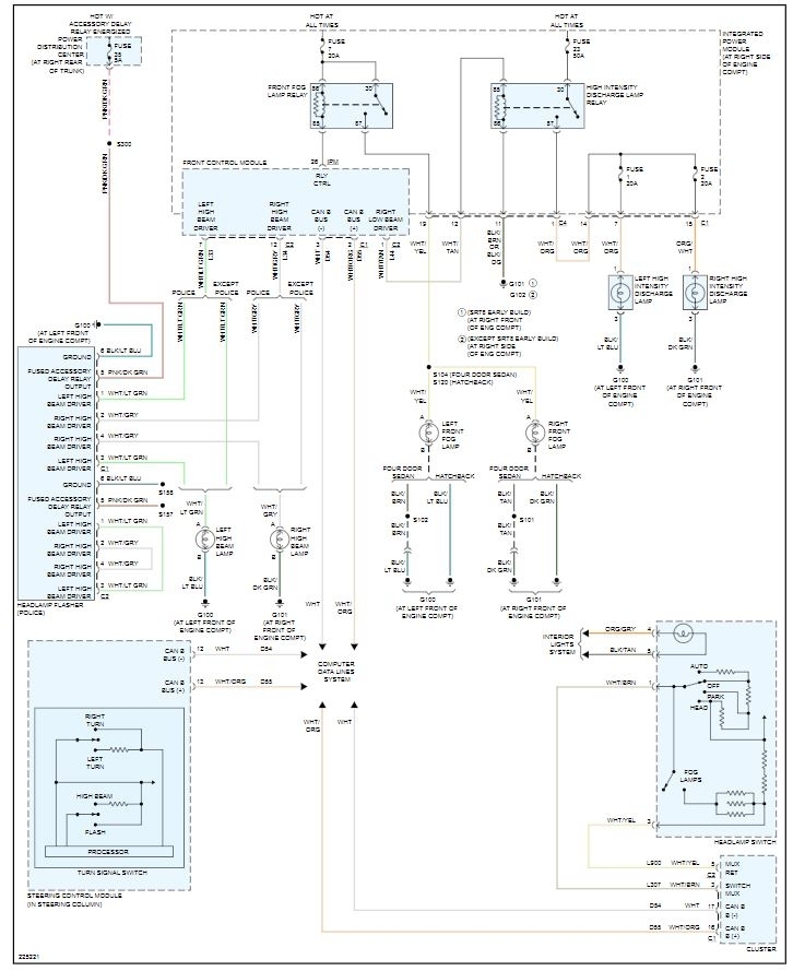
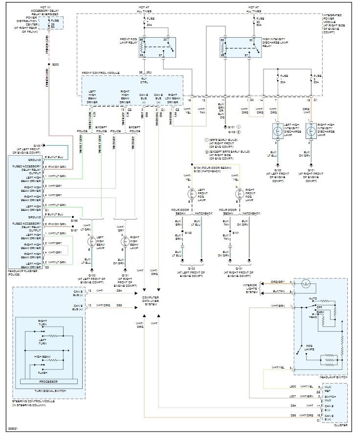
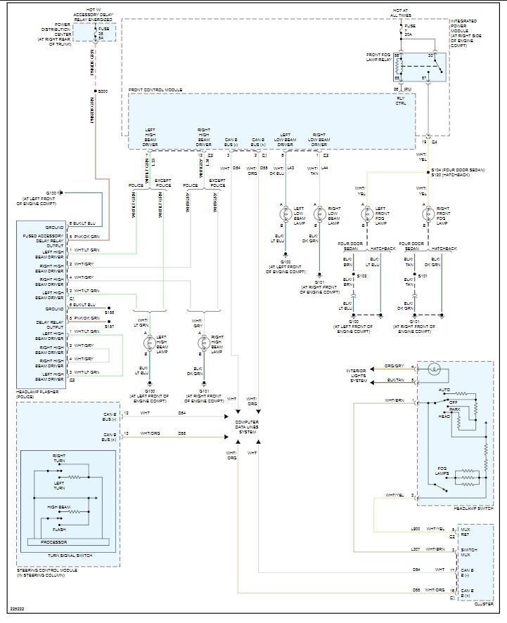
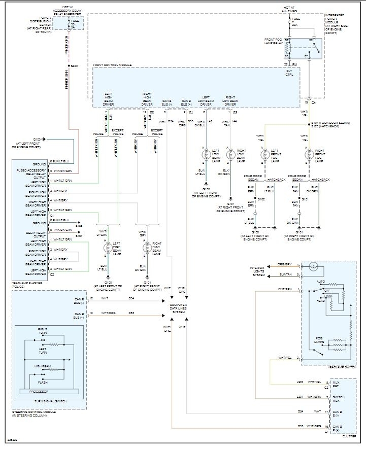
Maybe a bad headlight switch.. Depends on if you have HID or not. The front control module gets its signal through the instrument cluster via the switch... the HIDs have another relay and controller beyond that.... I'm gonna go simple and ask fit has DRL's?

See the article below on testing wiring

https://www.2carpros.com/articles/how-to-check-wiring

Attached below are the diagrams for HID and non-HID headlights
Nov 17, 2015 at 1:59 AM