Hi,
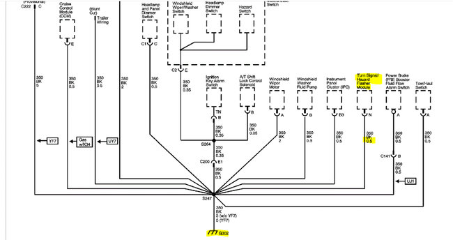
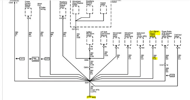
Okay, just so I understand. Power makes it to fuse 14 (signal/hazard module fuse), but there is no power to the red/white wire to the module? (see pic 1 above).
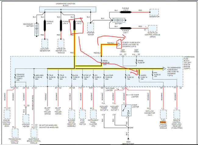
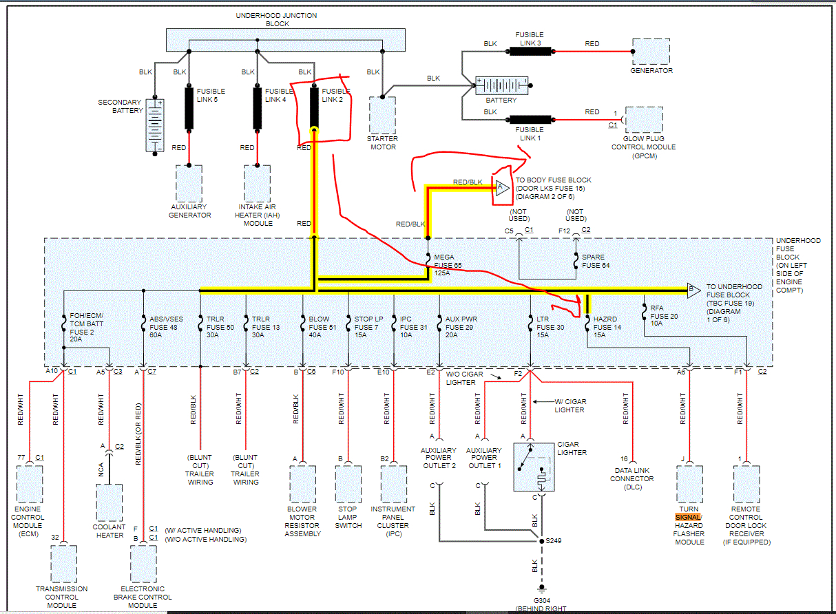
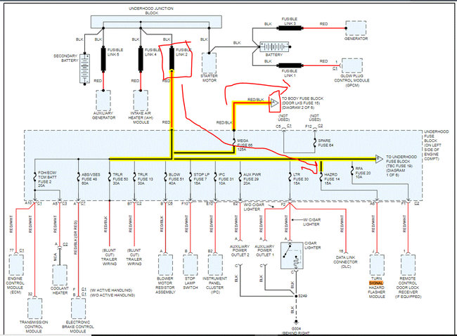
There is one more fuse I need you to check. Again, check the fuse and check for power. It is an ignition E fuse in the underhood fuse box. I attached a pic below to help you find it.
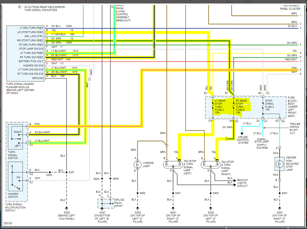
Here is how this system works. The ign e 10 A fuse in the underhood fuse block supplies battery positive voltage to the turn signal switch assembly. Ground for the hazard switch is from G302. The flasher 15 A fuse in the underhood fuse block supplies battery positive voltage to the turn/hazard flasher module. When the turn signal switch is placed in either the left or right position, a voltage signal is completed from the turn signal switch to the turn/hazard flasher module. When the hazard flasher switch is activated, a ground signal is completed from the hazard switch to the turn/hazard flasher module. The turn/hazard flasher module then sends an on-off voltage signal to the appropriate turn signal lamps, or to all turn signal lamps for hazard operation through fuses.
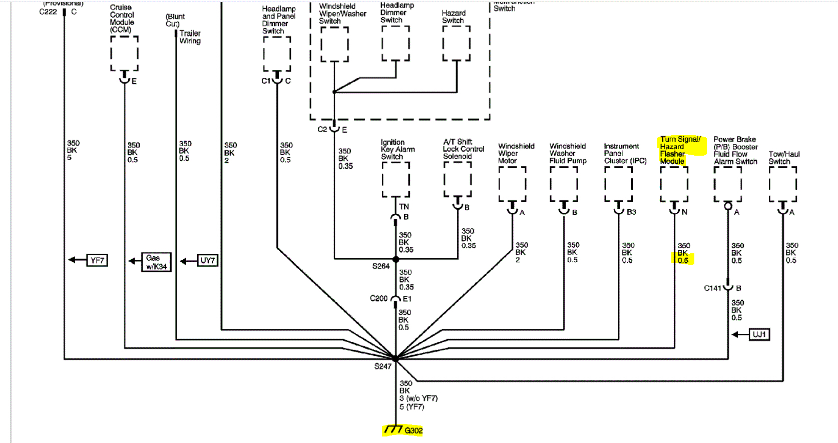
Since it may not be a power issue at all, I need you to check the black wire from the turn signal flasher module for continuity to ground. It is ground (G302). If you look at pic 2 below, notice a huge splice at the grounding location, which is the left front kick panel. That is where your left foot would rest when driving. Maybe we lost ground. If when checking there is no continuity to ground, see pic 4 for the splice location.
One last thought. When you checked for power at the module and found it in only one pin, were the components turned on? For example, when checking pin L, was the turn signal switch in the left position with the key on?
Sorry for so many questions. Wiring can be tricky.
Let me know.
Joe
Images (Click to enlarge)
Jul 26, 2021 at 6:46 PM