2006 CHEVROLET TRAILBLAZER
192,847 MILES
Avatar
ANONYMOUS
  • MEMBER
  • 1 POST
My low beams don't come on change dimmer switch &head light switch . Low beams still not working?
Feb 8, 2013 at 9:59 PM
Advertisement
Avatar
JDL
  • CERTIFIED EXPERT
  • 16,098 POSTS
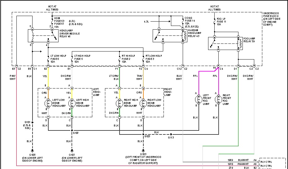
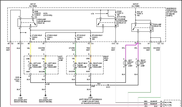
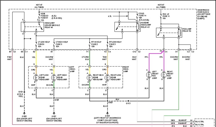
Did you check for voltage, anywhere? Use a voltage tester. Any applicable trouble codes? Check the fuse circuits in the diagram for voltage. The headlamp driver module relay is for low beams. The bcm sends voltage to coil side of that relay in order to energize.
Feb 8, 2013 at 10:22 PM