Brake lights not working, checked fuses all good

2006 CHEVROLET TRAILBLAZER
135,000 MILES • 4.2L • 6 CYL • 4WD • AUTOMATIC
Avatar
BART WOODS
  • MEMBER
  • 4 POSTS
brake lights not working, checked fuses all good, checked bulbs all good, changed brake switch at pedal, but my third brake light is working
Apr 23, 2015 at 12:15 PM
Advertisement
Avatar
RIVERMIKERAT
  • CERTIFIED EXPERT
  • 6,110 POSTS
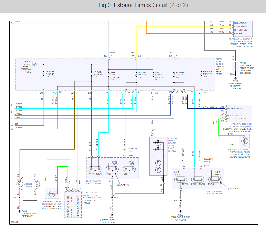
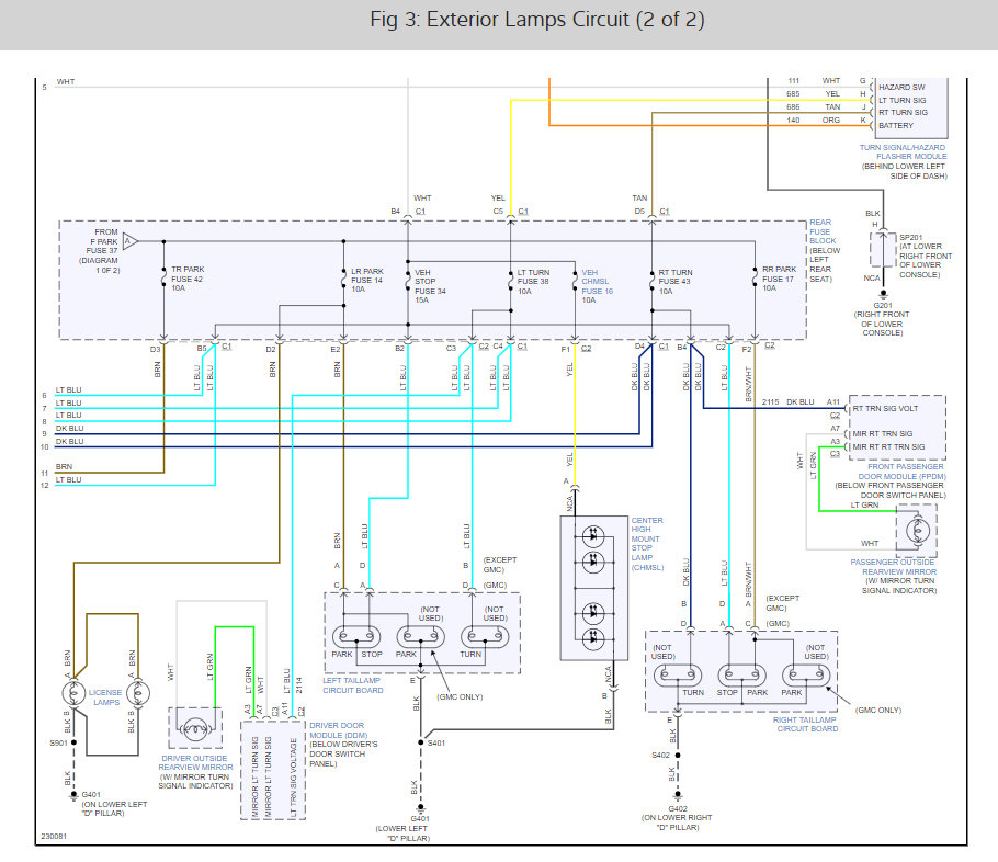
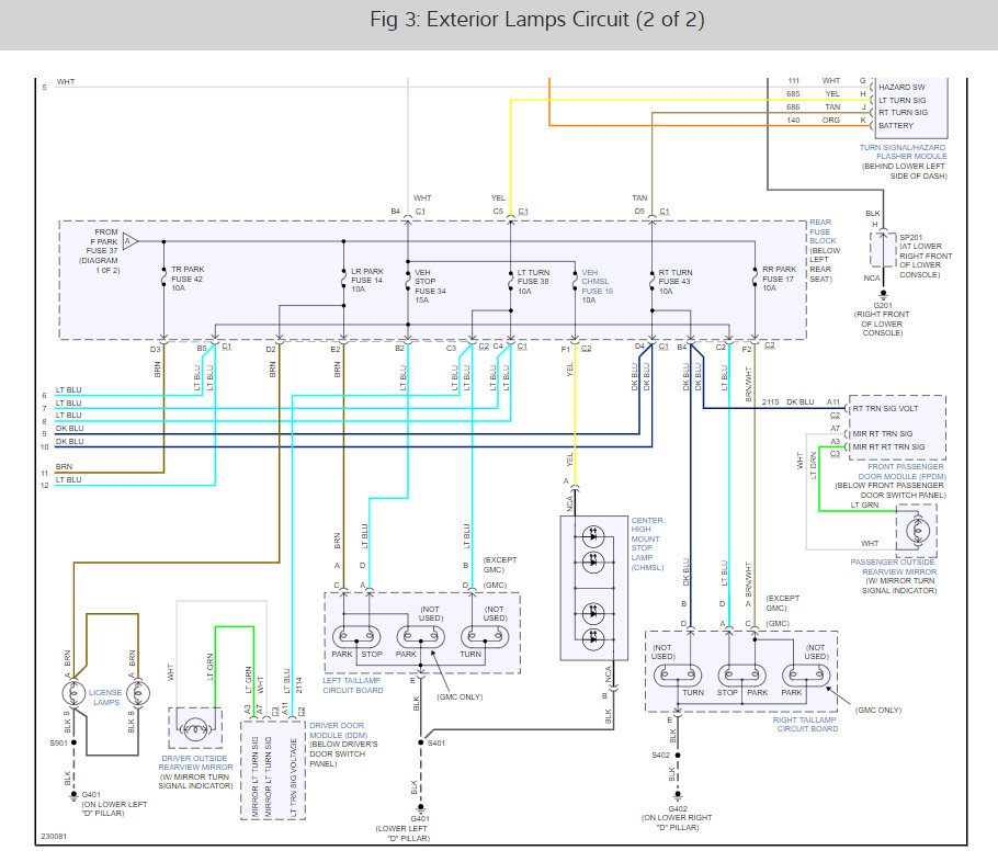
So you now have the regular brake lights but no third brake light? This sounds like the brake light switch or a fuse is out these guides can help us fix it. The fuse location for your can are in the diagrams below.

https://www.2carpros.com/articles/brake-lights-not-working

and

https://www.2carpros.com/articles/how-to-check-a-car-fuse

and

https://www.2carpros.com/articles/how-to-check-wiring

Check out the diagrams (Below). Let us know what happens and please upload pictures or videos of the problem. Here are the brake light wiring diagrams so you can see how the system works.
May 15, 2019 at 12:43 PM
Avatar
BART WOODS
  • MEMBER
  • 4 POSTS
third brake light works, but the regular brake lights dont
May 15, 2019 at 12:43 PM
Advertisement
Avatar
RIVERMIKERAT
  • CERTIFIED EXPERT
  • 6,110 POSTS
Ahh. Ok. I switched them. Check the ground for the lights. Check the power lead for the lights. I can't visualize the rear-end of a Trailblazer right now, but I believe the brake lights are also the turn signals? Do those work?
May 15, 2019 at 12:43 PM
Avatar
BART WOODS
  • MEMBER
  • 4 POSTS
all lights work except brake lights and now the third brake light isn't working either
May 15, 2019 at 12:43 PM
Avatar
RIVERMIKERAT
  • CERTIFIED EXPERT
  • 6,110 POSTS
Ok, so turn signals are not also brake lights? Have you checked all connections and grounds? Checked for power at the light pigtails/sockets? What about taillights (the ones that go on with headlights)?
May 15, 2019 at 12:43 PM
Avatar
BART WOODS
  • MEMBER
  • 4 POSTS
thanks for the guides it turns out the ground was loose at the back of the car, all fixed
May 15, 2019 at 12:43 PM
Avatar
RIVERMIKERAT
  • CERTIFIED EXPERT
  • 6,110 POSTS
Glad you could get it fixed, that kind of problem can be tough. Please use 2CarPros anytime we are here to help.
May 15, 2019 at 12:43 PM