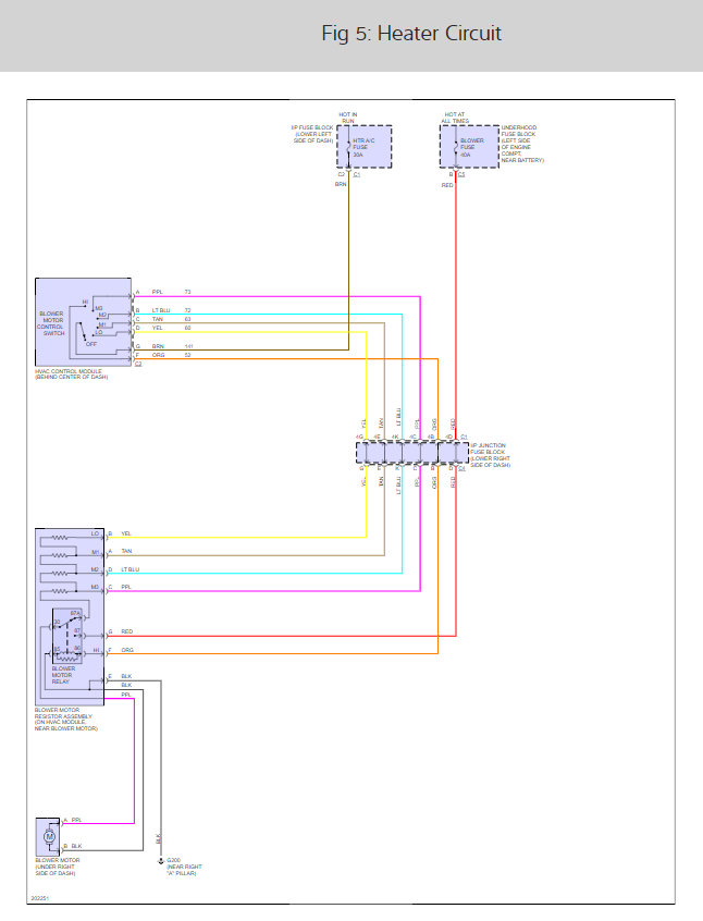
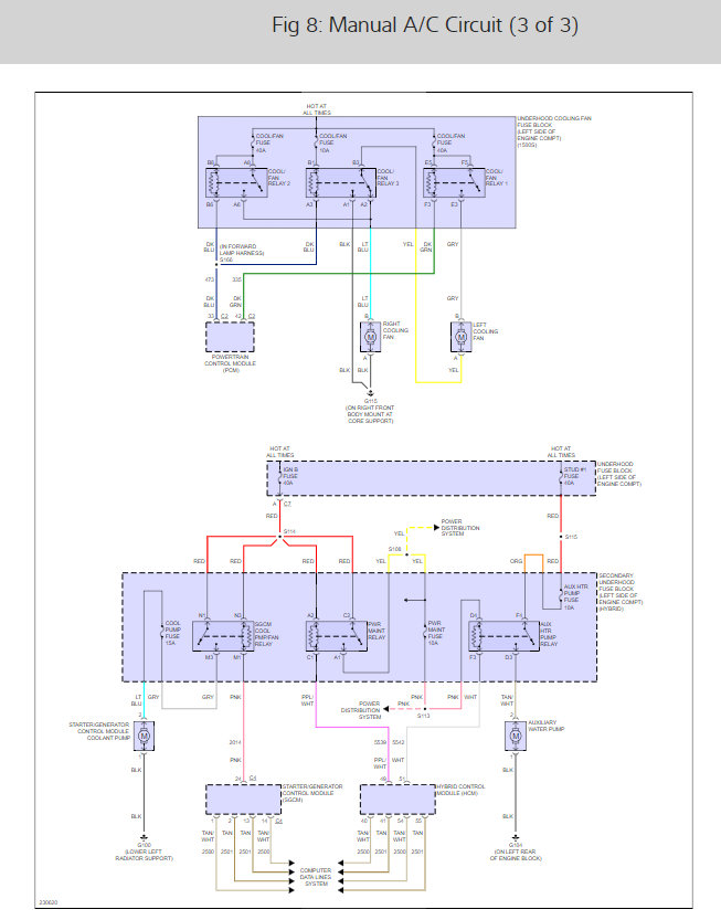
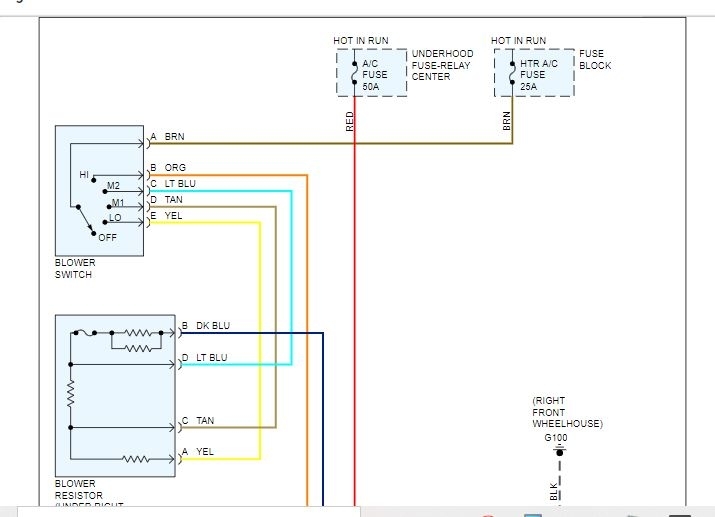
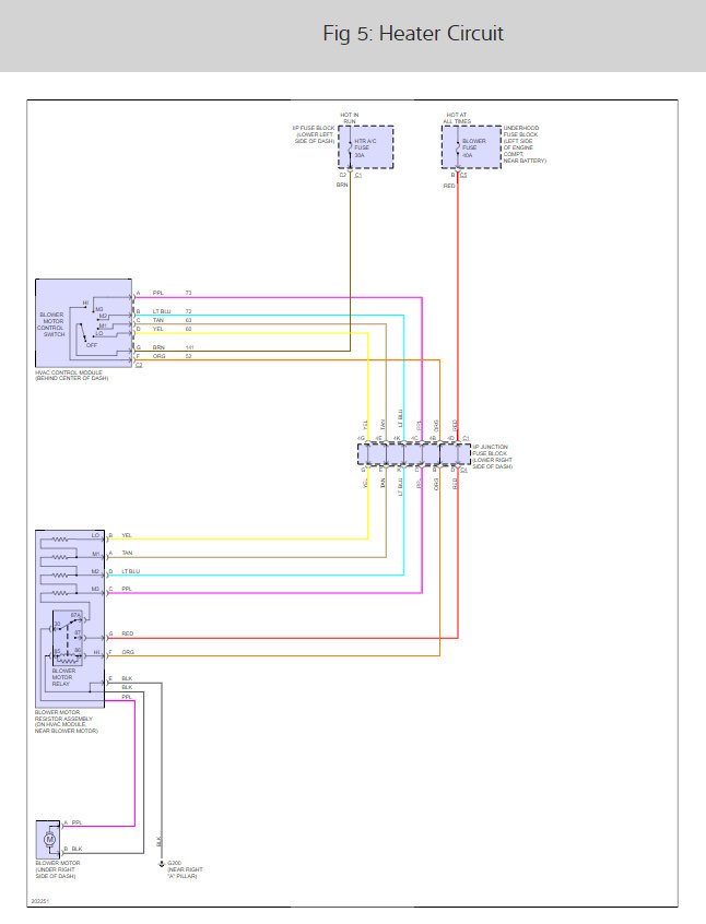
try this,Some customers may comment that the blower motor is inoperative or continues to run after the vehicle has been shut off.
Cause
These conditions may be caused by a blower motor control module failure. This failure may occur when the vehicle is operated in ambient temperature conditions of -23°C (-10°F) or below.
Correction
Important: Replace the blower motor control module if the vehicle experienced a blower motor control module failure in extremely cold ambient temperature conditions.
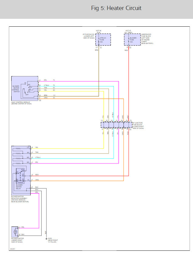
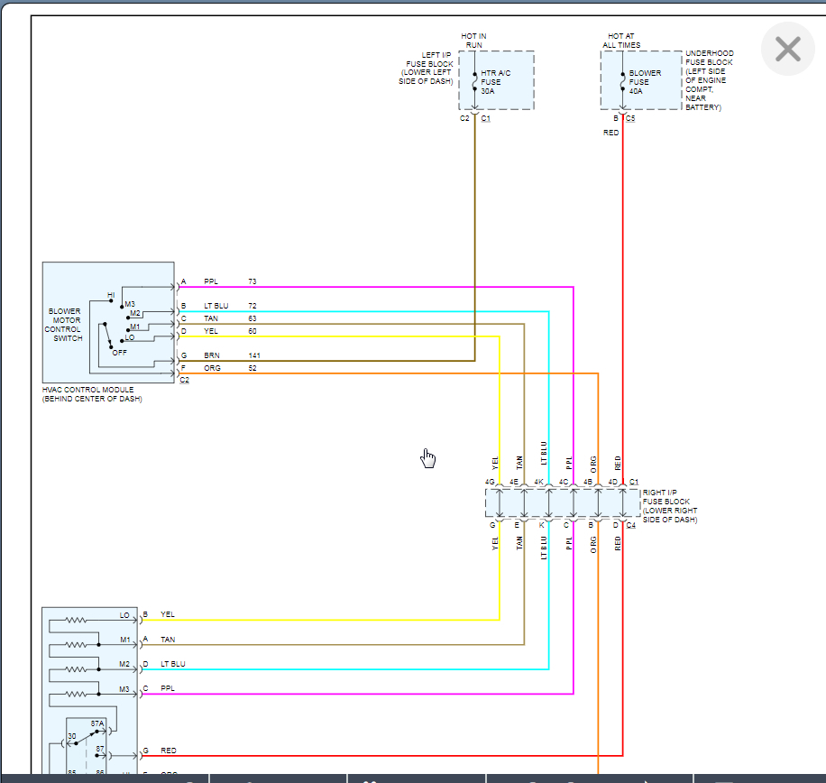
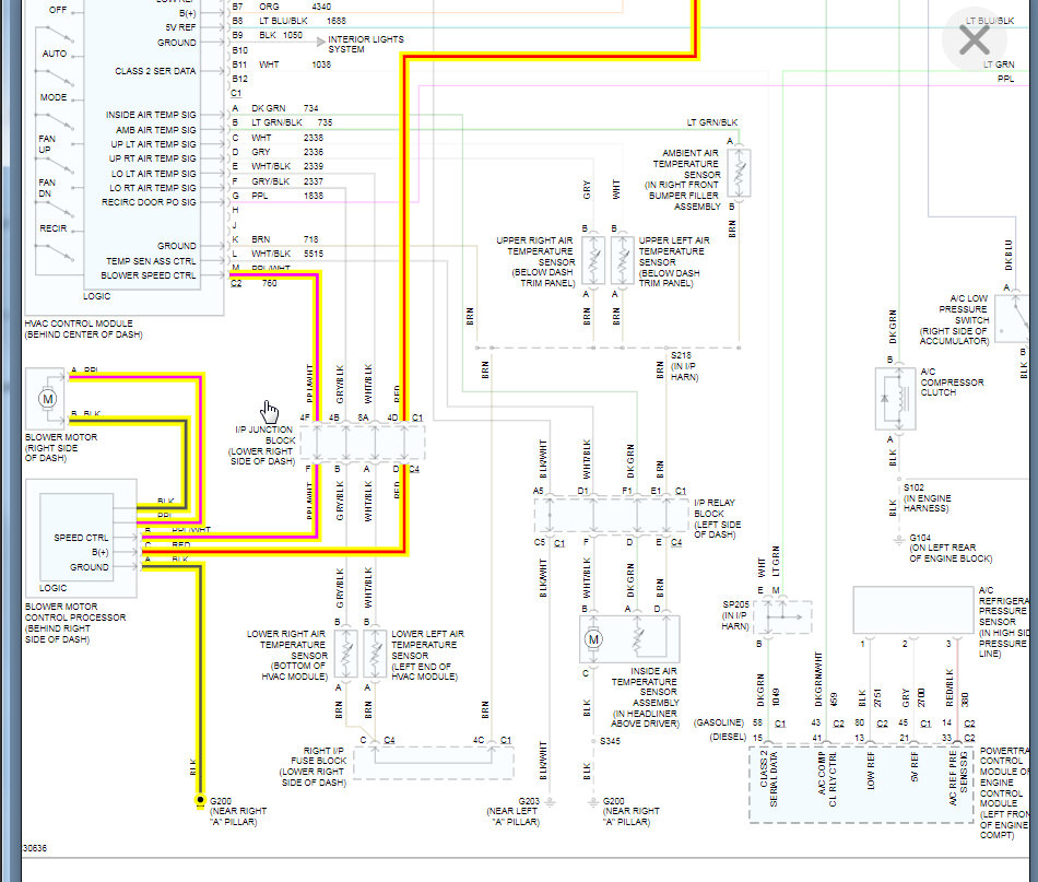
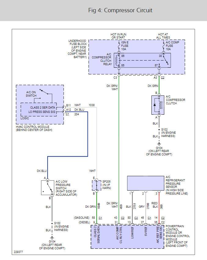
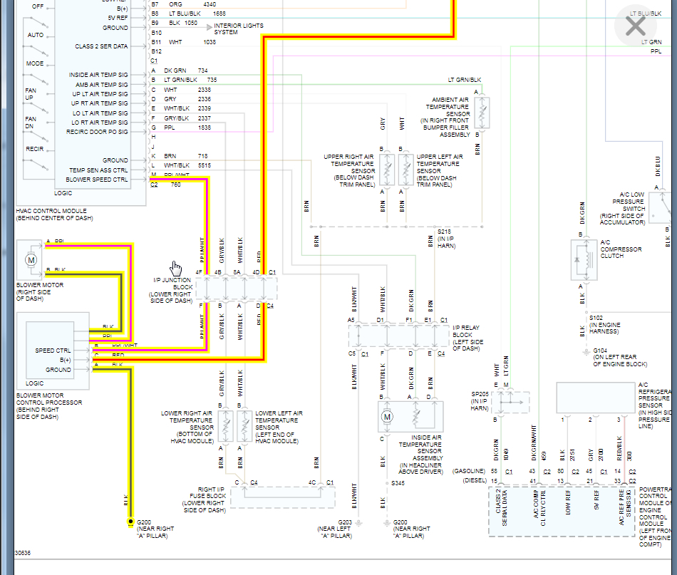
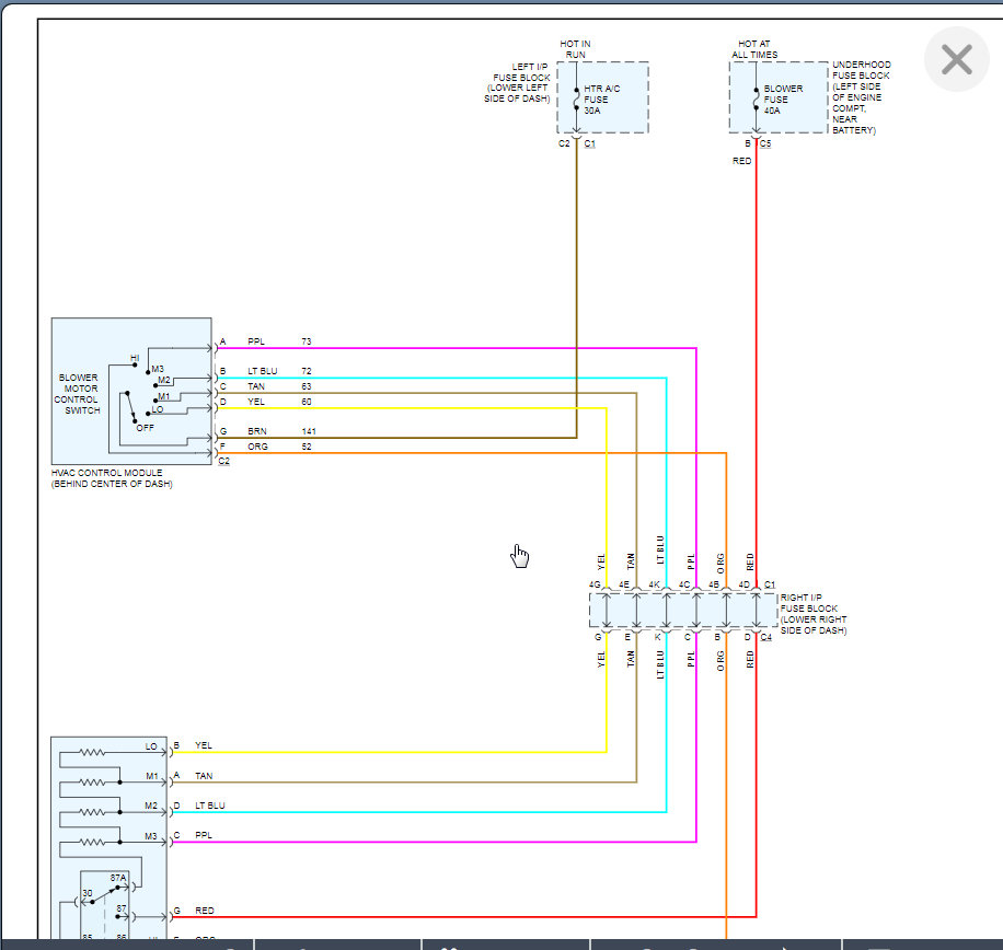
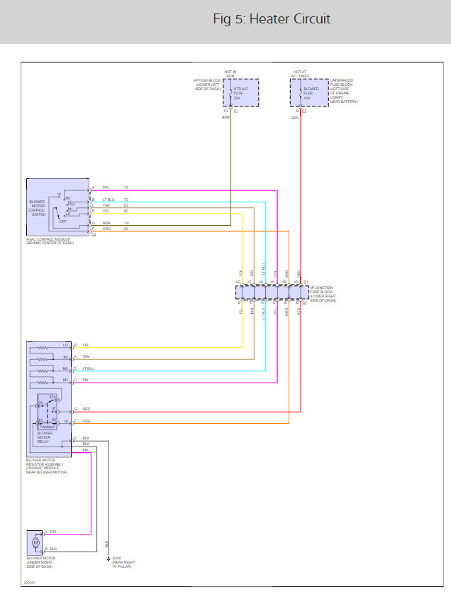
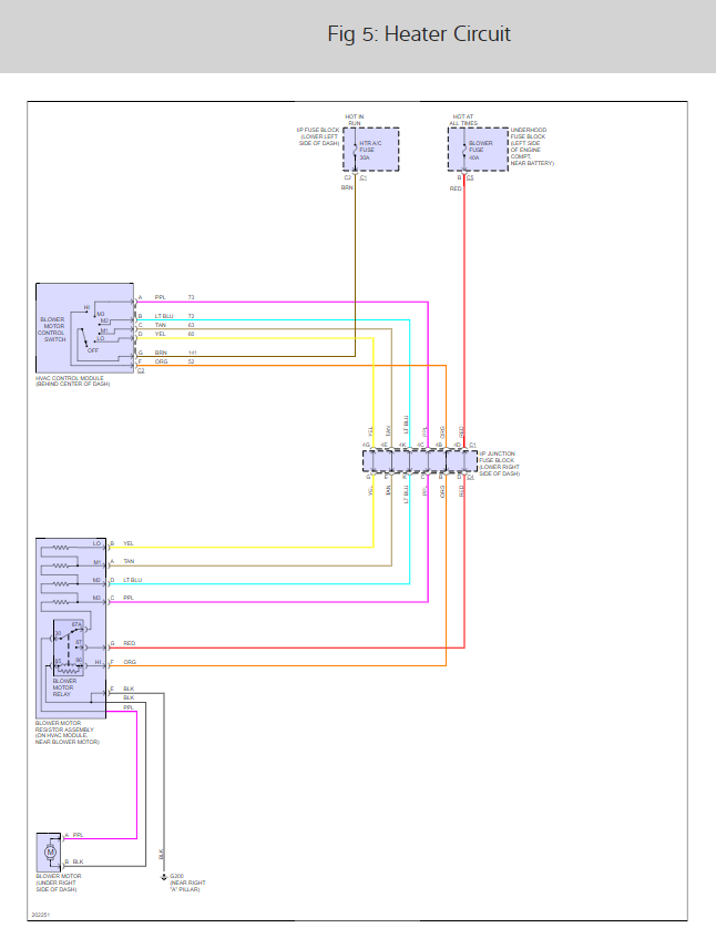
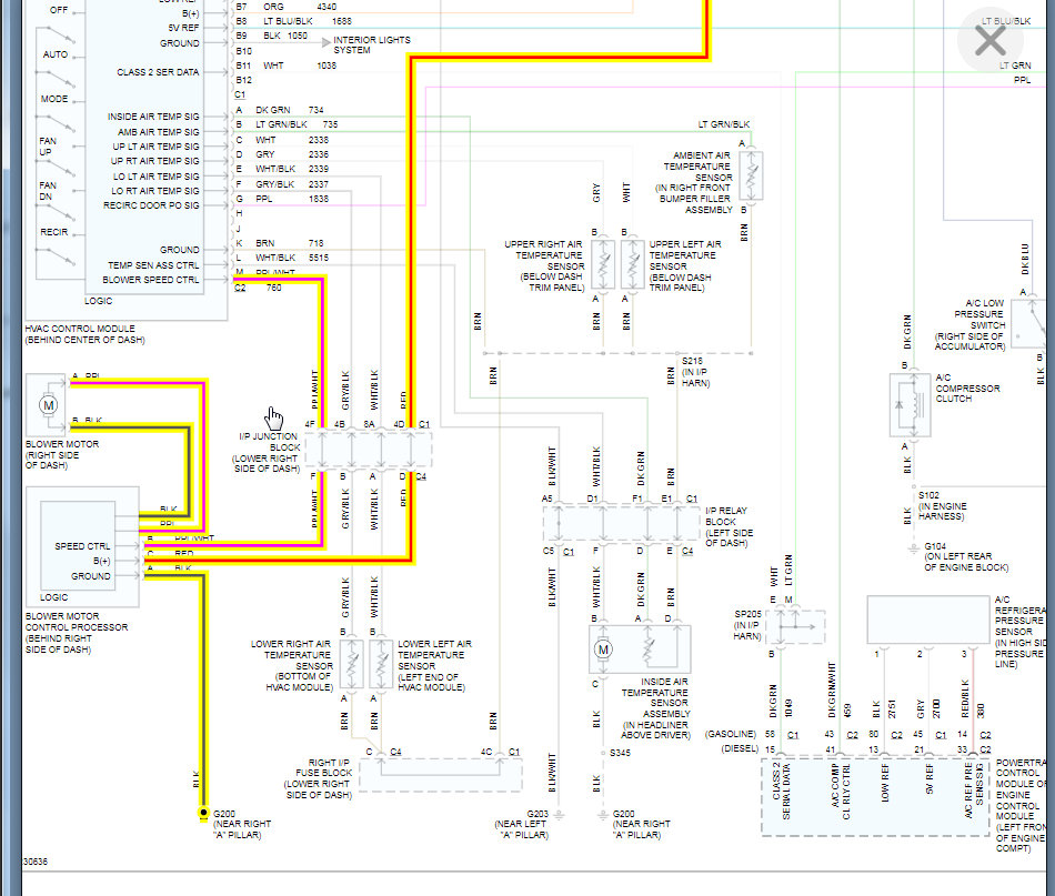
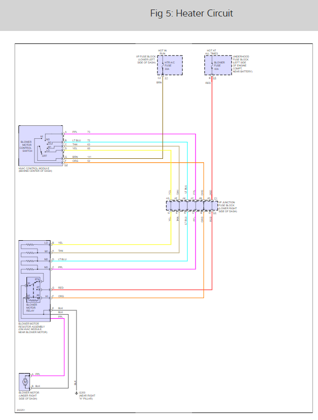
Technicians are to replace the blower motor control module, also called the Linear Power Module (LPM), with the P/N listed below. Refer to either the Blower Motor Control Processor Replacement or Blower Motor Processor Replacement-Auxiliary procedures in SI. After replacement of the blower motor control module, the customer may notice a slightly higher than expected blower motor speed at any of the blower speed settings.
Parts Information
Part Number
Description
Qty
89018849
Module Assembly, Auxiliary Blower Motor Control (Rear System on Escalade ESV, Suburban, Yukon XL)
1
89018964
Module, HTR & BLO & A/C CONT (Front system only vehicles - Except H2)
1
89023355
Module Assembly, Blower Motor Control (H2 Models)
1
89024926
Module Assembly, Auxiliary Heater & A/C Control (Rear System on Escalade, Yukon, Tahoe)
Apr 30, 2021 at 3:12 PM
(Merged)