Mode blend door replacement instructions please?

2006 CHEVROLET SILVERADO
86,000 MILES • 5.2L • V8 • TURBO • 4WD • AUTOMATIC
Avatar
BHR10950
  • MEMBER
  • 1 POST
Last year, my blower vents took a few minutes to switch from floor or defrost to the front vents. Now, it will not change to the front vents. It also will not push air through the back seat vents. I have tried resetting the computer as explained on a few videos I've watched, but it didn't help.
Nov 28, 2015 at 6:44 AM
Advertisement
Avatar
WRENCHTECH
  • CERTIFIED EXPERT
  • 20,761 POSTS
The mode selections are done with an electric actuator that has likely gotten "tired". You can access the actuator and linkage from under the dash on the driver's side. You might be able to give the linkage a little push to see if it responds. That would confirm the bad actuator. This guide can show you how a typical system works and where the actuators are located. I have included diagrams for your car below. https://www.2carpros.com/articles/replace-blend-door-motor Check out the diagrams (Below). Let us know what happens and please upload pictures or videos of the problem. https://www.2carpros.com/images/external/119129936.jpg.gif
Dec 29, 2020 at 1:17 PM
Avatar
BILLY HARGUS
  • MEMBER
  • 1 POST
My truck has the dual climate controls. I can not get it to change from the mid position to defrost or floor. I also can not get the driver side to blow hot air. It seems to be stuck blowing cold air out the driver side and warm air out the passenger side only out of the mid vents. I know there are several different actuators but how do I know which one to replace? This problem all started at the same time.
Apr 30, 2021 at 3:07 PM (Merged)
Advertisement
Avatar
ASEMASTER6371
  • CERTIFIED EXPERT
  • 52,796 POSTS
Good evening,

There are several actuators for this. There is one for the mode which directs air. There is also one that controls heat/cool.

I will attach pictures for you to view and procedures.

These actuators are under the dash and on both sides. They are easy to replace.

Roy

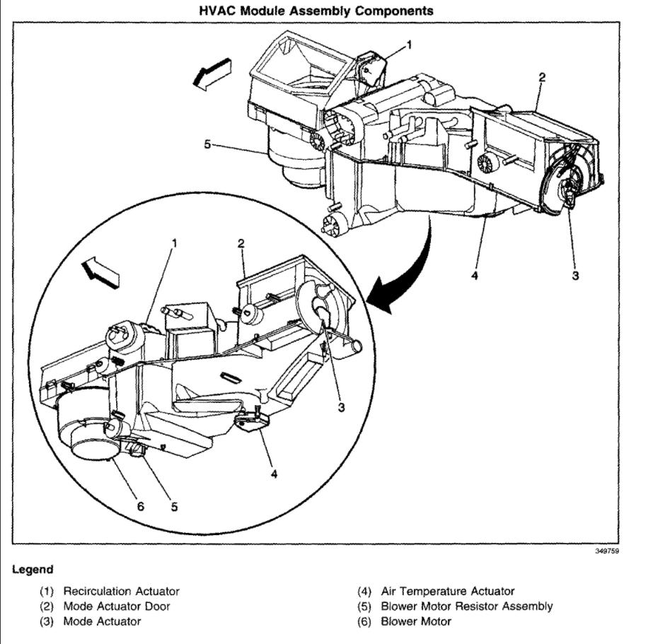
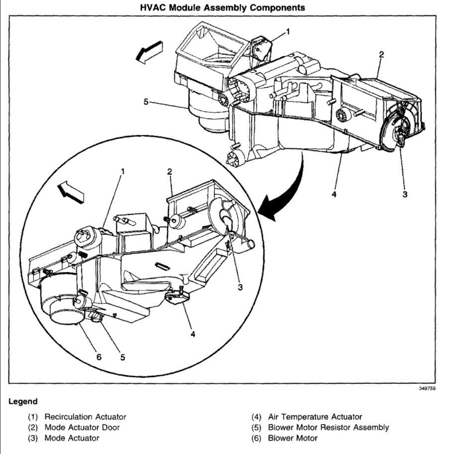
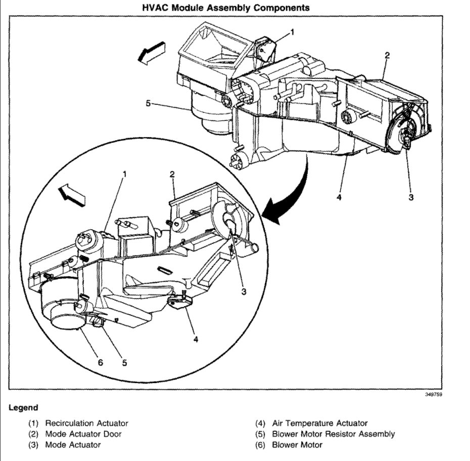
mode

REMOVAL PROCEDURE


imageOpen In New TabZoom/Print

1. Remove the floor air outlet duct extension (1) from the floor duct (2).
2. Remove the body control module.


imageOpen In New TabZoom/Print

3. Disconnect the electrical connection at the mode actuator (10).


imageOpen In New TabZoom/Print

4. Remove the mode actuator mounting screws from the HVAC module.
5. Remove the mode actuator as an assembly with the actuator cam.

temp

REMOVAL PROCEDURE
1. Remove the center console, if equipped.
2. Remove the instrument panel (I/P) insulator panel.


imageOpen In New TabZoom/Print

3. Disconnect the electrical connector (1) from the left air temperature actuator (2).
4. Remove the screws from the left air temperature actuator (2).
5. Remove the left air temperature actuator (2) from the HVAC module assembly (3).
Apr 30, 2021 at 3:07 PM (Merged)
Avatar
KDALLEN
  • MEMBER
  • 2 POSTS
I noticed that the air is not blowing from the vents where the mode selector is turned. It is only blowing out of the defrost vents, the end-dash vents and the rear console vents. I know that the mode actuator is not working. I know that it is on the drivers side above the gas pedal. I have already checked it by watching from below while the selector is turned on the panel. It makes a "clicking" noise when you turn the selector to the upper vent position. It does not make the noise when it is turned to the defrost or the defrost/floor vent position.

I would like to know what is the proper and best way to remove the actuator and replace it. I am a big guy and I can barely wiggle into the floorboard space, much less move my arms up to try and get a socket on the retaining screws. I was also told that there is plate behind the actuator that you must hold in place while replacing the old with the new or "gears will fall out". I have worked on replacing actuators before on GM vehicles but this one is in a place that is tougher to get to than any of the older models.
Any procedures or suggestion would be appreciated!

Thanks.

Kelly Allen
Apr 30, 2021 at 3:07 PM (Merged)
Avatar
HMAC300
  • CERTIFIED EXPERT
  • 48,601 POSTS
Hello,

Here is a guide and some diagram (below) to help you get the job done:

https://www.2carpros.com/articles/replace-blend-door-motor

video : https://youtu.be/tY6M92fA2ug

Here is some instruction from the book:

Removal Procedure:
Fig. 42: View Of Floor Air Outlet Duct Extension To Floor Air Duct
Remove the floor air outlet duct extension (1) from the floor duct (2).
Fig. 43: Identifying Electrical Connectors
Disconnect the electrical connection at the mode actuator (10).
Fig. 44: View Of Mode Actuator
Remove the mode actuator mounting screws from the HVAC module.
Remove the mode actuator as an assembly with the actuator cam.
the mode actuator is on passenger side. move the seat back as far as you can helps to get in there. but try pulling fuse first for hvac sometimes it resets the actuators.

Check out the diagrams (below).

Please let us know what happens.

Cheers
Apr 30, 2021 at 3:07 PM (Merged)
Avatar
KDALLEN
  • MEMBER
  • 2 POSTS
I appreciate the diagram, I was hoping not to have to pull the instrument bezel and the kick panel to get to the actuator. I have found a video on YouTube, even though it is on a 2001 Tahoe.

They are almost identical and they use the same actuator: https://youtu.be/Eqf-H3COtSo

I suppose, failing all else, I will use the 2Carpros video for replacing mine. Thanks you guys I love this site.
Apr 30, 2021 at 3:07 PM (Merged)
Avatar
STRAILER
  • CERTIFIED EXPERT
  • 53,854 POSTS
Use 2CarPros anytime, we are here to help. Please tell a friend.

Cheers, Ken

Apr 30, 2021 at 3:07 PM (Merged)
Avatar
DREWBY26
  • MEMBER
  • 1 POST
It is always on face. My fan and temperature works just not my fan. no matter where I turn it it's on face and it only turns on if I turn it on.
Apr 30, 2021 at 3:07 PM (Merged)
Avatar
KASEKENNY
  • CERTIFIED EXPERT
  • 18,907 POSTS
It sounds like you're having a problem with the mode door actuator. It's a small electric motor that opens/closes a door flap to route air through the ducts in the HVAC box.

Here is a guide that will help with this:

https://www.2carpros.com/articles/air-vents-stay-in-the-defrost-position

Here is a basic tutorial showing how to replace a blend door actuator. This is clearly a different actuator but it will give good info that will help doing these repairs:

https://www.2carpros.com/articles/replace-blend-door-motor

However, for the specific steps on the mode door on this vehicle, I attached the info from the manual below.

Please run through this and let us know if you have other questions. Thanks
Sep 22, 2021 at 6:46 PM