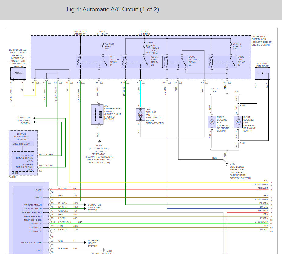
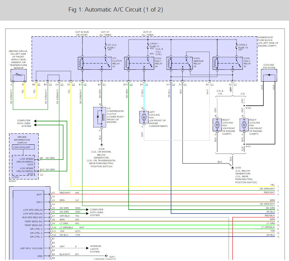
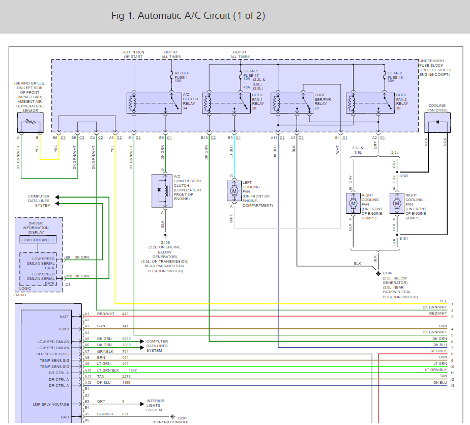
Auto climate control unit quit working and thought it was the fan and replaced it - no go. So, checked and tested all fuses and relays with a wiring diagram, all good, replaced control head and still no go after 'learning' mode.
Now, manual fan controls non-functional, vent and AC controls all work, temp settings don't seem to work, and fan only blows at low speed and won't shut off even with ignition off. Don't know how to test electronic fan control thigy, but do get continuity readings at all terminals. No codes present except egr valve out.
Querried dealer and what they said was replace the control head which I already did. Research seems to indicate many problems with this and other electronics on board with this model line. Car is 2006 Malibu Maxx LTZ. Any insights?
Now, manual fan controls non-functional, vent and AC controls all work, temp settings don't seem to work, and fan only blows at low speed and won't shut off even with ignition off. Don't know how to test electronic fan control thigy, but do get continuity readings at all terminals. No codes present except egr valve out.
Querried dealer and what they said was replace the control head which I already did. Research seems to indicate many problems with this and other electronics on board with this model line. Car is 2006 Malibu Maxx LTZ. Any insights?
Aug 1, 2013 at 7:20 AM





















