2006 Chevrolet Equinox Electrical

2006 CHEVROLET EQUINOX
67,585 MILES • 3.4L • 6 CYL • FWD • AUTOMATIC
Avatar
INTRUDERA6E
  • MEMBER
  • 2 POSTS
No turn signals, no emergency flasher, no brake lights. High mount brake light works. fuse ok. ignition switch ok.
Mar 10, 2014 at 8:12 PM
Advertisement
Avatar
STRAILER
  • CERTIFIED EXPERT
  • 53,855 POSTS
Hello,

This sounds like you have a parking light fuse that is out or the PRK relay is out here are two guides to help you test each to find the problem and fix it.

https://www.2carpros.com/articles/how-to-check-a-car-fuse

and

https://www.2carpros.com/articles/how-to-check-an-electrical-relay-and-wiring-control-circuit

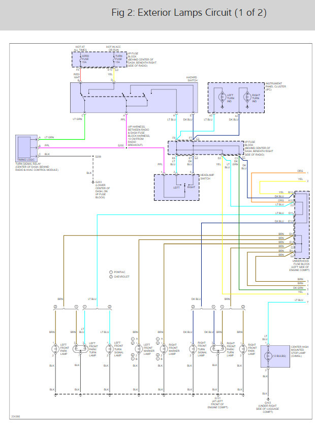
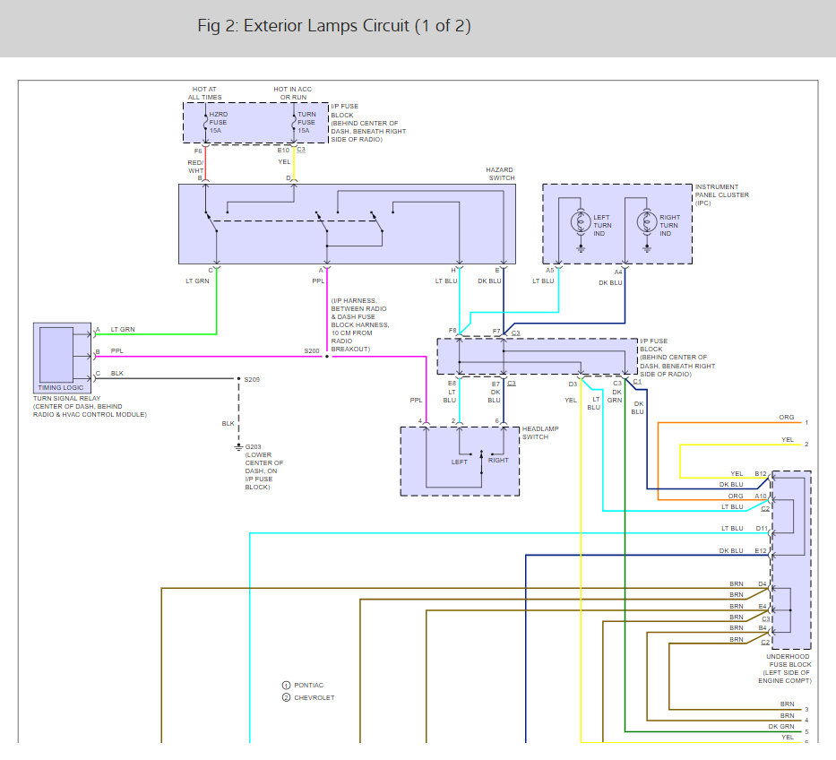
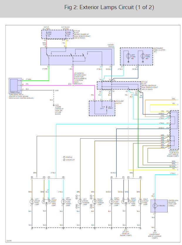
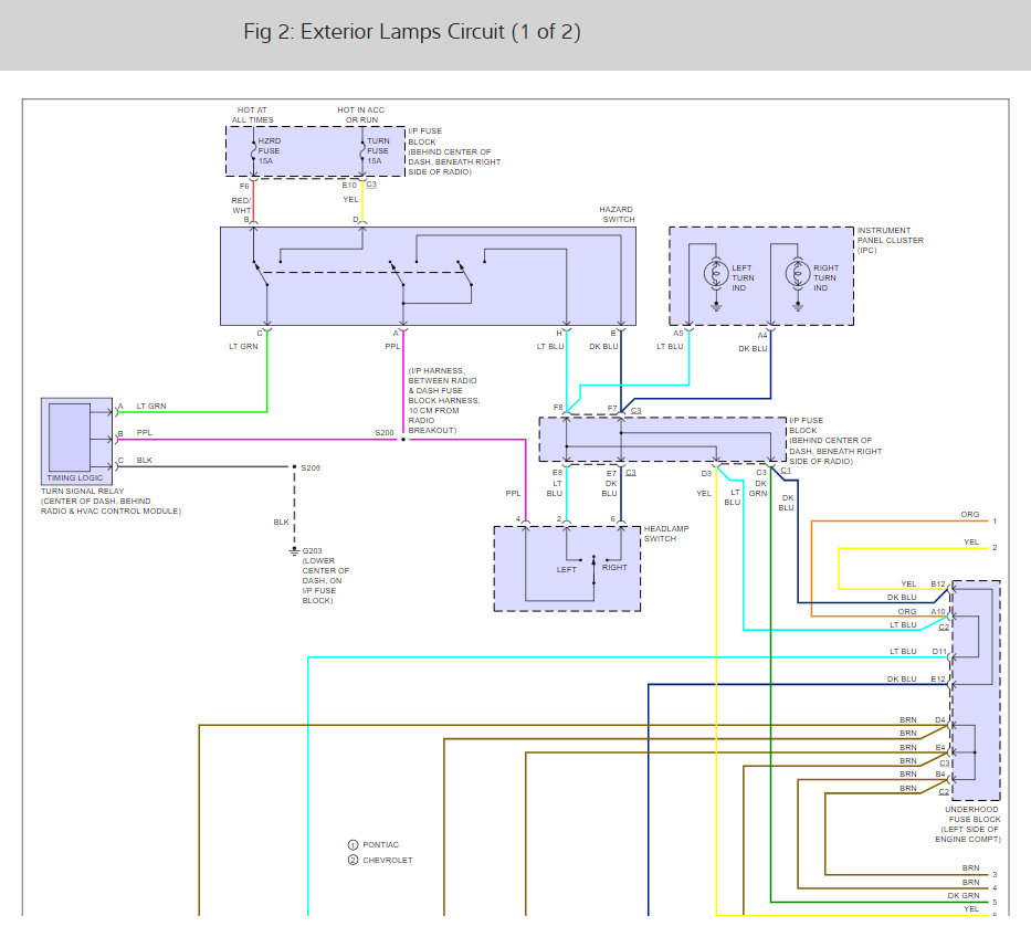
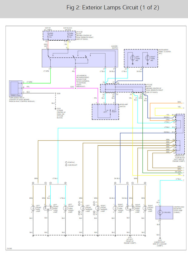
Here are the fuse and relay locations and the brake brake light wiring diagrams so you can see how the system works.

Thanks for using 2Carpros.com :-)
Mar 10, 2014 at 10:20 PM
Avatar
INTRUDERA6E
  • MEMBER
  • 2 POSTS
Yep I followed the guides you gave me and figured out the relay has bad so I replaced it now everything works my first repair it was so fun.

I love this site :)
Mar 12, 2014 at 2:41 PM
Advertisement
Avatar
STRAILER
  • CERTIFIED EXPERT
  • 53,855 POSTS
Good to hear, please use 2CarPros anytime we are here to help.

Cheers, Ken
Mar 12, 2014 at 2:58 PM