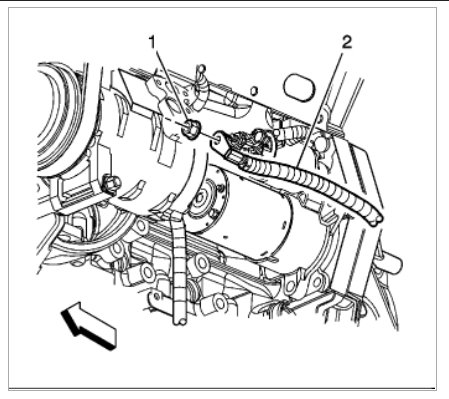
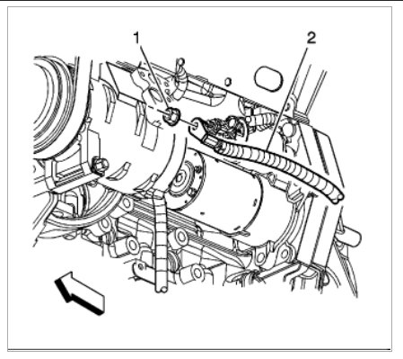
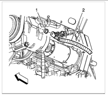
Hello I am trying to remove my starter from my SRX 3.6L 2006. I have the starter unveiled and disconnected but cannot get it to drop down it is caught up by the exhaust and a break line also 2 trans lines are in the area. What is the best route for removal? I have tried wiggling it for hrs. Help!
Jul 8, 2014 at 6:10 AM


