blower motor working correctly ?

2006 CADILLAC ESCALADE
106,000 MILES
Avatar
DNCOULON
  • MEMBER
  • 1 POST
2006 Escalade blower motor comes on fine when outside temp is 50 and above but when its like 30 it wont come on till about 3-4 hrs later.
Dec 2, 2011 at 3:05 PM
Advertisement
Avatar
FACTORYJACK
  • CERTIFIED EXPERT
  • 4,159 POSTS
Can't suspect as to why, but if you could check voltage across the blower connector when it won't operate, we can form a diagnostic approach from there. A test light will work, and is probably the easiest test tool. Simply go across the connector, I believe the wires are purple and black. If the light lights, you need a blower motor. If not, you would need to check power and ground to the blower speed control processor.
Dec 3, 2011 at 3:47 AM
Avatar
RONBOW62
  • MEMBER
  • 4 POSTS
The front AC/heater blower is not working. Last year I replaced the resistor under passenger side dash also the fuse under hood. I have checked all the fuses any idea?
Jan 28, 2021 at 9:22 AM (Merged)
Advertisement
Avatar
STRAILER
  • CERTIFIED EXPERT
  • 53,854 POSTS
Hi Ron,

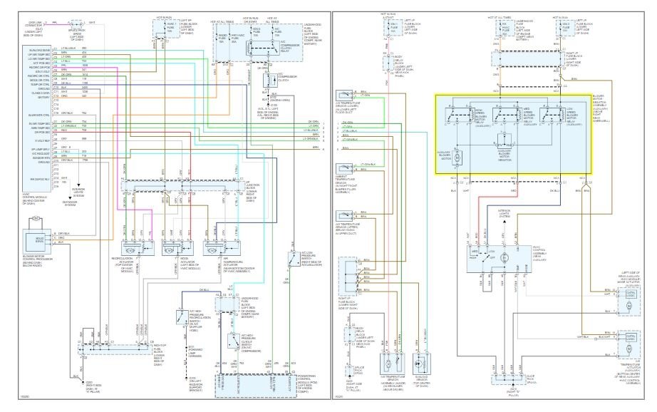
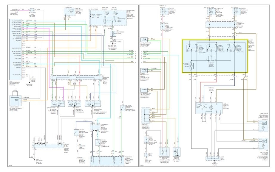
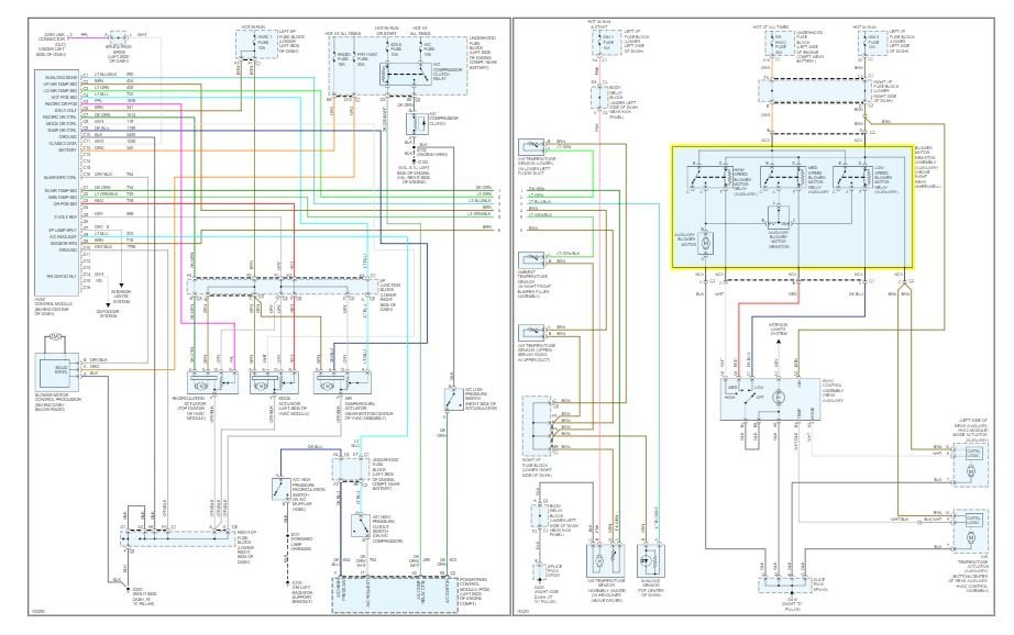
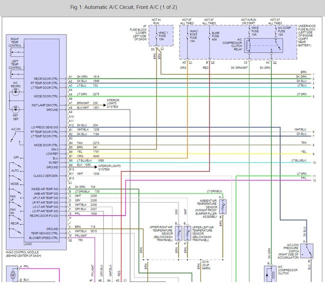
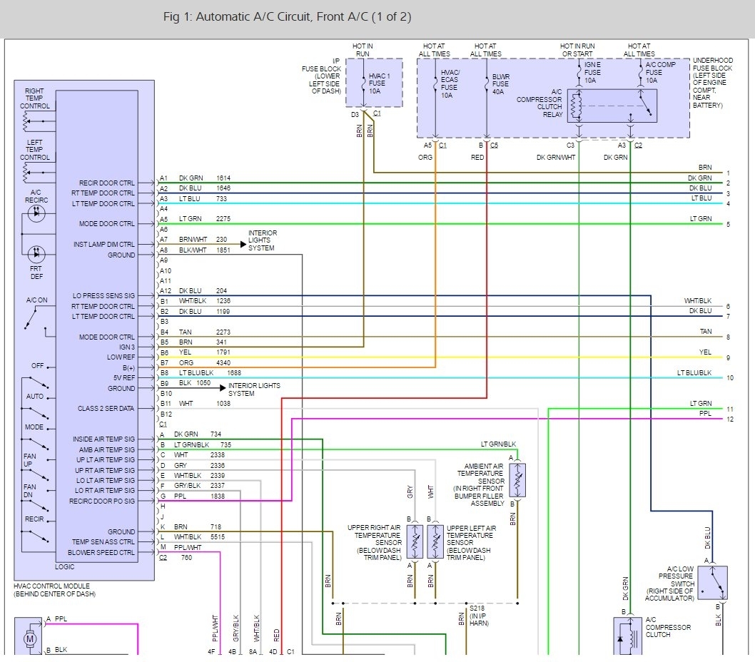
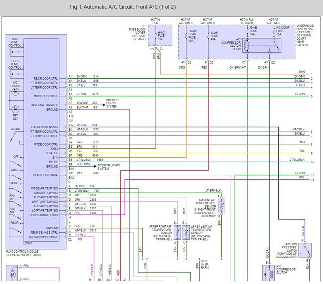
It sounds like you have a blower motor that has gone out but I would check the other fuses in the system, here are some guides and a wiring diagram so you can do some testing before replacing the motor.

https://www.2carpros.com/articles/how-to-check-a-car-fuse

and

https://www.2carpros.com/articles/how-to-use-a-test-light-circuit-tester

and

https://www.2carpros.com/articles/blower-fan-motor-works-on-high-speed-only

Please let us know what happens.

Best, Ken



Jan 28, 2021 at 9:22 AM (Merged)
Avatar
  • MEMBER
  • 6 POSTS
When you turn the rear on nothing happens. It used to work and some times just cut out and then come on. But now it’s been over a year not working at all. Is it the switch or motor? Does anyone know? We checked all fuses and replaced compressor.
Jan 28, 2021 at 9:23 AM (Merged)
Avatar
ASEMASTER6371
  • CERTIFIED EXPERT
  • 52,796 POSTS
Good morning,

Do you mean the blower motor is not working or the air is not cold coming out?

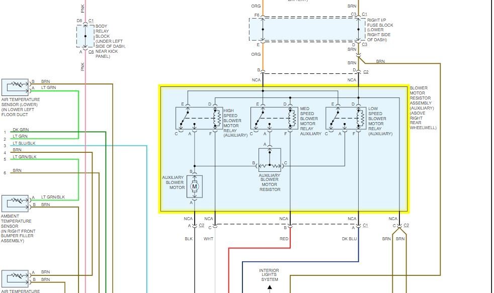
If you mean the blower motor, good chance the motor and resistor are the issue.

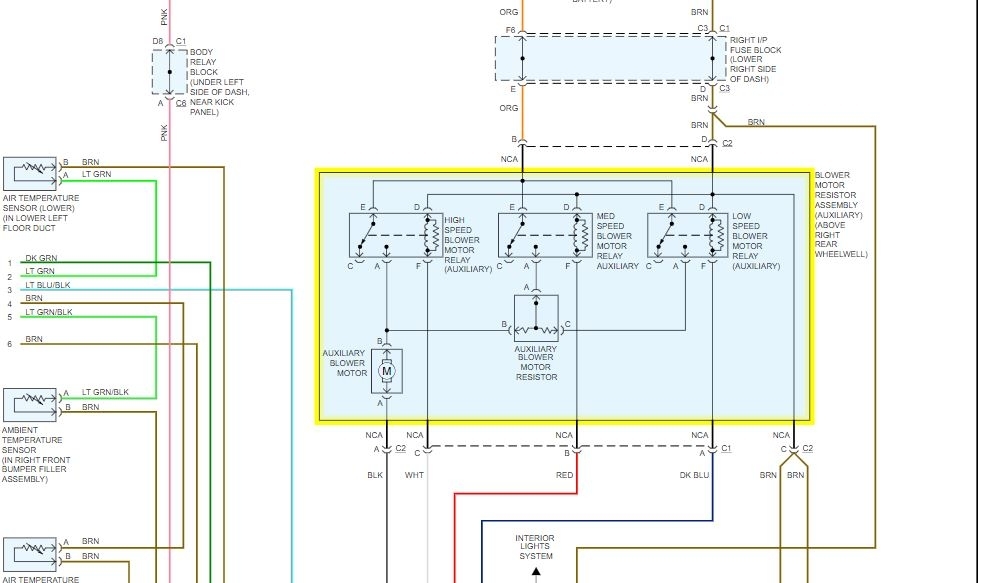
They are behind the right rear inner panel. Once that is removed, they are both right there.

Roy

1. Remove the right rear quarter trim panel.
2. Disconnect the electrical connector from the blower motor resistor.
3. Remove the retaining screws from the blower motor resistor.
4. Remove the blower motor resistor (1) from the vehicle.
Jan 28, 2021 at 9:23 AM (Merged)
Avatar
  • MEMBER
  • 6 POSTS
The rear doesn’t blow air at all. I will try replacing the blower motor and resister. Is that just one piece or is the blower motor and the resister two separate parts?
Jan 28, 2021 at 9:23 AM (Merged)
Avatar
ASEMASTER6371
  • CERTIFIED EXPERT
  • 52,796 POSTS
Two separate parts. They are right next to each other.

Roy
Jan 28, 2021 at 9:23 AM (Merged)
Avatar
  • MEMBER
  • 6 POSTS
Thank you so much. I will replace those and let you know what happens.
Jan 28, 2021 at 9:23 AM (Merged)
Avatar
ASEMASTER6371
  • CERTIFIED EXPERT
  • 52,796 POSTS
You're welcome.

Always glad to help.

Roy
Jan 28, 2021 at 9:23 AM (Merged)
Avatar
  • MEMBER
  • 6 POSTS
I took off the right rear trim interior side panel and saw that the blower motor and everything in there was way dirty probably because I live on a dirt road, so I removed the blower motor and the resister, cleaned it all off real good and boom it’s working now like a charm! Thank you for your help!
Jan 28, 2021 at 9:23 AM (Merged)
Avatar
ASEMASTER6371
  • CERTIFIED EXPERT
  • 52,796 POSTS
You are welcome.

Always glad to help.

Roy
Jan 28, 2021 at 9:23 AM (Merged)