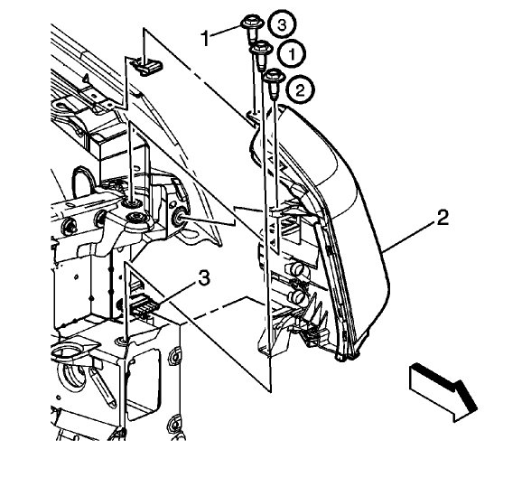
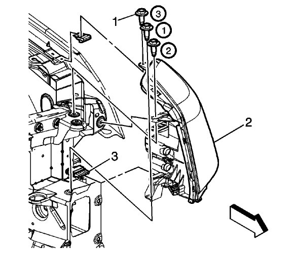
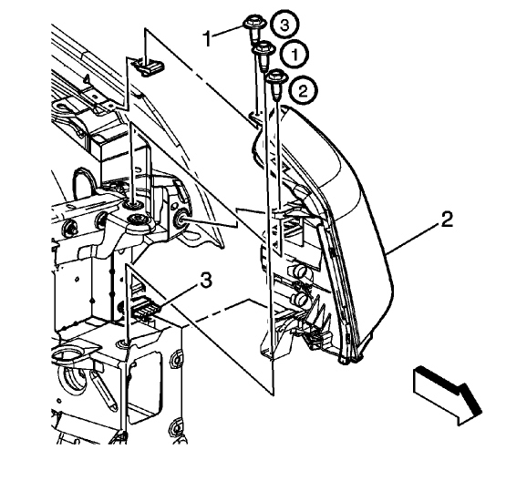
I have a 2006 Cadillac DTS with approximately 93000 miles. The left sides blinker , yellow one has gone out and I need to replace the bulb. I have had no problems with these things on other vehicles in the past however, I have no idea where to start on this vehicle. Any help is appreciated.
Nov 27, 2013 at 5:03 PM




