windshield wiper problems

2006 CADILLAC CTS
2.8L • V6 • RWD • AUTOMATIC
Avatar
MWATTERSON
  • MEMBER
  • 40 POSTS
I just bought this car. Every time I turn on the windshield wipers it sprays window wiper fluid. Do you know what the problem could be? Thanks
Jul 5, 2014 at 4:02 PM
Advertisement
Avatar
HMAC300
  • CERTIFIED EXPERT
  • 48,601 POSTS
Hello,


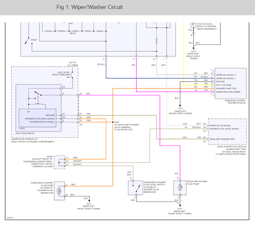
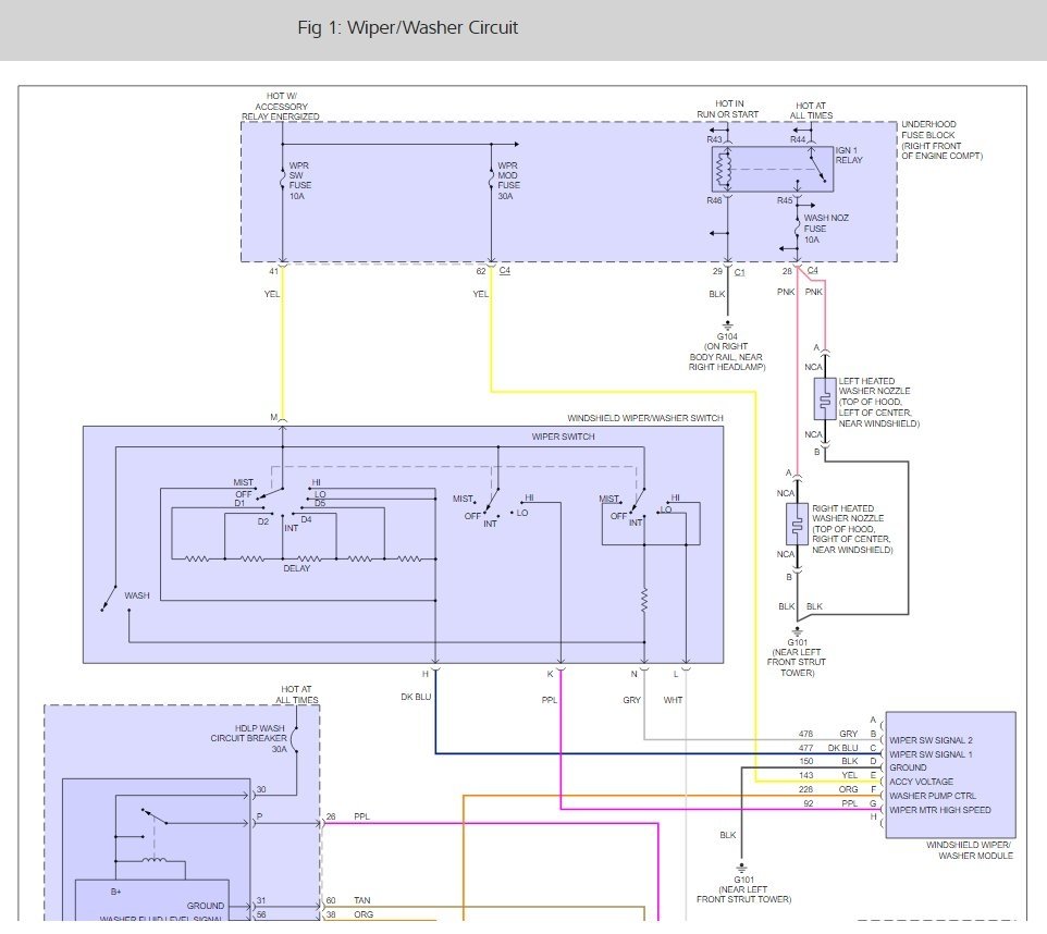
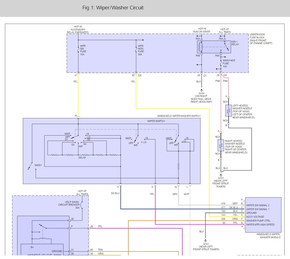
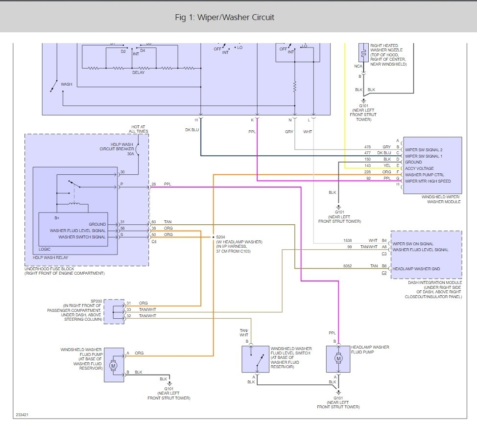
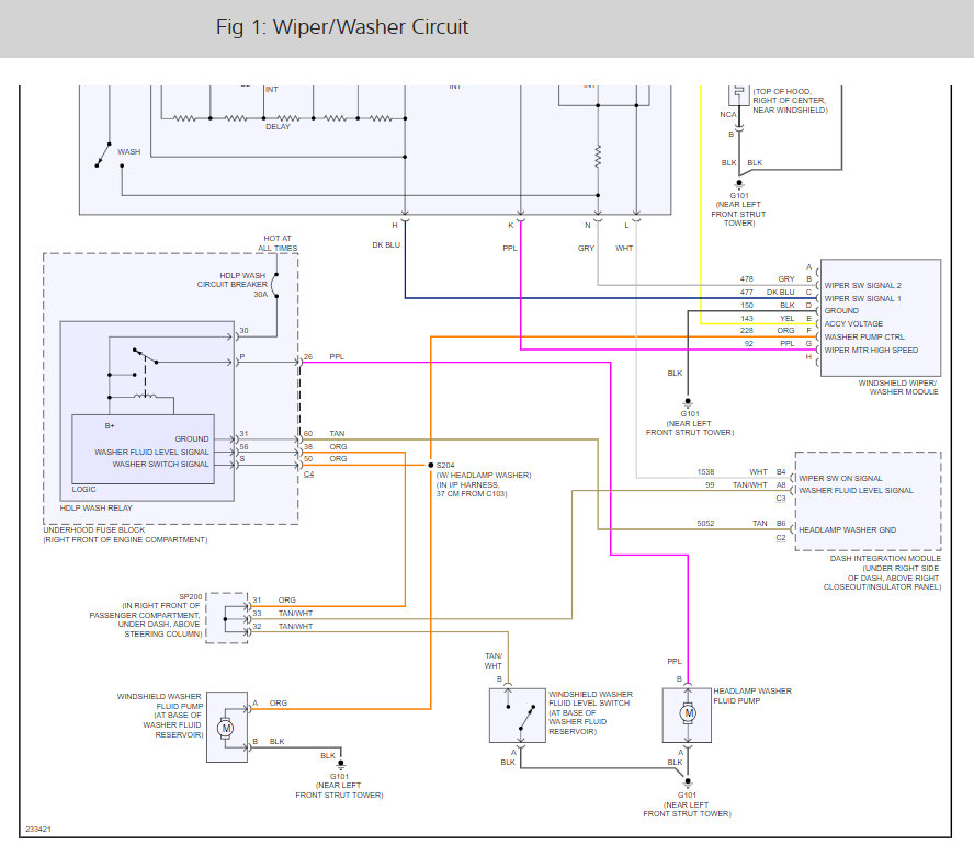
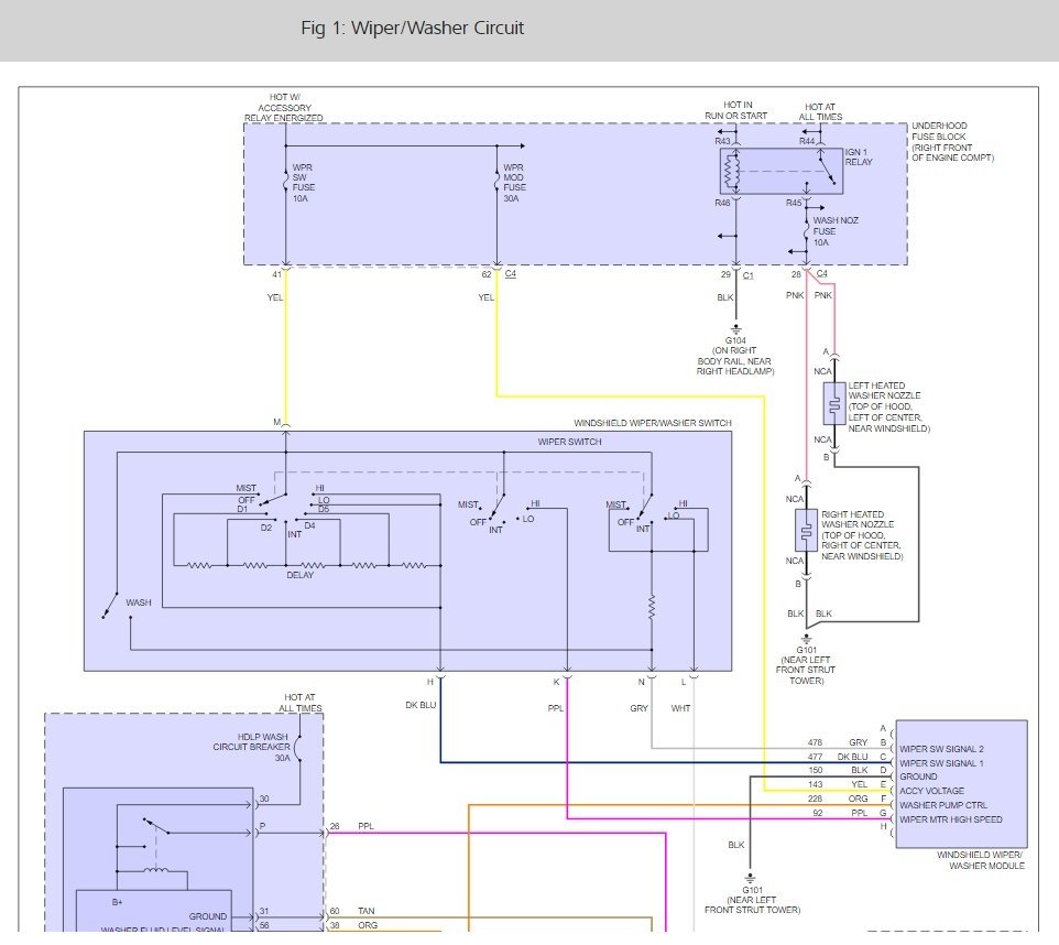
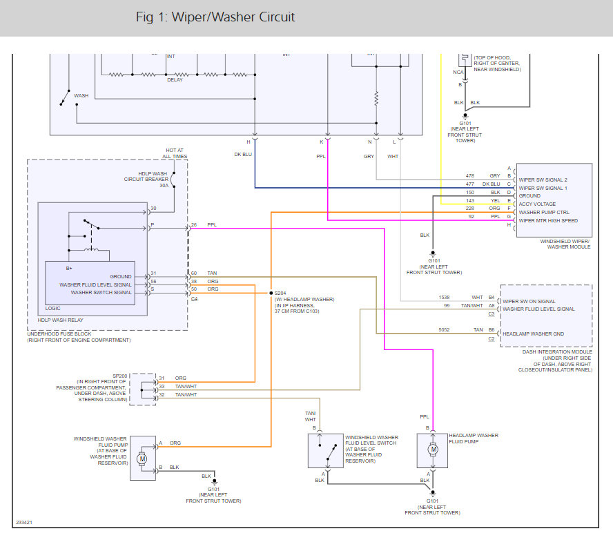
It sounds like the wiper module is out but to be sure here is a guide and the wiper wiring diagrams so you can see how the system works and which wires to test.

https://www.2carpros.com/articles/how-to-use-a-test-light-circuit-tester

Here is the wiper module location as well. Check out the diagrams (Below). Please let us know what you find. We are interested to see what it is.
Jul 5, 2014 at 5:17 PM
Avatar
MWATTERSON
  • MEMBER
  • 40 POSTS
That was a good call on the wiper module I had to get a new one cost me $129.00 all fixed I love this site.
Jul 9, 2014 at 7:22 PM
Advertisement
Avatar
HMAC300
  • CERTIFIED EXPERT
  • 48,601 POSTS
Glad you could get it fixed, that kind of problem can be tough. Please use 2CarPros anytime we are here to help.
Jul 10, 2014 at 7:11 AM
Avatar
MWATTERSON
  • MEMBER
  • 40 POSTS
I just bought this car and when ever I turn on the windshield wipers
It sprays wiper fluid. What could the problem be?
Nov 5, 2019 at 2:37 PM (Merged)
Avatar
STRAILER
  • CERTIFIED EXPERT
  • 53,854 POSTS
Hello,

This is a common problem and it is caused by the wiper module. Here is the location and some wiring diagrams so you can do some testing to confirm.

Please let us know what happens.

Cheers, Ken
Nov 5, 2019 at 2:37 PM (Merged)
Avatar
CODYFORD1981
  • MEMBER
  • 5 POSTS
I had the same issue in my 2004. I had to replace the wiper motor. It cost me $500 at a certified Caddillac Dealership
Nov 5, 2019 at 2:37 PM (Merged)