heater blows cold air

2006 BUICK LUCERNE
117,000 MILES
Avatar
LEONEAL
  • MEMBER
  • 1 POST
I have installed a new radiator, new thermostat, new hoses, and back flushed the heater core. All of the blend door actuators appear to be working properly, What am I overlooking. Could it be the control unit inside the car?
Oct 21, 2013 at 10:35 AM
Advertisement
Avatar
STRAILER
  • CERTIFIED EXPERT
  • 53,854 POSTS
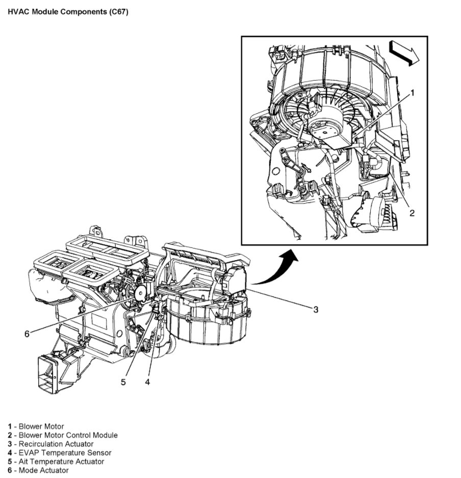
Yes it sounds like it is to be sure let's remove the temperature blend door actuator and with the car running and the system on move the air door pivot you should get it to go from how to cold by moving the pivot.

https://www.2carpros.com/articles/replace-blend-door-motor

This guide can help as well

https://www.2carpros.com/articles/car-heater-not-working

Here are some guides that will help you get the job done (below).

Please let us know what happens.

Cheers, Ken
Nov 22, 2017 at 5:55 PM
Avatar
KATHYISTHEBEST
  • MEMBER
  • 1 POST
That was it ! I replaced the actuator and BAM all fixed thanks 2Carpros!
Nov 22, 2017 at 5:55 PM (Merged)
Advertisement