Engine spits sputters and cuts off

2006 BUICK LUCERNE
170,000 MILES • 3.8L • V6 • 2WD • AUTOMATIC
Avatar
JESSYO3264
  • MEMBER
  • 15 POSTS
My car is the CXL model. Car spits sputters and cuts off, sometimes it will run smooth. I have had a large amount of things changed: spark plugs and wires, coil packs, camshaft sensor, and starter. Please help me.
Apr 8, 2018 at 4:52 PM
Advertisement
Avatar
STRAILER
  • CERTIFIED EXPERT
  • 53,854 POSTS
This sounds like you have low fuel pressure. Here is a guide to help you check the pressure to confirm a weak fuel pump:

https://www.2carpros.com/articles/how-to-check-fuel-system-pressure-and-regulator

Fuel pressure (Key "on", Engine "off") 384-425 kPa (55-61 psi).

We should run the codes as well.

https://www.2carpros.com/articles/checking-a-service-engine-soon-or-check-engine-light-on-or-flashing

Please run down these guides and diagrams and report back.

If it is the pump here is what you are in for when replacing it, you can get an AC Delco pump on Amazon for $216.00.

https://www.amazon.com/gp/product/B001FKZ4L4/ref=as_li_qf_asin_il_tl?ie=UTF8&tag=2carprcom-20&creative=9325&linkCode=as2&creativeASIN=B001FKZ4L4&linkId=8ecbee70a87fa845ecea100f2939bf7d

https://www.2carpros.com/articles/how-to-replace-an-electric-fuel-pump

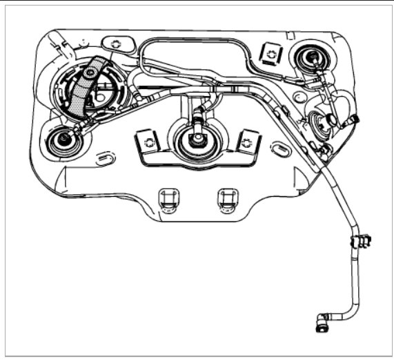
Here is what it will be like for your car.

Cheers, Ken
Apr 10, 2018 at 11:36 AM
Avatar
JESSYO3264
  • MEMBER
  • 15 POSTS
I just removed the spark plugs, I am pretty much at my wits end with this car. The car calls for radium plugs I remove the plugs that are on there now and they are copper plugs. Will that make a difference?
May 11, 2018 at 9:38 AM
Advertisement
Avatar
STRAILER
  • CERTIFIED EXPERT
  • 53,854 POSTS
I would install the spark plugs it calls for and also have you replaced the crankshaft angle sensor? When this sensor goes out it will not trigger a check engine light.

https://www.2carpros.com/articles/crankshaft-angle-sensor-replacement

and

https://www.2carpros.com/articles/how-to-change-spark-plugs
Spark Plug Type GM P/N 12568387

Check out the diagrams (below). Please let us know what happens.

Cheers, Ken
May 11, 2018 at 10:15 AM