No spark to spark plugs?

2006 FORD ESCAPE
106,000 MILES • 2.3L • 4 CYL • 2WD • AUTOMATIC
Avatar
KEN SOWELL
  • MEMBER
  • 2 POSTS
Replaced intake valves, timing chain set, top end gaskets and one bad coil. Fired up and cylinder's two and three are out, power at coil but no spark. Replaced coils but no spark switched coils with number one cylinder still no spark. Runs on cylinder's one and four, but no spark at cylinder's two and three. Twelve volts at cylinder's two and three oils but no spark.
May 27, 2018 at 9:59 PM
Advertisement
Avatar
STEVE W.
  • CERTIFIED EXPERT
  • 15,113 POSTS
Only a few things that will cause that. Bad coils, bad wiring harness between the coils and the PCM or a bad PCM. Your testing shows that it is not the coils. The next thing to do would be to check for the control signal from the PCM. If you look at the wiring there are only the two wires per coil. Power is a common feed to all four on the red wire. The other wire is the trigger wire to the PCM. An easy way to test is to use a NOID light, just plug it into the connector and see if it flashes when you crank the engine.
Another way is to use a simple test light and connect one side to battery possitive and touch the trigger wire for the coil and see if it flashes when the engine cranks.

I would start testing right at the PCM itself. Disconnect the battery and remove the connector that goes to the coils. Check it for corrosion and connection. Reinstall it.
Next check the ground connection to the PCM battery and block.
Now connect the battery back up, connect the test light to battery positive and go to the connection on the PCM where the coil wires connect. Either use a T-Pin or thin wire probe to back probe the wires or just use a needle to punch a hole through the insulation close to the connector. (Use liquid electrical tape to seal it when you are done) Have someone crank the engine and see if you get a flashing light on each wire. If you do there is a break in the wires to the coils, if you do not then the PCM is bad as it is the only ignition controller on that engine.
May 28, 2018 at 8:11 PM
Avatar
KEN SOWELL
  • MEMBER
  • 2 POSTS
Thanks Steve.
Great information you were spot on just a little too late. I pulled the ECU opened it and found coil drivers were fried. Looking for someone to repair the circuit.
Will be back. Good bye.

May 28, 2018 at 9:22 PM
Advertisement
Avatar
STEVE W.
  • CERTIFIED EXPERT
  • 15,113 POSTS
There are places that repair them, but many times you can just pull one from a scrapyard for less and use it for parts. It is also likely that the drivers could be "improved" if you can find the actual part they used and find one that can handle more current than the stock parts.
Either way it's a good thing you found the issue. Most folks do not go to component level repair because the OEM's hide the part numbers really well.
Good luck with the repair, if you find the parts/numbers please post back, it would be a great addition to the site for others.

Thank you for using 2CarPros.com. Please return anytime with your automotive questions.
May 29, 2018 at 8:08 AM
Avatar
ARICJOLLY
  • MEMBER
  • 1 POST
Already checked fuses and relays. changed crank and cam sensors.
Jan 22, 2021 at 11:13 AM (Merged)
Avatar
KASEKENNY
  • CERTIFIED EXPERT
  • 18,907 POSTS
Which engine do you have? This is going to make a difference in potential issue. If you are not getting anything we need to check the PCM operation as it is more then likely powering them. So that could be due to a theft issue so can you ensure the theft light is not on?

Also, we need to check for codes if you have not done so.

https://www.2carpros.com/articles/checking-a-service-engine-soon-or-check-engine-light-on-or-flashing

Thanks
Jan 22, 2021 at 11:13 AM (Merged)
Avatar
AL514
  • CERTIFIED EXPERT
  • 5,465 POSTS
I already had this pulled up for him. But yeah we do need to know if it's a Duratec or not. A 2.3L or 3.0?
Jan 22, 2021 at 11:13 AM (Merged)
Avatar
KEVINMPD02
  • MEMBER
  • 6 POSTS
I have a 04 escape 3.0 there is no spark to the coils at all, I have replaced the cam and crank sensors and still no spark. Not sure where to go next or what my next step should be. Thanks
Jan 22, 2021 at 11:13 AM (Merged)
Avatar
WRENCHTECH
  • CERTIFIED EXPERT
  • 20,761 POSTS
Check that the coil is receiving power first but I have had a couple bad computers on the 3.0 Escapes with spark lost but usually only to one cylinder.
Jan 22, 2021 at 11:13 AM (Merged)
Avatar
KEVINMPD02
  • MEMBER
  • 6 POSTS
Ok how do I check to see if it's getting power
Jan 22, 2021 at 11:13 AM (Merged)
Avatar
WRENCHTECH
  • CERTIFIED EXPERT
  • 20,761 POSTS
With a voltmeter or a test light at the coil.
Jan 22, 2021 at 11:13 AM (Merged)
Avatar
KEVINMPD02
  • MEMBER
  • 6 POSTS
Ok thanks I'll check it out in the morning.
Jan 22, 2021 at 11:13 AM (Merged)
Avatar
KEVINMPD02
  • MEMBER
  • 6 POSTS
The wires coming to the coils dose not have power.
Jan 22, 2021 at 11:13 AM (Merged)
Avatar
WRENCHTECH
  • CERTIFIED EXPERT
  • 20,761 POSTS
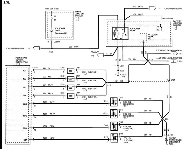
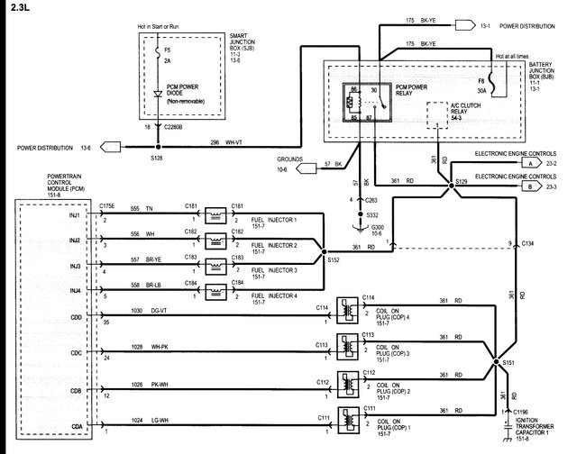
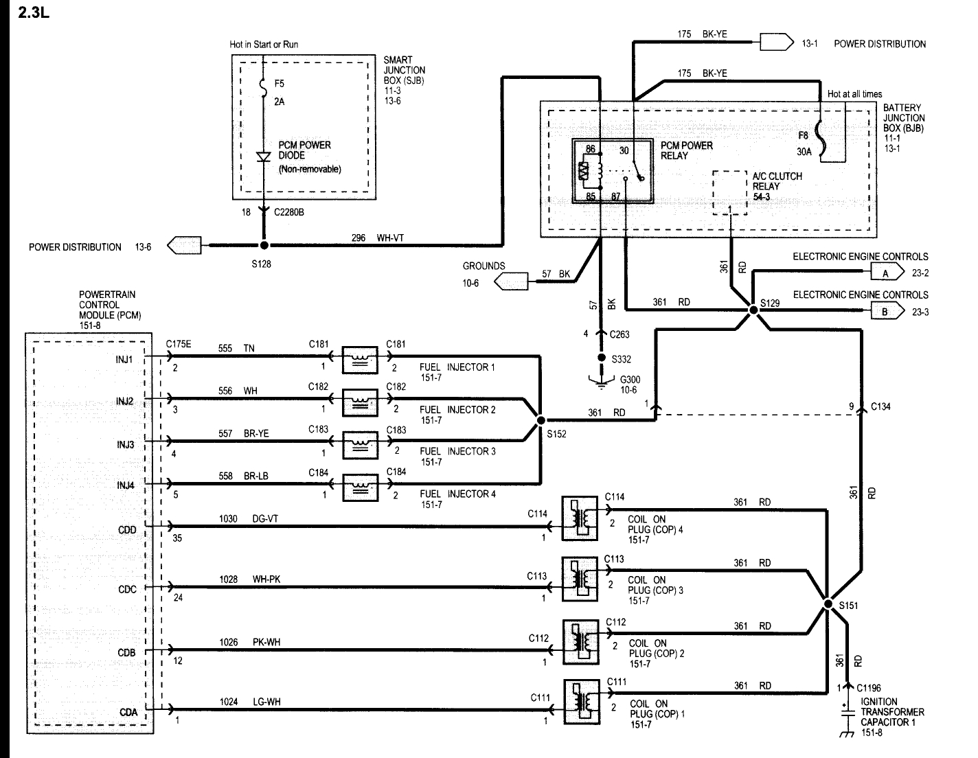
The power to the coils is supplied by the system main relay, called the PCM power relay. Check the fuses that power this relay in the diagram. http://i1198.photobucket.com/albums/aa448/Wrenchtech/107198225.jpg.gif https://www.2carpros.com/images/external/107169986.jpg.gif
Jan 22, 2021 at 11:13 AM (Merged)
Avatar
BPAUTO
  • MEMBER
  • 2 POSTS
There is no fire to any of the spark plugs. The engine turns over fine. I have replaced the cam sensor and the crank sensor and still no fire to any of the spark plugs. There is fire to the coils but no fire to the spark plugs. Any suggestions? I am hoping the problem is not the computer.
Jan 22, 2021 at 11:13 AM (Merged)
Avatar
BMRFIXIT
  • CERTIFIED EXPERT
  • 19,053 POSTS
[quote:c649d582de="bpauto"]Electrical problem
2004 Ford Escape 6 cyl Four Wheel Drive Automatic 90000 miles
----------------------------------------------------------------
There is no fire to any of the spark plugs. The engine turns over fine. I have replaced the cam sensor and the crank sensor and still no fire to any of the spark plugs. There is fire to the coils but no fire to the spark plugs. Any suggestions? I am hoping the problem is not the computer.[/quote:c649d582de]

if you have spark at the coil that mean the spark plugs wires no good
so it a tune up and if the spark not strong enough change the coil
good luck
Jan 22, 2021 at 11:13 AM (Merged)
Avatar
KEVINMPD02
  • MEMBER
  • 6 POSTS
Ok checked all fuses and are all good
Jan 22, 2021 at 11:13 AM (Merged)
Avatar
BPAUTO
  • MEMBER
  • 2 POSTS
Thanks for trying to solve this problem. This car does not have spark plug wires coming from the coils so this is not a possible solution. The coils go directly to the spark plugs. I used a test light and determined there is power coming to the coils but the coils are not firing the spark plugs. I suspect the problem is the computer that signals the coils to fire the spark plugs but since the computer is an expensive item I wanted to make sure that is the problem before going to that expense.
Jan 22, 2021 at 11:13 AM (Merged)
Avatar
WRENCHTECH
  • CERTIFIED EXPERT
  • 20,761 POSTS
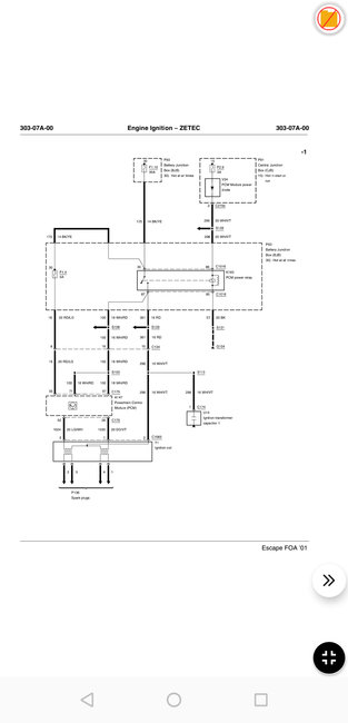
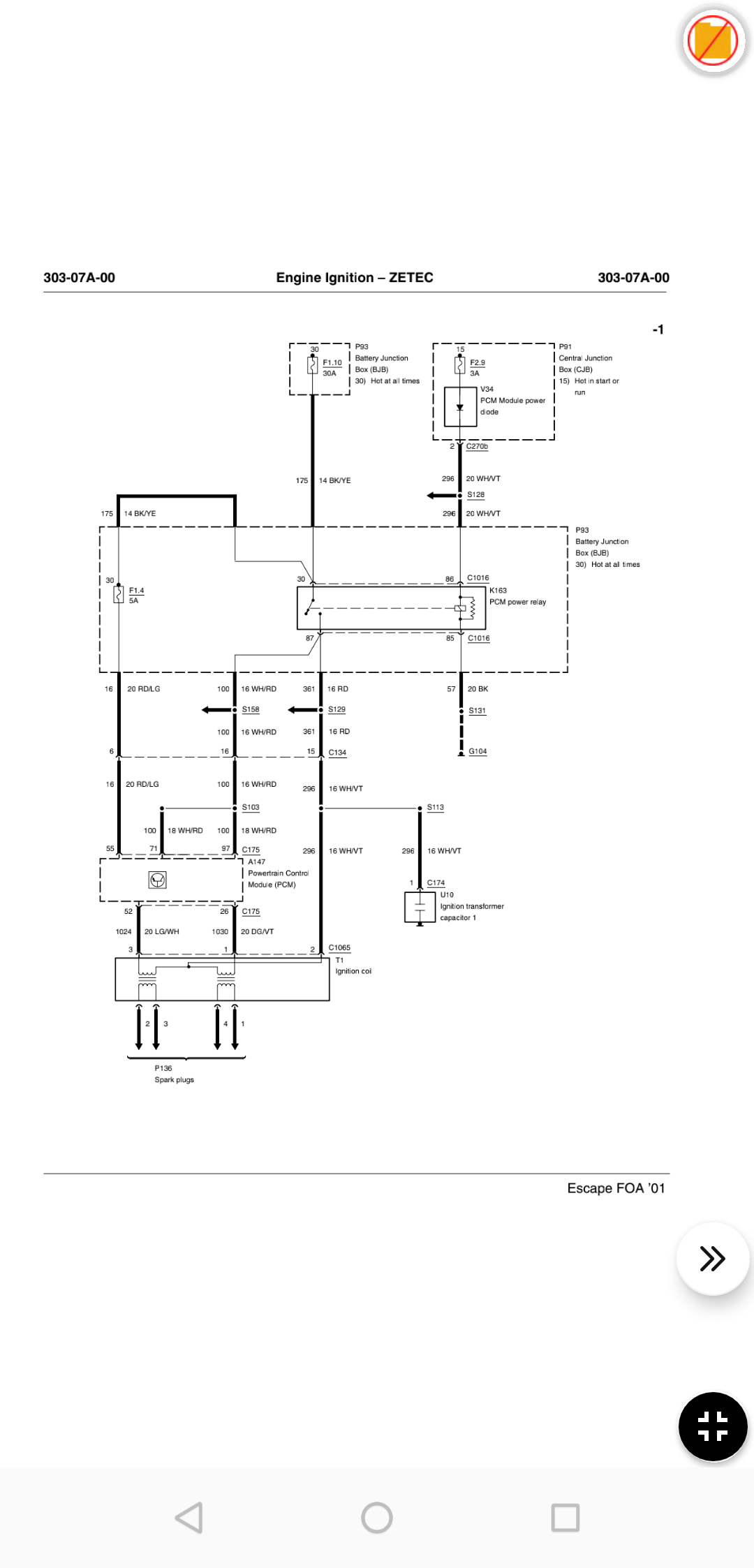
I gave you the wiring diagram. You are going to have to troubleshoot the circuit using that t determine where the power is being lost. The lead coming off that relay marked "A" goes to the coils. https://www.2carpros.com/images/external/107198226.jpg.gif
Jan 22, 2021 at 11:13 AM (Merged)
Avatar
BMRFIXIT
  • CERTIFIED EXPERT
  • 19,053 POSTS
so you don’t have spark out of the coil
----------------------------------------------------------
you have power to the coil (are you sure )
pull the coil out and check for spark when cranking
let me know
did you check for injector pulse ?
did you check for codes ?
you need to use a scanner let me know if you have access to one
Jan 22, 2021 at 11:13 AM (Merged)
Avatar
KEVINMPD02
  • MEMBER
  • 6 POSTS
Ok thanks
Jan 22, 2021 at 11:13 AM (Merged)
Avatar
ANTHONY BESHIRES
  • MEMBER
  • 1 POST
When replacing the cam and crank sensor , be careful not to rotate the connector before plugging connector onto sensor.The wiring has a tendency to be short and stiff due to age.twisting the connector can result in the harness connector twisting the 2 wires together in the end of the connector and short out the sensor output signal. Resulting in the engine to not fire at all.I had this problem on the crank sensor
Jan 22, 2021 at 11:13 AM (Merged)
Avatar
STRAILER
  • CERTIFIED EXPERT
  • 53,854 POSTS
Excellent addition to this thread! Please feel free to help out whenever you are on the site :)
Jan 22, 2021 at 11:13 AM (Merged)