Tried jumping another vehicle, cables were crossed. Big spark now car will not crank over.
Had battery tested-okay.
Starter tested-bad and replaced.
Checked and tested all relays - good.
Checked all fuses-good.
Changed ignition module.
All dash lights come on when key is turned to start, everything goes out when turn to start the car.
Also, fuel gauge does not move.
Headlights dim a bit but not much when key is turned to start.
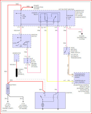
Checked for 12 volts at S terminal of starter-nothing.
Ran 12 volts from battery directly to S terminal of starter- tries to crank.
Ohmed out cable from fuse box to S terminal of starter-cable good.
Everything I see says to replace/test neutral safety switch or ignition module.
Tried putting car in neutral, same thing - no crank.
Looking for schematic for starting system or any guidance.
Thanks!
Had battery tested-okay.
Starter tested-bad and replaced.
Checked and tested all relays - good.
Checked all fuses-good.
Changed ignition module.
All dash lights come on when key is turned to start, everything goes out when turn to start the car.
Also, fuel gauge does not move.
Headlights dim a bit but not much when key is turned to start.
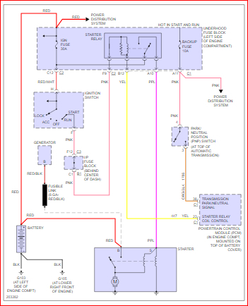
Checked for 12 volts at S terminal of starter-nothing.
Ran 12 volts from battery directly to S terminal of starter- tries to crank.
Ohmed out cable from fuse box to S terminal of starter-cable good.
Everything I see says to replace/test neutral safety switch or ignition module.
Tried putting car in neutral, same thing - no crank.
Looking for schematic for starting system or any guidance.
Thanks!
Jul 21, 2018 at 8:10 AM




