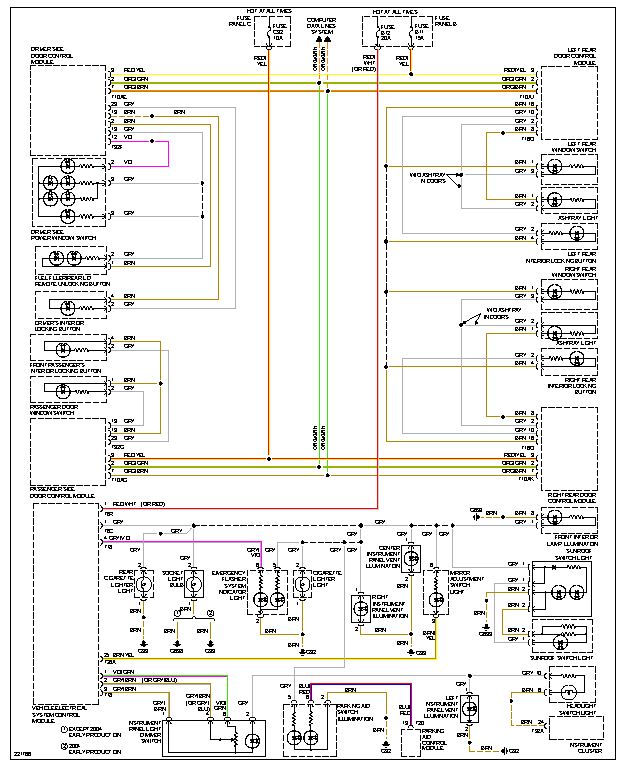
The only wiring issues might be in the dimmer switch itself or the ground. The ground is probably okay and you would possibly have other "quirky" electrical issues if it were bad. If you have had a leak or something that could have corroded it you might check it, but I am giving you the ground information as it is a possibility and the dimmer switch is usually expensive. It is the prime candidate and I don't have any test specification s to test it. Look at the right bottom of the diagram. The wire that goes to the instrument cluster is Brown and is dashed and numbered 12. It switches from solid Brown, numbered 6, then grounds out and switches to dashed. I would have given you the wiring diagram for the cluster circuit, but it only shows the #12 wire going straigt into ground. The T32A designation is for the particular connector terminal, so don't let that confuse you.
I am giving you the lighting circuit diagram to help you find the ground location. Check the wiring and see if you can find the terminal under the dash and trace it to its ground, and then check it for a good metal to metal corrosion free connection.
If it is not the ground, I would rule that out first as the parts are expensive, it is either the Headlight switch or the Dimmer switch.
Jun 4, 2012 at 4:26 PM