Trunk release on new Beetle

2005 VOLKSWAGEN BEETLE
33 MILES • 4 CYL • FWD • AUTOMATIC
Avatar
CHESTERCAT
  • MEMBER
  • 1 POST
The trunk release has stopped working on the drive side door and both key fobs. The button for gas door still works fine and key fobs still work on the door locks. :( car Does not even appear to have a way to open trunk manually with key.
May 4, 2011 at 12:03 AM
Advertisement
Avatar
STRAILER
  • CERTIFIED EXPERT
  • 53,854 POSTS
It sounds like a fuse is out #14 or #144 in which case you should replace the lock motor. Here are some guides on where the fuses are and how to change the lock motor out.

How to check the fuse.

https://www.2carpros.com/articles/how-to-check-a-car-fuse

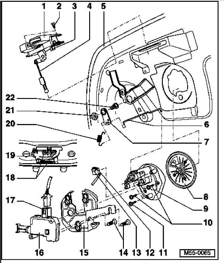
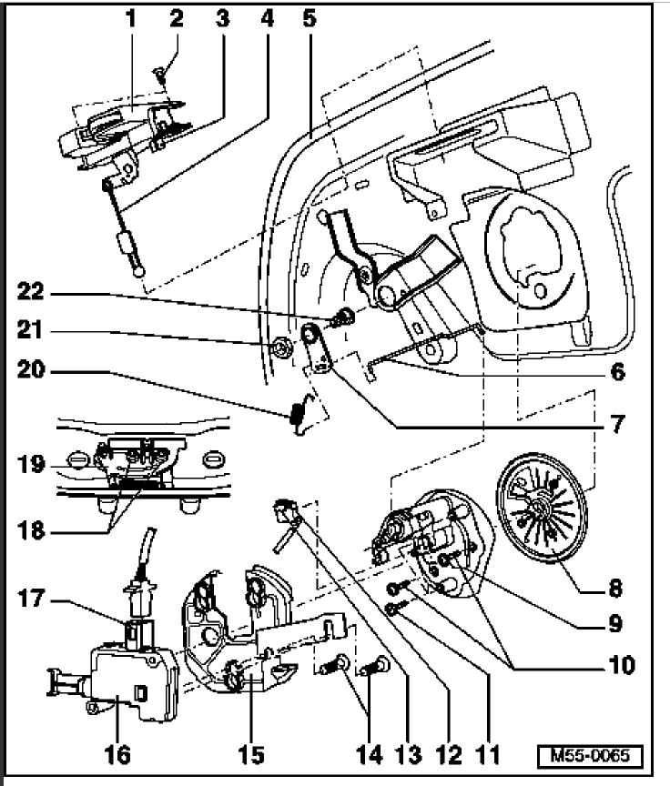
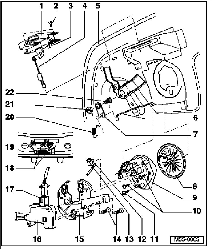
Once the plastic trim is off, you can open the trunk by pulling on the release rod that is attached to the lock.

With the trunk lid open, you can more easily work on testing and removing the release motor.

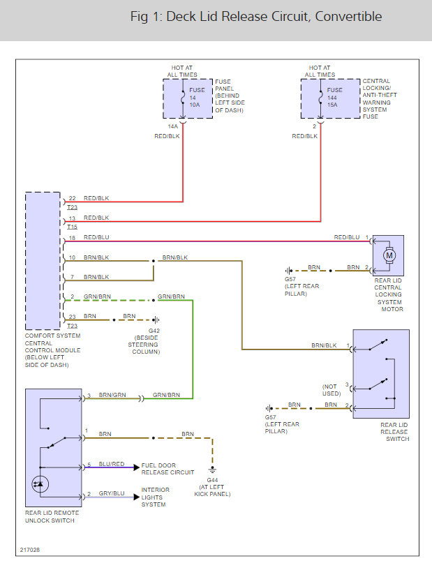
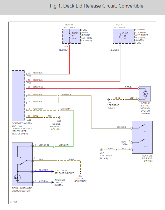
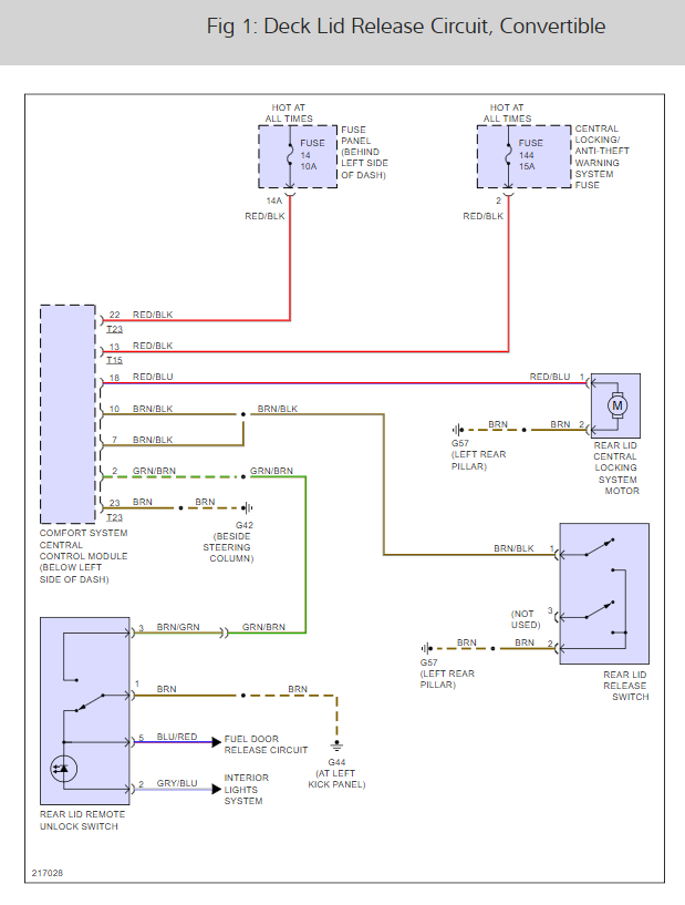
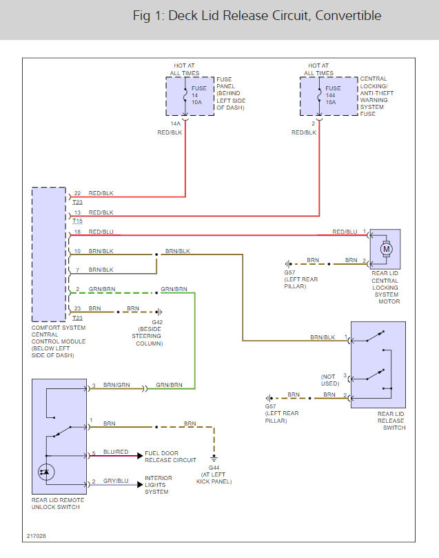
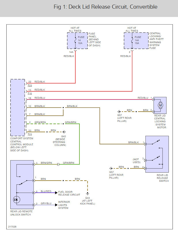
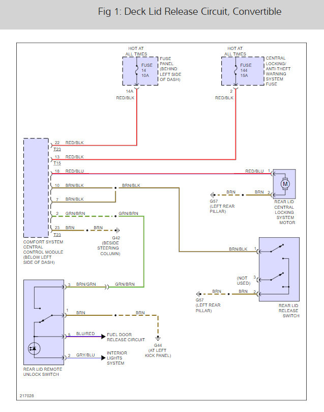
Here is the wiring diagrams so you can see how the system works.

Cheers, Ken
Aug 22, 2017 at 9:39 PM
Avatar
EDCPUS
  • MEMBER
  • 1 POST
I had this problem it was the fuse # 14. Thanks for the guide. I love this site all for free God bless you guys.
Jun 18, 2018 at 2:23 PM
Advertisement
Avatar
JWISLO
  • MEMBER
  • 2 POSTS
Hi where is fuse 144 ? I have checked fuse 14 and it is fine. Also as interior lights are not working I am thinking the comfort control module is faulty??
Jan 28, 2019 at 12:22 PM
Avatar
STRAILER
  • CERTIFIED EXPERT
  • 53,854 POSTS
Hello,

Your right the comfort control module could be faulty if fuse 144 (g) is okay here is the fuse locations and thr guide to help test it. Also here is the location of the comfort control module and the wiring diagrams so you can see how the system works.

https://www.2carpros.com/articles/how-to-check-a-car-fuse

Check out the diagrams (Below). Please let us know what happens.
Jan 28, 2019 at 2:32 PM
Avatar
JWISLO
  • MEMBER
  • 2 POSTS
Hi is the CCM on a RHD behind the glove box on the left or is it under the steering wheel on the right . Thanks
Feb 2, 2019 at 5:03 AM
Avatar
STRAILER
  • CERTIFIED EXPERT
  • 53,854 POSTS
Nice work, we are here to help, please use 2CarPros anytime.
Feb 2, 2019 at 1:30 PM