2005 SATURN RELAY
100,000 MILES
Avatar
ANONYMOUS
  • MEMBER
  • 1 POST
Where do I find the fuel filter in my 2005 Saturn Relay AWD and how do I change it?
Apr 4, 2013 at 6:13 PM
Advertisement
Avatar
STRAILER
  • CERTIFIED EXPERT
  • 53,854 POSTS
The only fuel filter this car has is int he tank before the fuel pump some would call it a strainer. To replace it you will need to drop the tank down. Here is a guide that will give you an idea on what you are in for.

https://www.2carpros.com/articles/how-to-replace-an-electric-fuel-pump

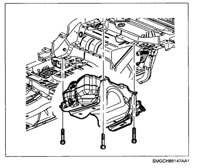
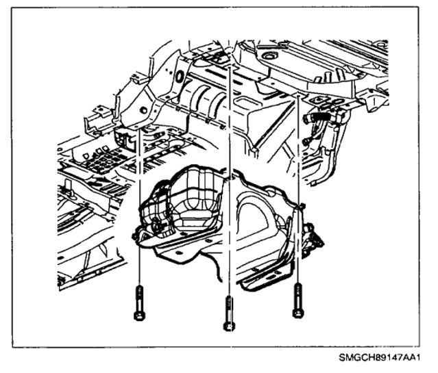
Here are some diagrams on what it will be like on your car.

Please let us know what happens so it will help others.

Cheers, Ken
Aug 24, 2017 at 6:59 PM