☰
Login
Join
×
Home
Answered Questions
Repair Topics
Repair & Service Guides
Popular Questions
Warning Lights
Trouble Codes
How It Works
Testing / Diagnostics
Symptoms
Videos
Login
Become a Member
Home
Saturn
Relay
Body
Wiper
Rear
Not Working
Rear Wiper Doesn't Work
2005 SATURN RELAY
81,000 MILES • 6 CYL • FWD • AUTOMATIC
MLAMB1759
MEMBER
1 POST
FOLLOW
My rear wiper does not work. The washer fluid does flow through but the wiper does not move. Would this be a motor issue or something else?
Aug 11, 2010 at 6:18 PM
Advertisement
BLUELIGHTNIN6
CERTIFIED EXPERT
16,542 POSTS
possibly as simple as a faulty fuse. check fuses and relays first before venturing deep into the wiper system.
Read the guides below on testing a relay and using a test light, they will help
https://www.2carpros.com/articles/how-to-check-an-electrical-relay-and-wiring-control-circuit
https://www.2carpros.com/articles/how-to-use-a-test-light-circuit-tester
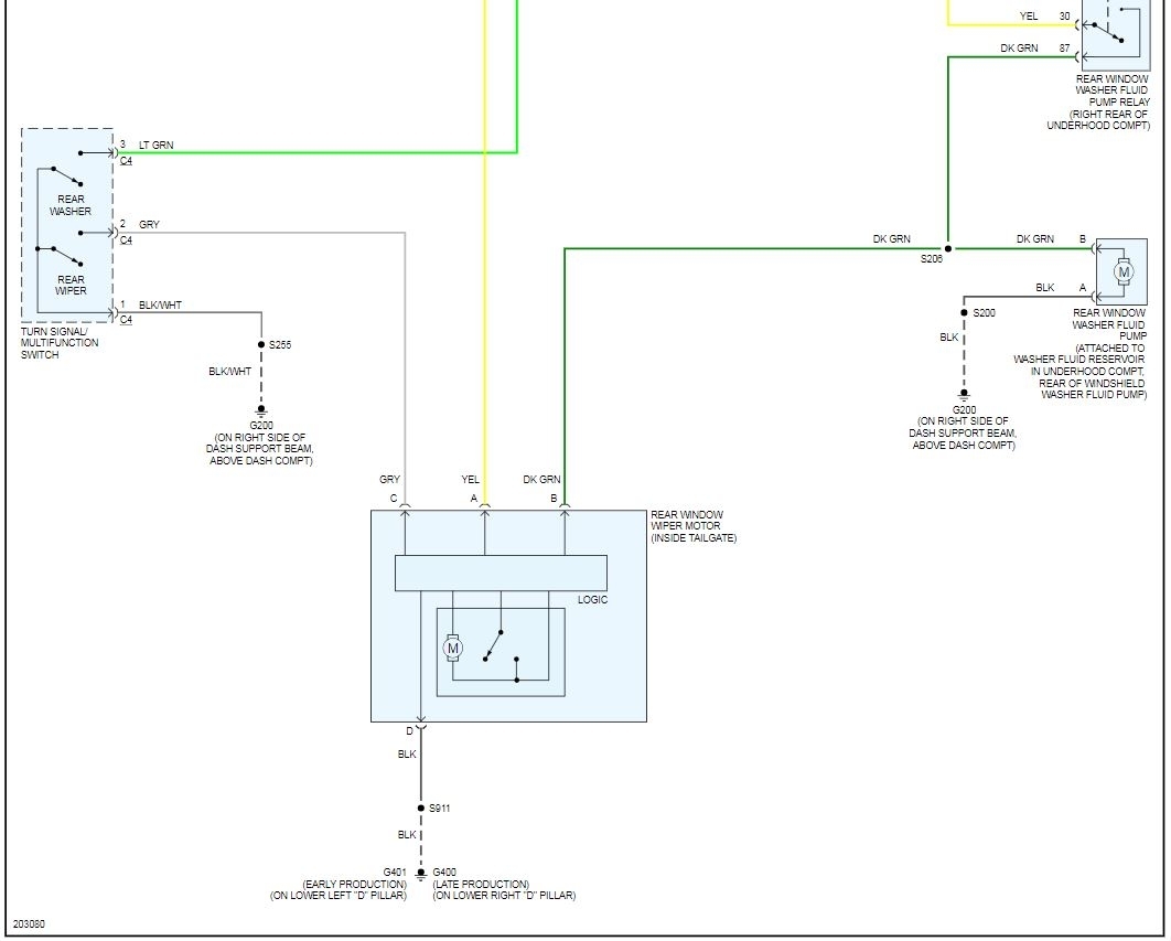
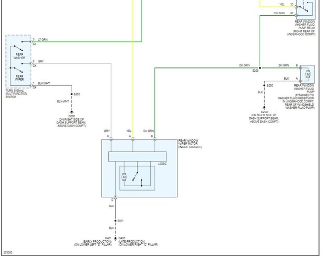
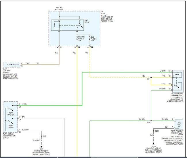
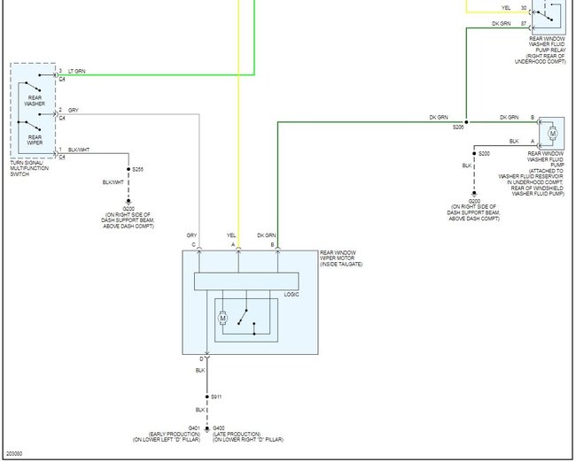
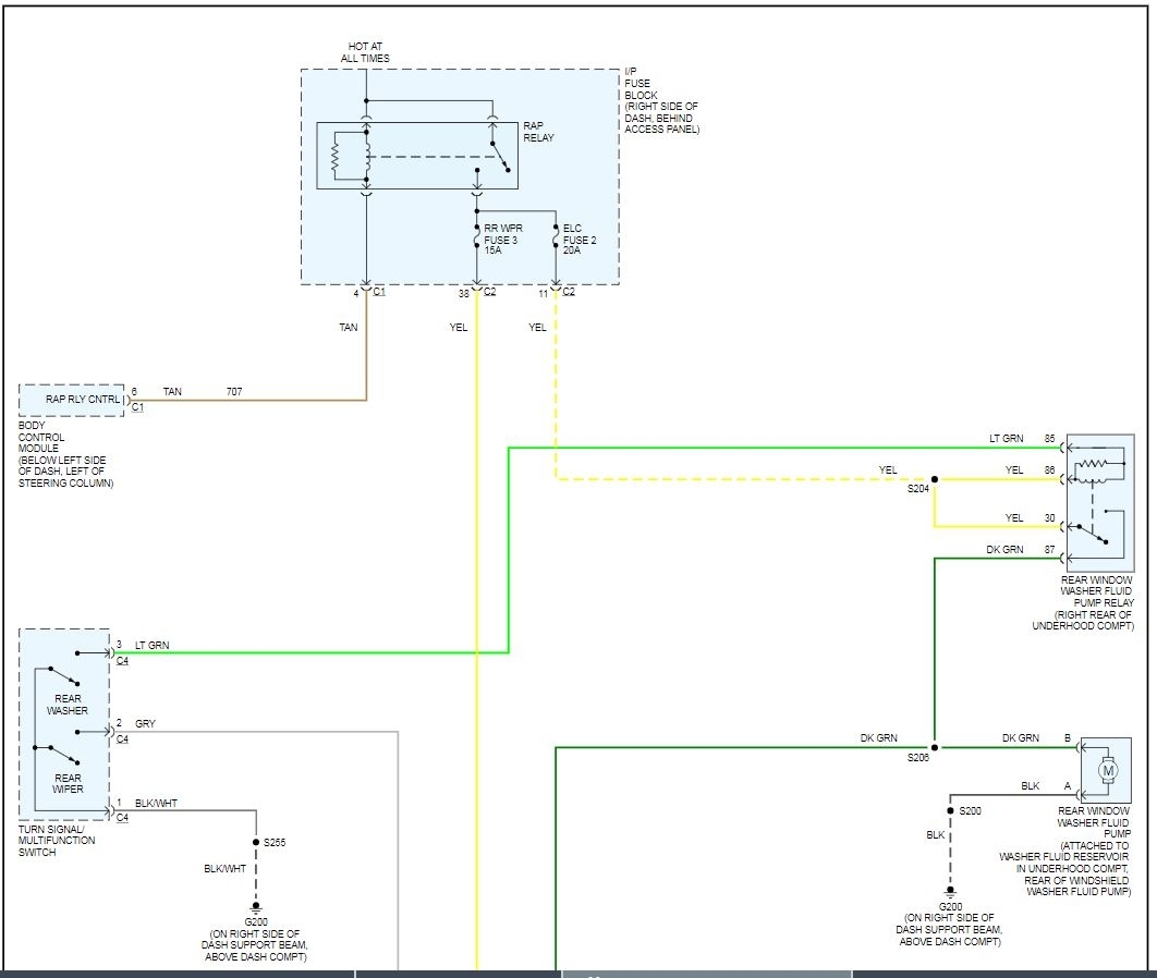
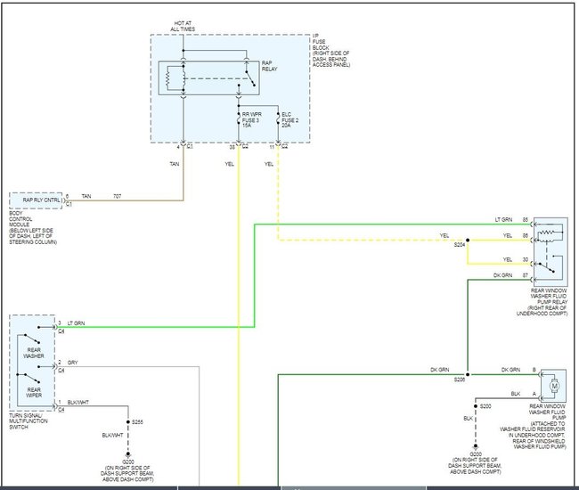
Attached below are the wiring diagrams for your rear wipers, as stated previously, start simple (fuses-relays)
Images (Click to enlarge)
Aug 11, 2010 at 10:43 PM
WK75
MEMBER
1 POST
I have same problem with my Relay. Were you ever able to fix the rear wiper? I'm thinking it's the motor.
Dec 7, 2011 at 5:42 PM
Advertisement