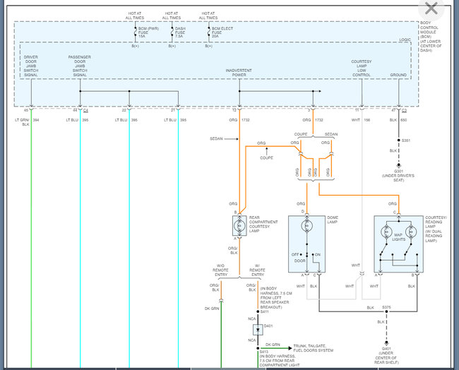
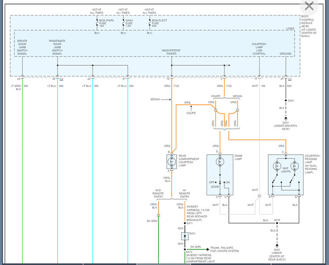
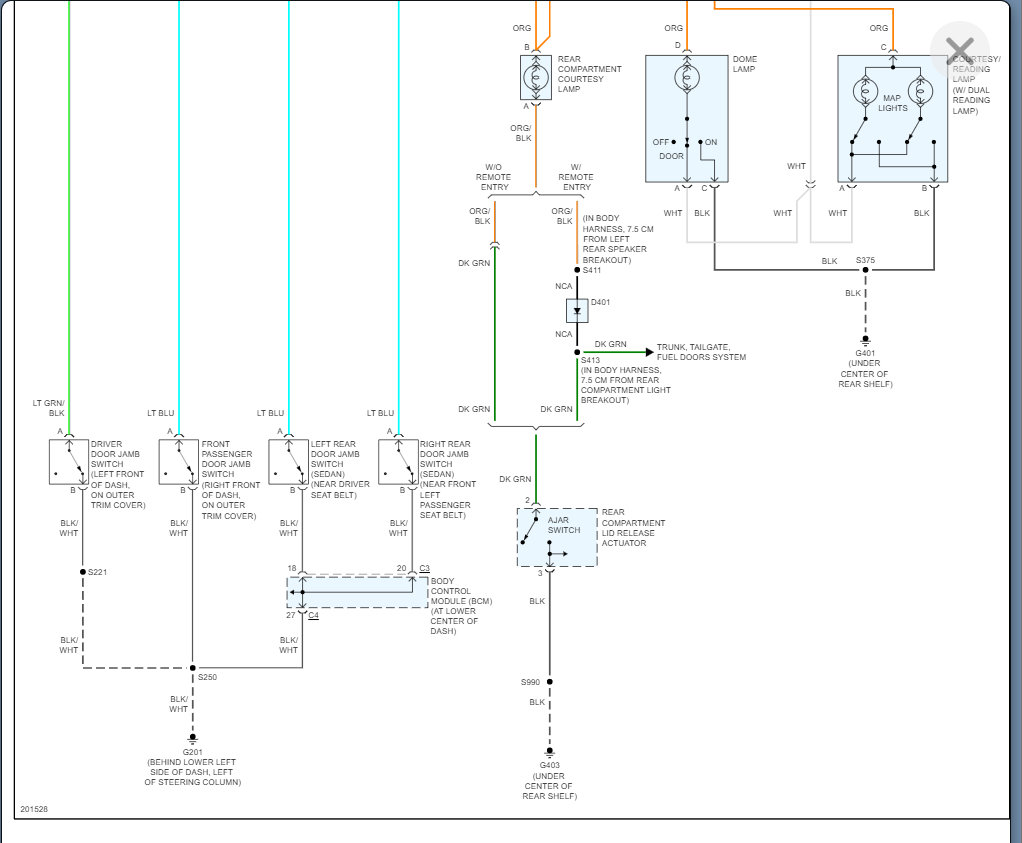
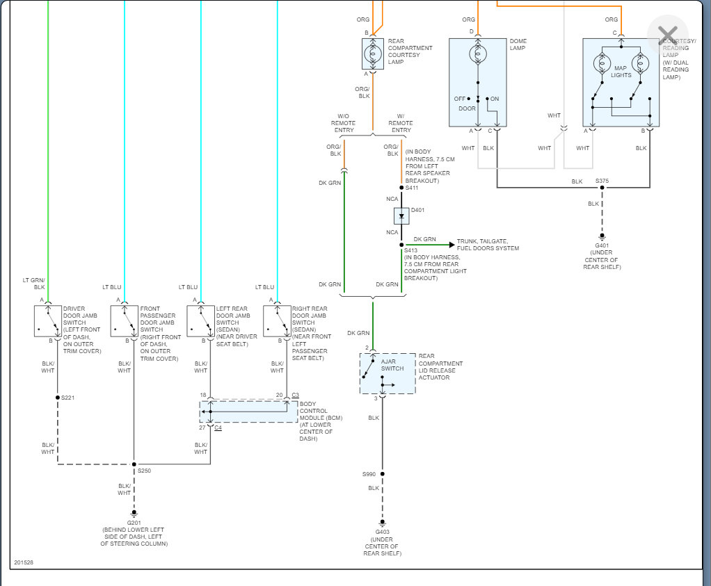
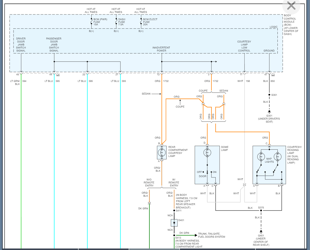
One of the vehicles in our family is a 2005 saturn Ion which has has approximately 77,000 miles. The reading lights and dome light on this Saturn Ion stay on most of the time and the car alarm will go off. The dome light can be manually turned off, but the reading lights will not turn off. One time the lights did turn off but came back on for no reason. The vehicle was taken it to one company and they thought it was a faulty door switch, which they replaced. This did not alleviate the problem. The only way to turn the lights off is to disconnect the battery. We would appreciate if someone could tell us how to solve this problem without replacing the BCM. Thank you.
Jim
Jim
Nov 18, 2013 at 10:02 AM










