Blown tail light fuse

2005 PONTIAC VIBE
75,000 MILES
Avatar
ROBH693
  • MEMBER
  • 7 POSTS
Can the DRL relay on a 2005 Pontiac Vibe cause the tail lamp fuse to blow? The fuse keeps blowing but the headlights come on as expected when you start the car (DRL). Turning the headlights on when the car is off via the stalk also turns on the headlights. The dash light that indicates that the headlights are on at night (as opposed to just the DRL's) does not come on as expected during the dark but, since headlights are on, I can assume that this is still the DRL's active. I pulled all the bulbs, they are good. No changes/modifications have been made to the vehicle. All other fuses are good both under the hood and under the dash. The emergency brake is never used but I pulled it several times because I was aware of the switch there.
Dec 12, 2011 at 9:15 PM
Advertisement
Avatar
SATURNTECH9
  • CERTIFIED EXPERT
  • 30,869 POSTS
Lets start with what is the fuse labeled that is blowing?
Dec 12, 2011 at 10:00 PM
Avatar
ROBH693
  • MEMBER
  • 7 POSTS
It is the 15 amp Tail light fuse located under the dash. I replaced it with another 15 and that also blew. A 20 amp fuse also blew, then against my better judgement, I put in a 30 amp and quickly turned on the lights to see if they worked and they did, that fuse did not blow and I removed it.
Dec 12, 2011 at 10:06 PM
Advertisement
Avatar
SATURNTECH9
  • CERTIFIED EXPERT
  • 30,869 POSTS
So it blows the moment you turn on parking/running lights?
Dec 12, 2011 at 10:12 PM
Avatar
ROBH693
  • MEMBER
  • 7 POSTS
Yes, instantly. As soon as I turn the stalk to the first position (parking lights) it blows. I can continue to the second position and that still turns on the headlights (but no parking lights) (with the car off, if I had the car running, the DRL's would be on and I couldn't tell if it was them on or the actual headlights).
Dec 12, 2011 at 10:16 PM
Avatar
SATURNTECH9
  • CERTIFIED EXPERT
  • 30,869 POSTS
Usually a instant blowing of the fuse is a dead short on the power side.Do you have a multimeter to do some testing?
Dec 12, 2011 at 10:22 PM
Avatar
ROBH693
  • MEMBER
  • 7 POSTS
yes
Dec 12, 2011 at 10:23 PM
Avatar
SATURNTECH9
  • CERTIFIED EXPERT
  • 30,869 POSTS
Remove the fuse one side of the fuse holder will have power the other side wont.Side that has no power is the side you need to check.Put the multimeter on low ohms scale setting then ground the black lead of the meter.Then use the read lead to check the nonpower side of the fuse holder for a short to ground.Then turn the switch to the on position for the parking lights and see if there is a short to ground.
Dec 12, 2011 at 10:37 PM
Avatar
ROBH693
  • MEMBER
  • 7 POSTS
I got a reading of 172.
Dec 13, 2011 at 3:57 PM
Avatar
SATURNTECH9
  • CERTIFIED EXPERT
  • 30,869 POSTS
Alright some of that can just be reading to ground thru the element of the blubs.There is basicially a few ways to go about this one to tearing apart the whole car looking for the issue.A very timely and not really the best choice.There is also to buy a circuit tracer which is about the best choice you would hook it in where the fuse goes it reads out out on the box if you have a open circuit or short to ground.Then you use the wand to follow the signal which is sent down the wires.where the signal stops is where the short is or if you were tracing a open it would stop.Then there is the spliting the circuit up into sub circuits with small 5amp fuses and see which fuse pops and then you can narrow down which part of the sub circuit has the short to ground.Then you will have to start tearing the car apart looking for it.Non of the three ways mentioned is going to be easy the easiest way is with the circuit tracer.Which way would you like to try?
Dec 13, 2011 at 6:19 PM
Avatar
ROBH693
  • MEMBER
  • 7 POSTS
Since I should only be dealing with the 4 corners of the car, and it is a bare bones Vibe, I'm going to trace the wires back from the bulbs.
Dec 13, 2011 at 6:23 PM
Avatar
SATURNTECH9
  • CERTIFIED EXPERT
  • 30,869 POSTS
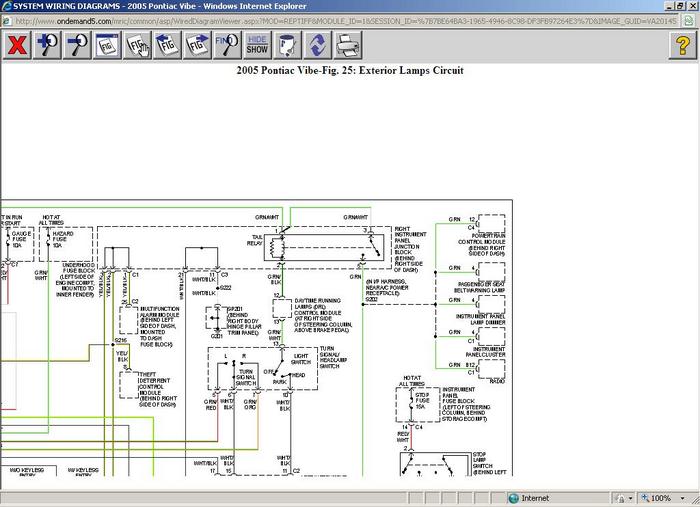
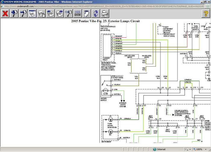
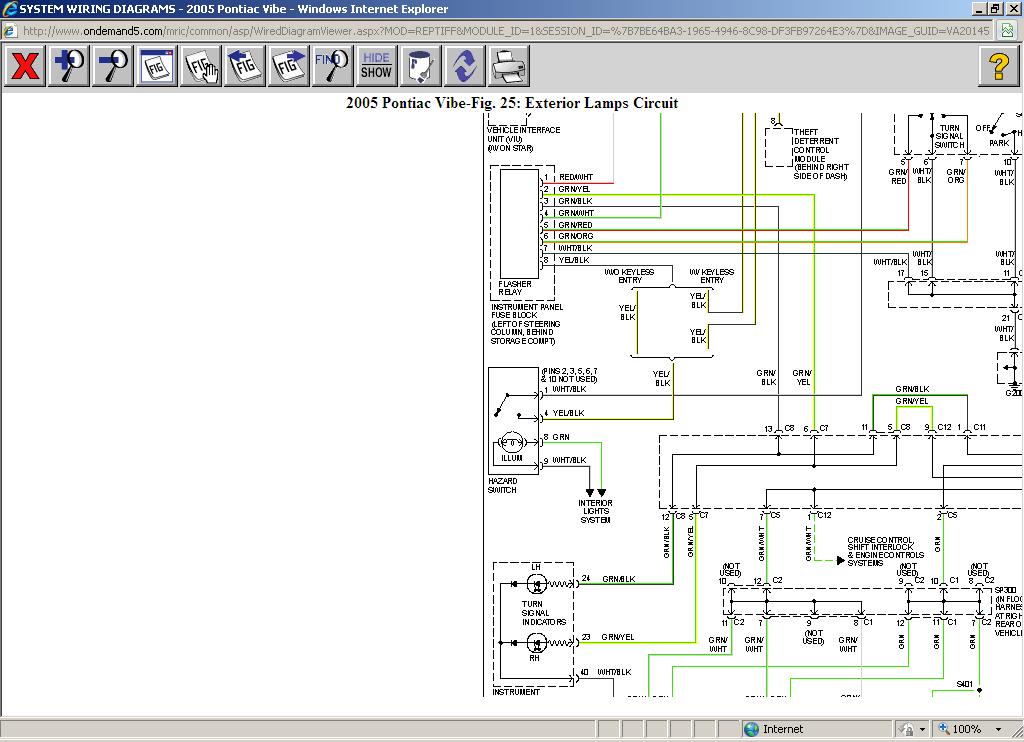
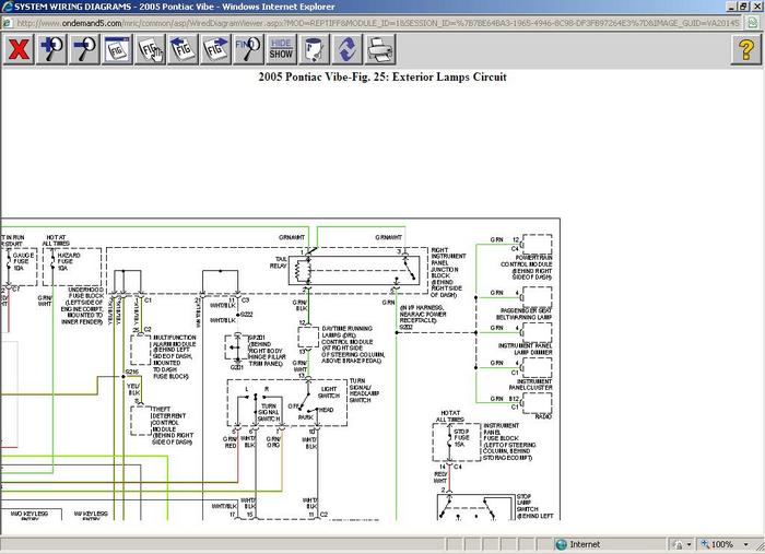
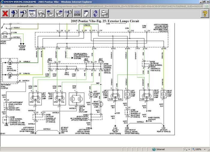
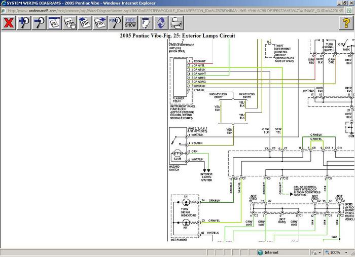
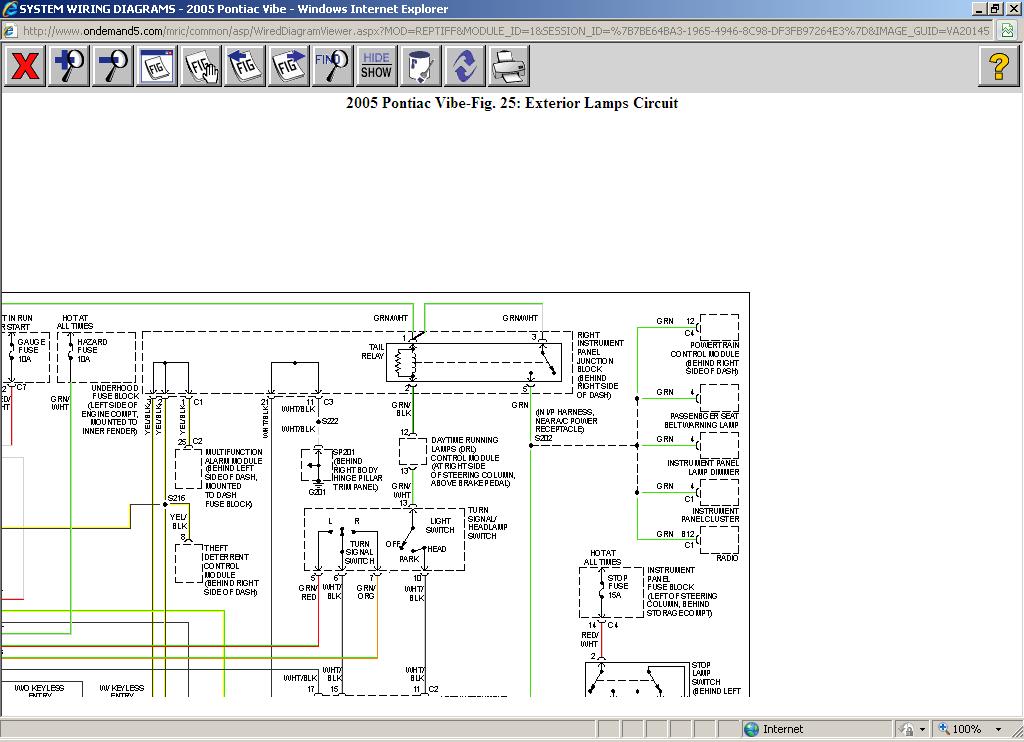
That fuse power the dash lights radio back inside back lights passenger seat belt warning lamp your plate light it goes from the fuse to the tail light relay and branches off from there.
Dec 13, 2011 at 6:36 PM
Avatar
ROBH693
  • MEMBER
  • 7 POSTS
ok, Off to begin.
Dec 13, 2011 at 6:38 PM
Avatar
SATURNTECH9
  • CERTIFIED EXPERT
  • 30,869 POSTS
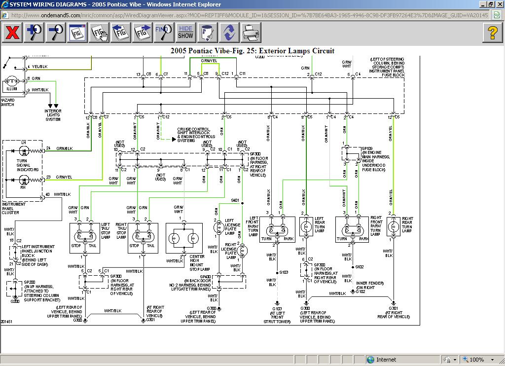
Follow the green wire in the diagrams it powers all the back light inside illumation etc.Let me know what you find.
Dec 13, 2011 at 6:44 PM
Avatar
VMR
  • MEMBER
  • 4 POSTS
Hello. I found this conversation (on 3 Jan 18) while troubleshooting my son's car, which has exactly the same problem. I think the signal tracer is the correct approach. However, when I piece the three images of the Vibe schematic together it seems there is a piece missing. Does the GRN wire (tail, park, license plate) go through another connector between the "Right Instrument Panel Junction Block" and the one "Left of Steering Column, Behind Storage Compt"?
Jan 3, 2018 at 3:07 PM
Avatar
STRAILER
  • CERTIFIED EXPERT
  • 53,855 POSTS
Hello,

I have found the complete wiring guide for you so you can get the job done. Here is a guide as well.

https://www.2carpros.com/articles/how-to-check-wiring

Check out the diagrams (Below)

Please let us know if you need anything else to get the problem fixed.

Cheers, Ken
Jan 6, 2018 at 12:56 PM
Avatar
VMR
  • MEMBER
  • 4 POSTS
The Vibe wiring diagrams and troubleshooting suggestions were indispensable to fixing the tail/parking/license plate light problem. I inserted a test light into the fuse circuit as suggested and it allowed us to quickly isolate the section of wiring that was shorted out. The problem was in the supply that went into the hatch after the aft trim panel connector (on left side of vehicle). Also, during the process of removing/replacing the bulbs, we inadvertently damaged the left, front parking light socket. So, we applied your troubleshooting approach twic during the same job. Thanks so much!
Jan 8, 2018 at 1:09 PM
Avatar
STRAILER
  • CERTIFIED EXPERT
  • 53,855 POSTS
Nice work, we are here to help, please use 2CarPros anytime.

Cheers, Ken
Jan 9, 2018 at 10:48 AM