☰
Login
Join
×
Home
Answered Questions
Repair Topics
Repair & Service Guides
Popular Questions
Warning Lights
Trouble Codes
How It Works
Testing / Diagnostics
Symptoms
Videos
Login
Become a Member
Home
Nissan
Murano
Body
Windshield
Replace/Remove
windshield pump failure
2005 NISSAN MURANO
64,000 MILES • 6 CYL • 2WD • AUTOMATIC
PORTALANZA
MEMBER
1 POST
FOLLOW
How to replace the windshield pump and where do I find the fuse related to the pump?
Feb 25, 2011 at 9:53 PM
Advertisement
STRAILER
CERTIFIED EXPERT
53,855 POSTS
Hello,
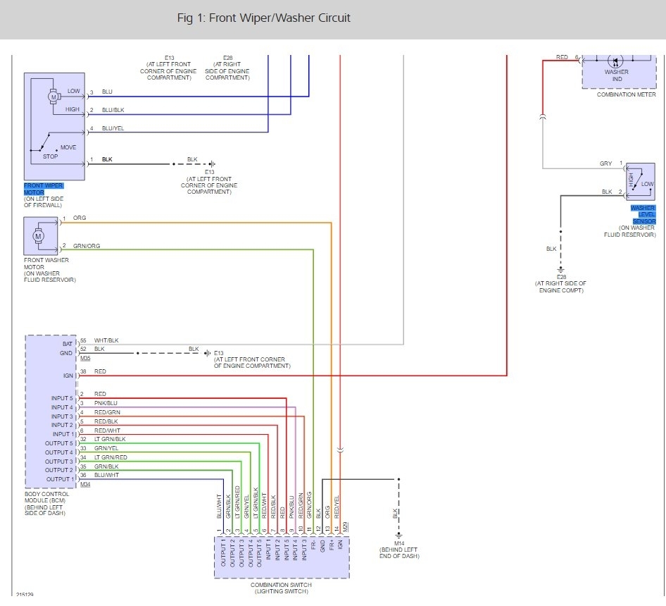
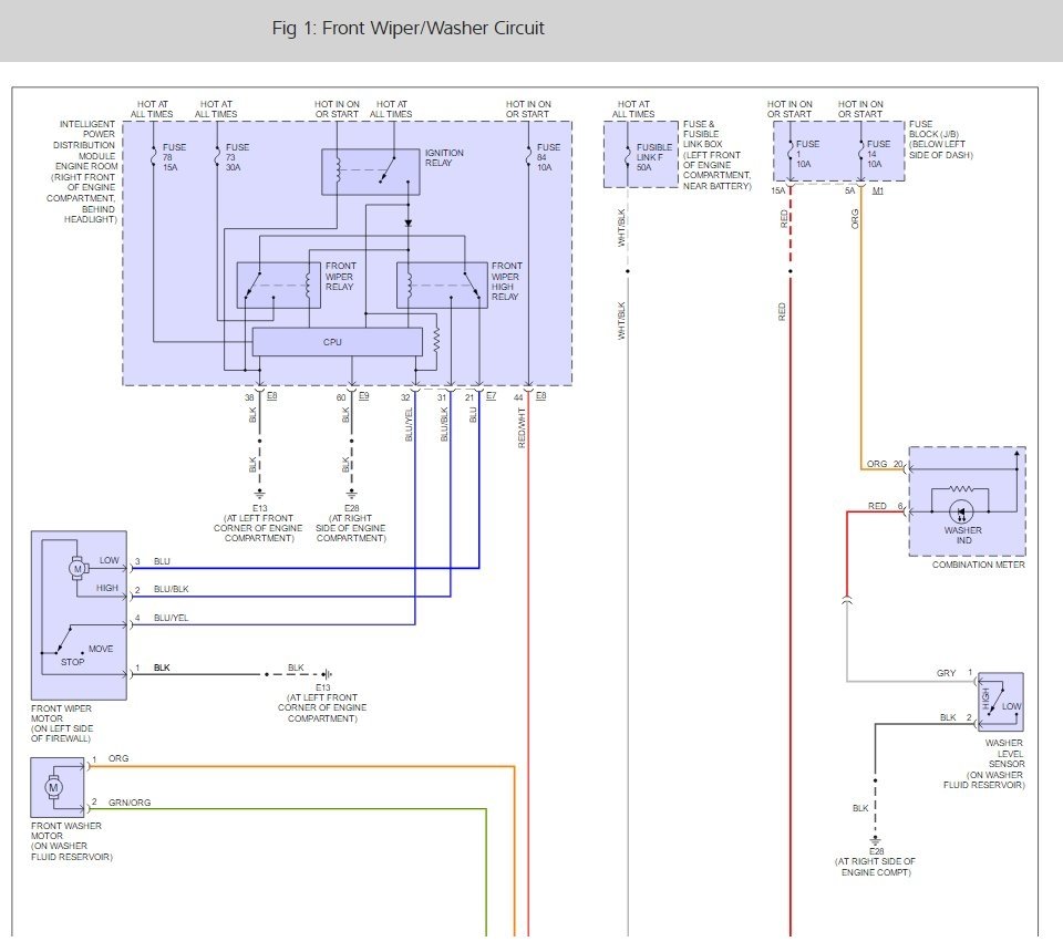
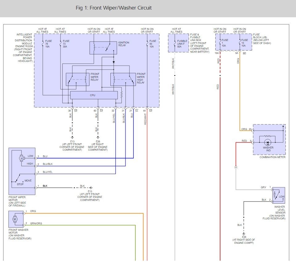
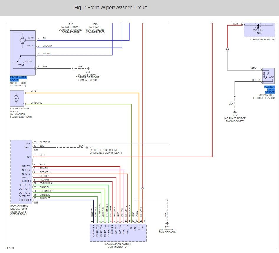
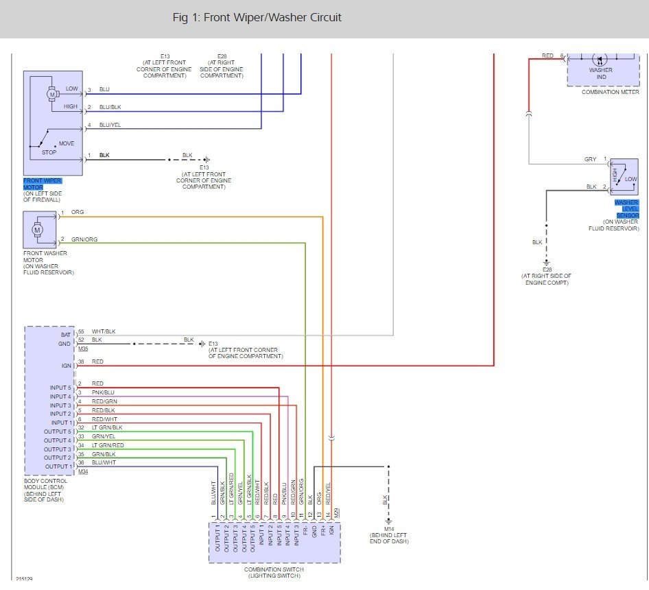
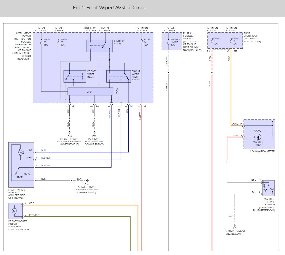
The fuse is number 84 in the fuse panel, here is a wiring diagram and a location diagram with a couple of guides to help you get the problem fixed.
https://www.2carpros.com/articles/how-to-check-a-car-fuse
and
https://www.2carpros.com/articles/how-to-use-a-test-light-circuit-tester
and
https://www.2carpros.com/articles/how-to-replace-a-windshield-washer-pump
Please let us know if you need anything else to get the problem fixed.
Best, Ken
Images (Click to enlarge)
Apr 18, 2017 at 4:04 PM