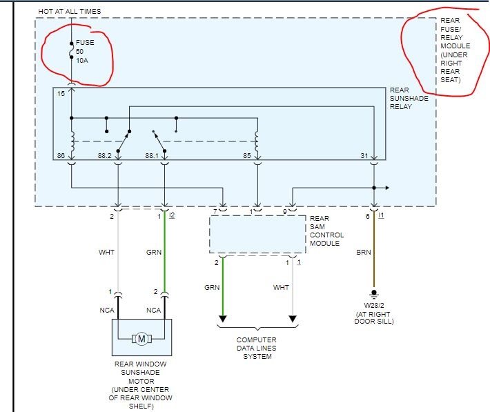
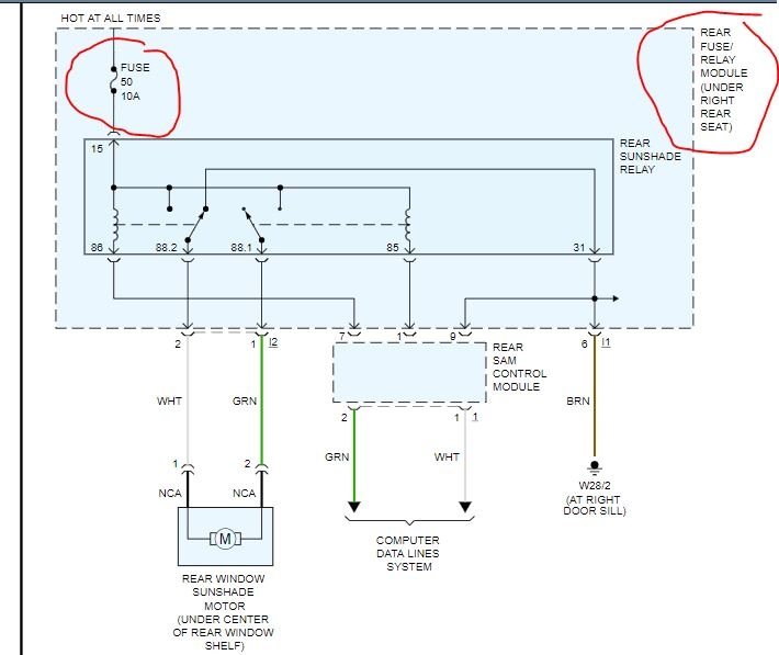
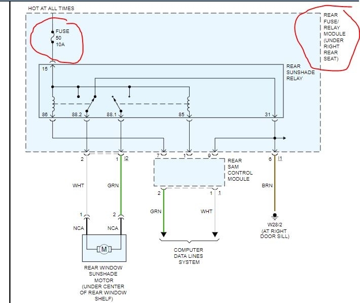
Upon pushing the rear window sunshade button, sunshade will not go down. Stuck in up position. Could this be a fuse problem?? If so, were would the fuse be located? Thanks
Jul 30, 2012 at 5:25 PM


