Air conditioner not working?

2005 MAZDA TRIBUTE
100,000 MILES • 2.3L • 4 CYL • 2WD • AUTOMATIC
Avatar
GAJ56
  • MEMBER
  • 2 POSTS
So A/C stopped producing cold air. It still blows in all speeds here is a list of things I have done:
Checked Pressure
Static - 80psi low / 110psi high
In operation - 80psi low / 110psi high
Fan Clutch does engage and turns the actual compressor
AC accumulator never gets cold nor do any of the ac lines.
Checked the sensors and they seem to be working (high pressure and low pressure cut off)
Next evacuated the system and removed ac compressor
inspected for leaks and turned the clutch to make sure a vacuum was created and it des make a vacuum
Next I pulled out the orifice tube and it was clean and I cleaned it some more and put it back in
I replaced the compressor and put everything back the way it was and I can seem to find the problem. Is it the Accumulator and how do I check that? Could it still be the AC compressor or does it just need to be flushed and recharged. I need help fast please

Aug 25, 2015 at 5:59 AM
Advertisement
Avatar
HMAC300
  • CERTIFIED EXPERT
  • 48,601 POSTS
sounds like some leaked out and is /was low on charge. This video and guide will help us fix the problem.

https://youtu.be/4UjfQKvrB6Y

and

https://www.2carpros.com/articles/car-air-conditioner-not-working-or-is-weak

Please run down these guides and report back.
Aug 25, 2015 at 6:05 AM
Avatar
GAJ56
  • MEMBER
  • 2 POSTS
I tried charging it to begin with it would never pull the Freon in and the low side pressure was to high at about 80-110 psi. I know that at static pressure it would be high but once the compressor kicks on it should drop due to vacuum of the Freon into the accumulator where it expands. I never got that drop in pressure even though the compressor was on and turning. it is like something is clogged or ???
Aug 25, 2015 at 7:16 AM
Advertisement
Avatar
HMAC300
  • CERTIFIED EXPERT
  • 48,601 POSTS
it expands into the evaporator not accumulator, it my have broken the desiccant bag in drier and clogged the system at orfice but you said you checked it. I cold be a bad compressor as well due to closeness of pressures even if you feel it sucking a vacuum . have a local pro look at it. usually if system is clogged the high side would be very high and low side would be very low.
Aug 25, 2015 at 7:53 AM
Avatar
WRENCHTECH
  • CERTIFIED EXPERT
  • 20,761 POSTS
Hi HMAC,
Let me insert one thing here.

If your static pressures and your running pressures are identical (or even close) and you are sure the compressor is engaging, then your compressor is total junk.
Aug 25, 2015 at 8:43 AM
Avatar
GARCIAS45
  • MEMBER
  • 12 POSTS
I have a AC compressor clutch that won't engage. I have refilled the Freon and am looking to find a bypass to connect so I can get the clutch to run at a constant rate but only to find if its good or not. is there a short cut to put a clip and run the compressor and engage the clutch and see if this needs to be replaced or how do I check the relay switch and dryer for their functions. can I put a paper clip in the fuse or do I go to the switch and do it there. I know a little about AC I can replace it if this is the problem but I would like to make sure first and go from there. thank you.
Sep 27, 2020 at 12:11 PM (Merged)
Avatar
WRENCHTECH
  • CERTIFIED EXPERT
  • 20,761 POSTS
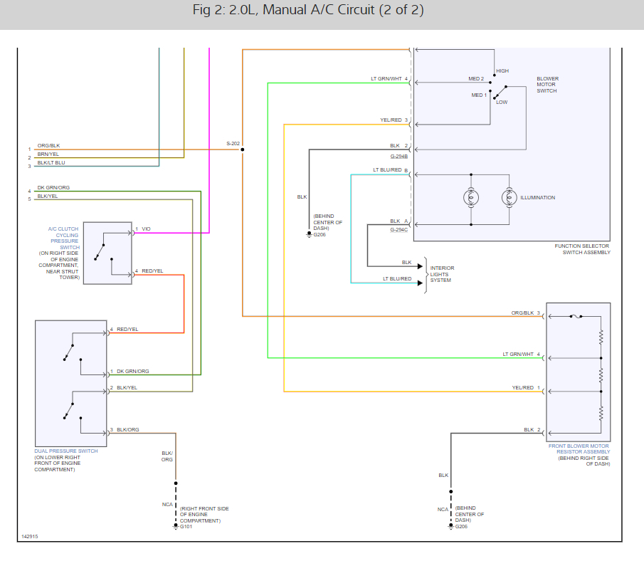
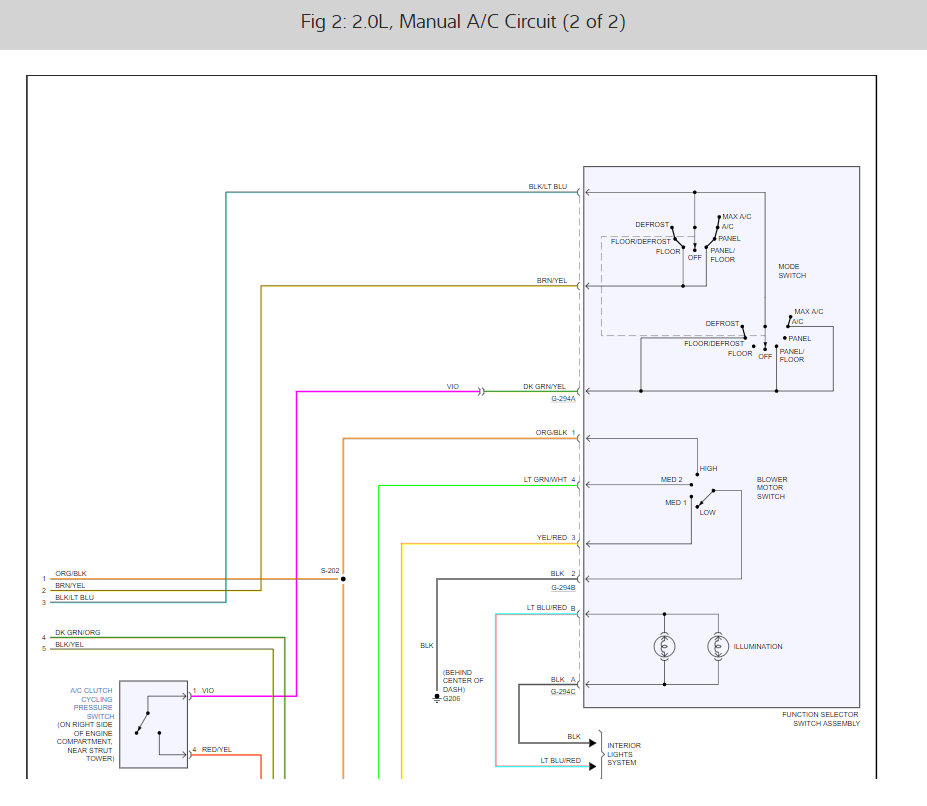
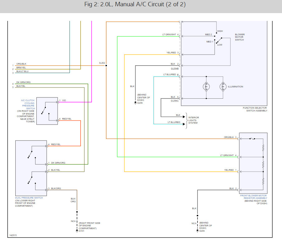
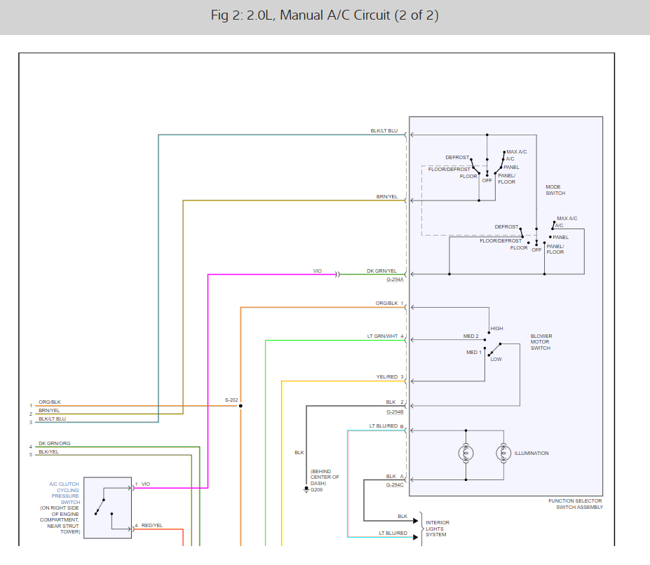
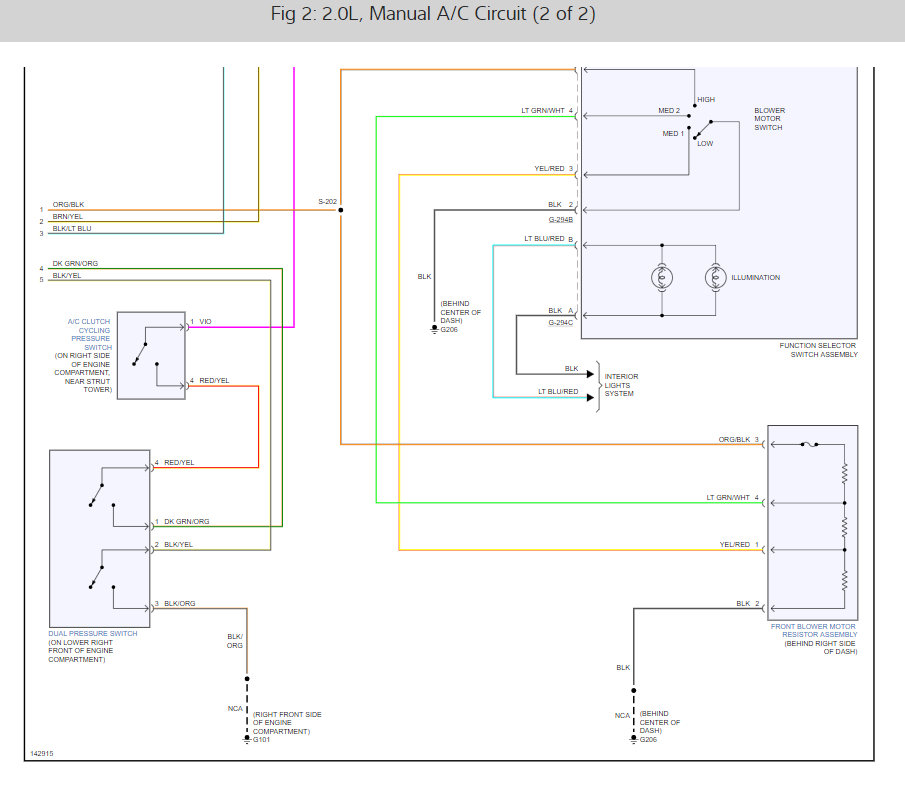
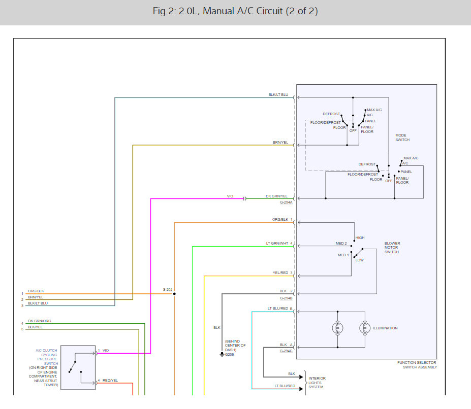
You don't want to go jumping anything out without knowing exactly what you are doing. There are any number of things that can be preventing the compressor from coming on. The very first thing you need to do is test every single fuse using a test light. I'm uploading the wiring diagram. You will have to follow the diagram to determine where power is being lost and giving you a guide and video to help fix it.

https://youtu.be/4UjfQKvrB6Y

and

https://www.2carpros.com/articles/car-air-conditioner-not-working-or-is-weak

and

https://www.2carpros.com/articles/how-to-use-a-test-light-circuit-tester

Check out the diagrams (Below). Please run this test and get back to us.
Sep 27, 2020 at 12:11 PM (Merged)
Avatar
GARCIAS45
  • MEMBER
  • 12 POSTS
Should the AC be on and engine running or just with key on and ac on. And what other than low Freon would cause clutch to not engage thank you
Sep 27, 2020 at 12:11 PM (Merged)
Avatar
WRENCHTECH
  • CERTIFIED EXPERT
  • 20,761 POSTS
Yes, the engine should be running when you are doing your testing. The computer will recognize when the engine isn't running on many vehicles. Just about anything on that diagram can prevent the compressor from coming on.As you can see on the diagram, there are multiple switches and fuses in the circuit. Some of the switches are dual purpose and wired in series. You can try momentarily powering the compressor directly to verify the clutch is good but don't run it that way.
Sep 27, 2020 at 12:11 PM (Merged)
Avatar
MAXIMILIAM
  • CERTIFIED EXPERT
  • 436 POSTS
could a bad relay switch cause no power to a low pressure valve on the upper AC line.

garcias45
Sep 27, 2020 at 12:11 PM (Merged)
Avatar
WRENCHTECH
  • CERTIFIED EXPERT
  • 20,761 POSTS
No, the switches are before the relay in the circuit.
Sep 27, 2020 at 12:11 PM (Merged)