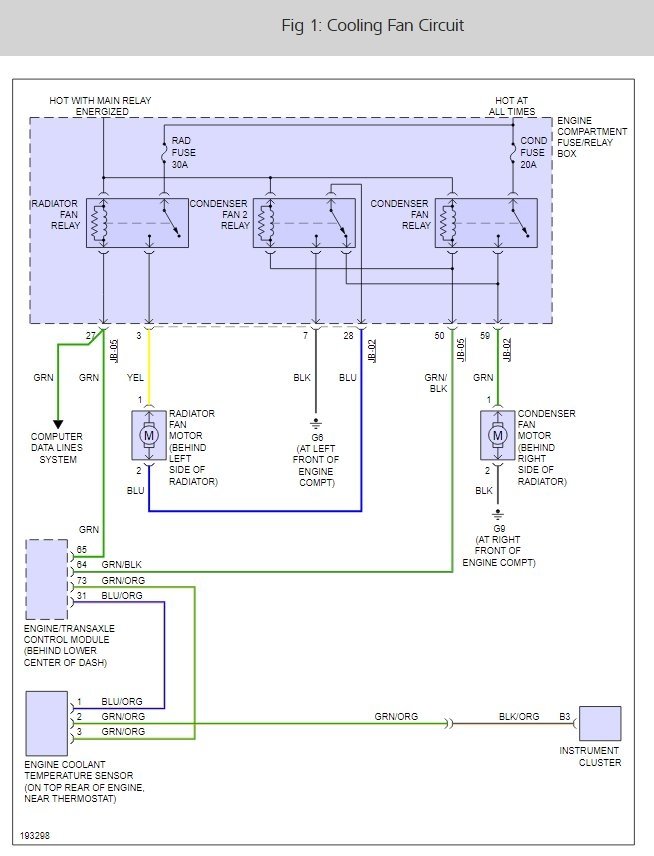
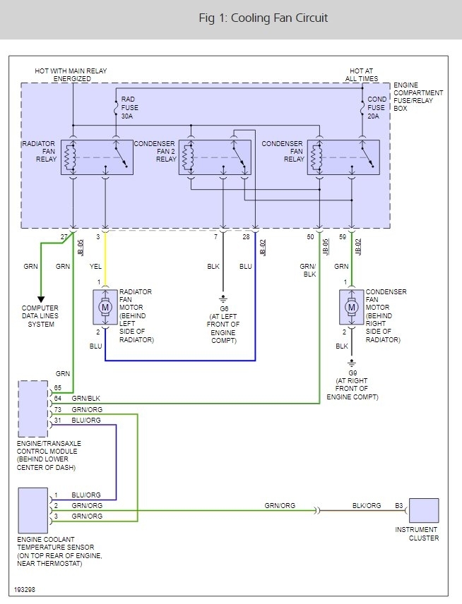
My 2005 kia spectra 5 cooling fans are not working what can i check to eliminate possible reasons this is happening - I have check my fuses and I do not see a problem with them. It also appears that everything is connected properly. When the car starts to overheat, the fans do not kick on to cool the engine. This caused my radiator to crack.
No, the fans do not run when the air conditioning is on
No, the fans do not run when the air conditioning is on
Apr 16, 2012 at 6:08 PM
