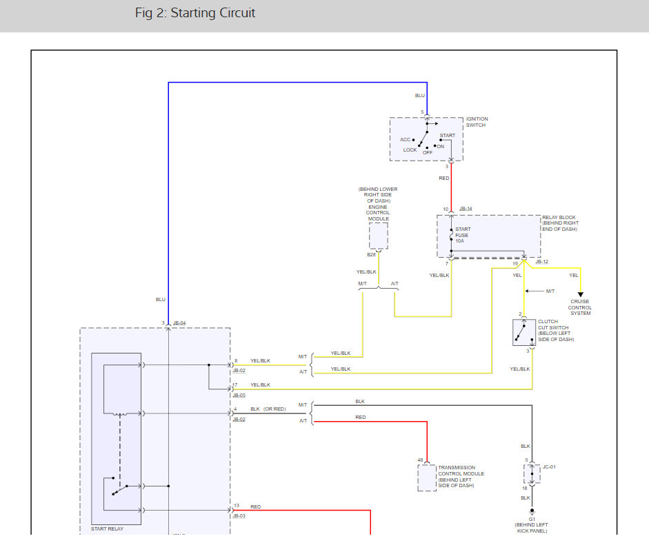
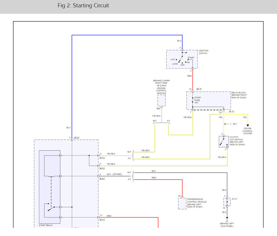
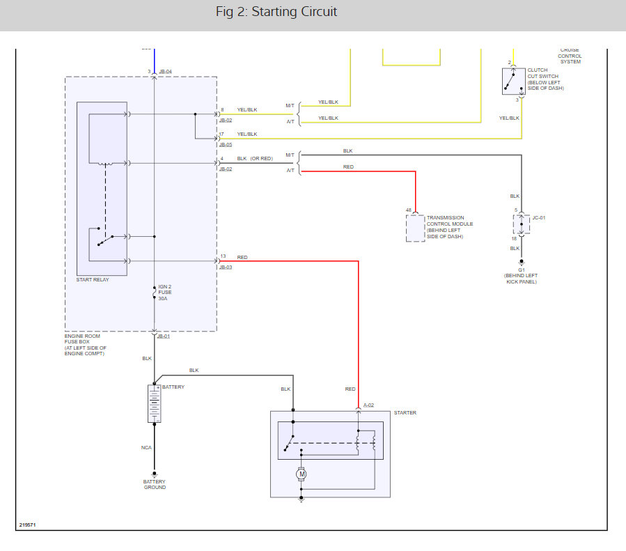
Won't start, doesn't make any noise at all, no clicking sounds, headlights are bright, radio on, etc. Has not started a few times in the past few days, doesn't do anything when you turn the key over - no noises at all.. If you wait a little bit, it would start up. One time when it didn't start a couple of days ago - I waited a few minutes and it crank up - but acted like it was still trying to crank.. Now it won't turn over at all. What might it be? The Starter? Thanks.
Jul 14, 2011 at 12:46 AM





