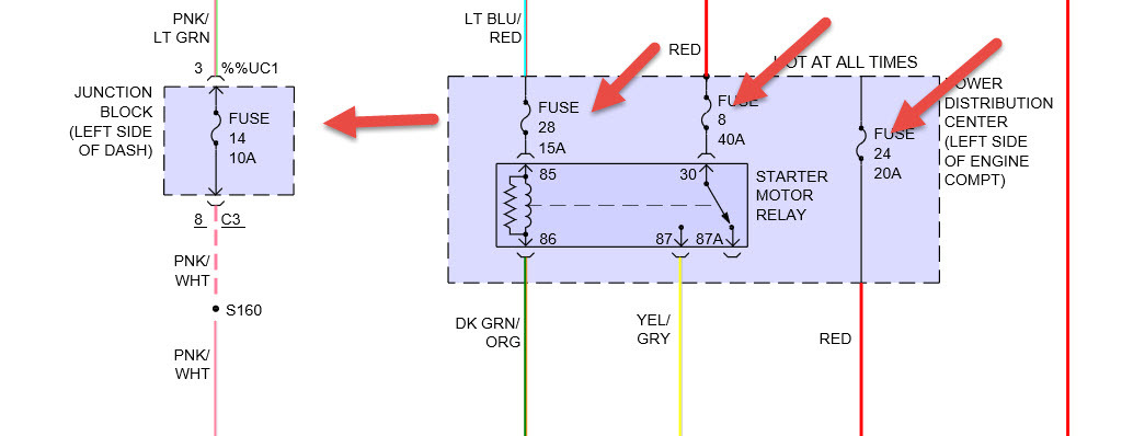
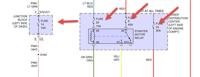
I drove the Jeep in the afternoon with no problems. Later that evening when I went to start it there was no power. Not even the dome light came on. I pulled the battery and connected it to a charger but it read fully charged after about 3 minutes.
Nov 19, 2015 at 10:30 AM

