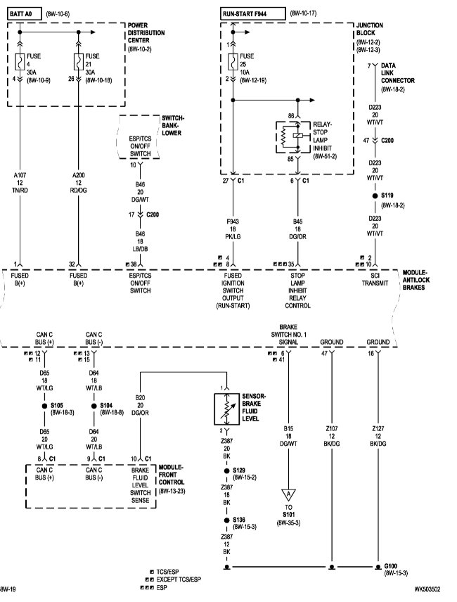
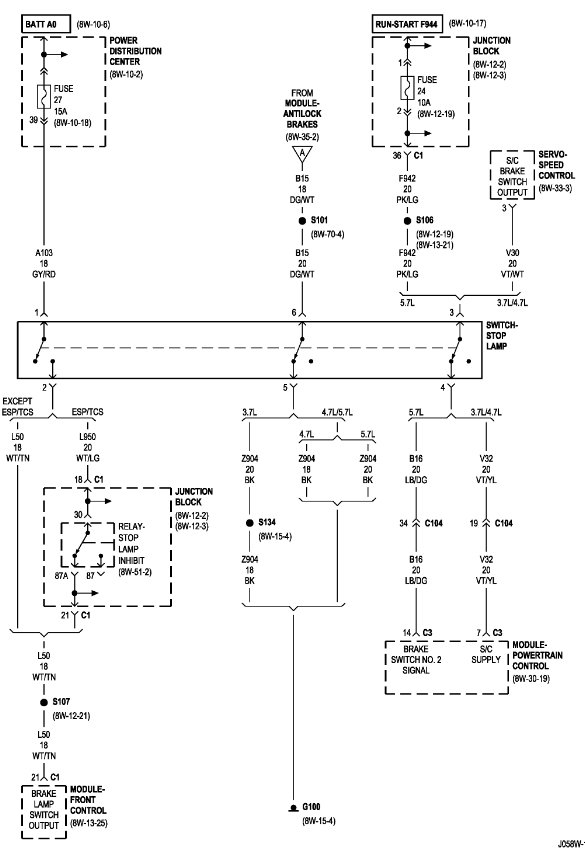
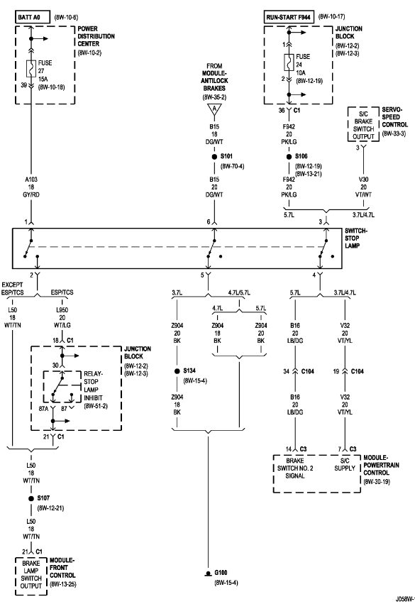
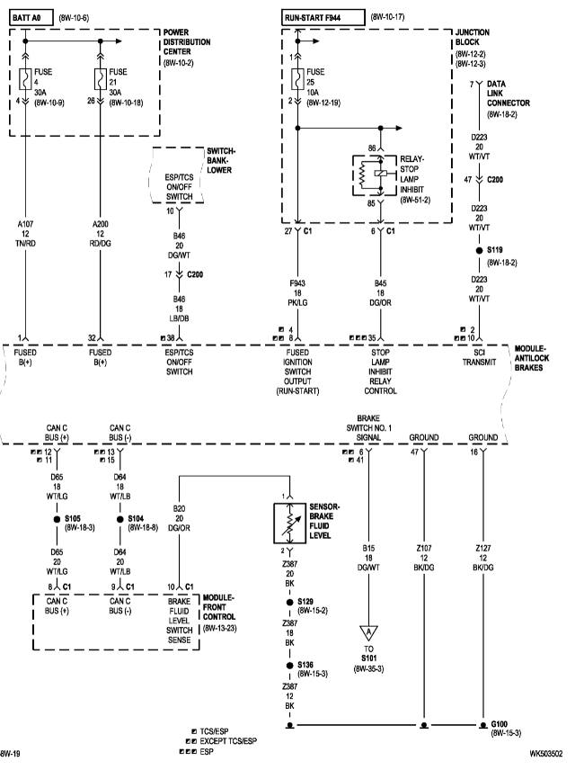
Hi, The ABS light is on all the time. I took it to my mechanic and he has a wire cluster hanging inside the car (driver's side) which is the ABS harness (female connections). Any help is appreciated. Cheers, Gord Graffmann
Apr 3, 2012 at 12:09 PM












