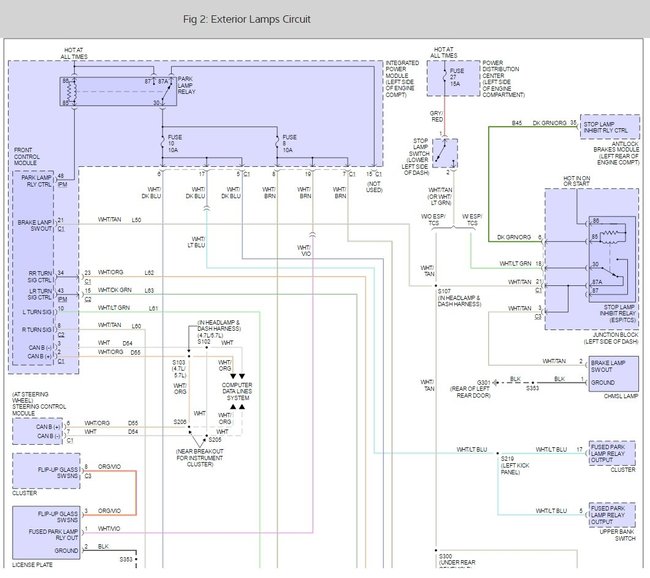
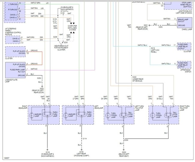
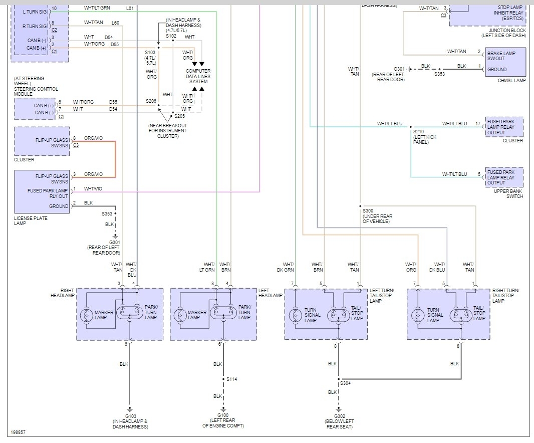
They don't work when pressing pedal. I replaced fuse and stop switch still nothing hazards work back ups work blinkers. And the interior lights turn on and off randomly
Aug 7, 2014 at 4:50 AM











