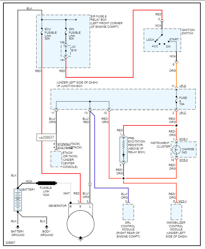
I have a 2005 hyundai terrecan. We are having issues with the battery not charging properly. The battery and the alternator have been checked by the battery people as the battery is still under warrenty. They say both are ok and there is a problem getting charge from the alternator to the battery. We had a mechanic service the car recently. He run a test and believes the harness has burnt out. The test results are...
Volts 12.4
Measured 401 cca
Rating 540 cca
Battery type regular flooded
Battery location in vehicle
Cranking 10.08v
Time 0.84s
Low output
No load 13.42v
Loaded 12.48v
Can you give any indication about what the cause is and how it is fixed before I take it to an auto electrician and get baffled by bull....?
Volts 12.4
Measured 401 cca
Rating 540 cca
Battery type regular flooded
Battery location in vehicle
Cranking 10.08v
Time 0.84s
Low output
No load 13.42v
Loaded 12.48v
Can you give any indication about what the cause is and how it is fixed before I take it to an auto electrician and get baffled by bull....?
Feb 8, 2014 at 4:10 PM
