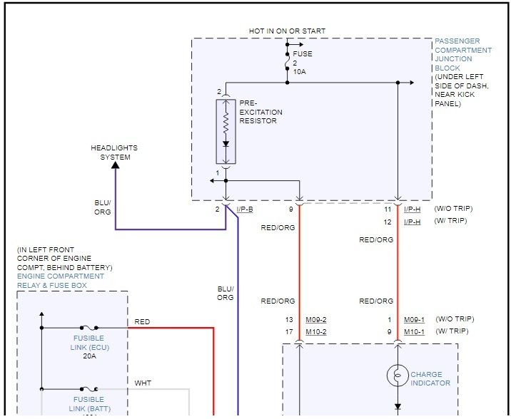
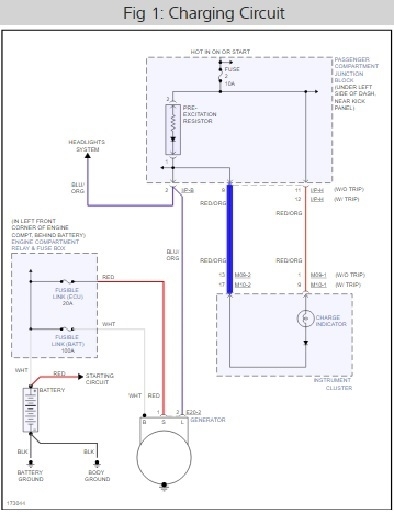
My battery light came on in my 2005 hyundai elantra, so I got a new battery. The positive was too corroded to save. So, I clipped off the positive terminal and replaced it with a generic top clamp. It didn't have the dome or a specific place to screw in the other wire that was originally attached adjacent to the terminal end. I bolted that wire into the clamp and attached it to the positive side. The car has started several times but the battery light is still on. Please advise
Oct 2, 2013 at 7:44 AM








