no heat

2005 HONDA PILOT
145,000 MILES • 6 CYL • 4WD • AUTOMATIC
Avatar
RAYKATHY
  • MEMBER
  • 1 POST
I have a 2005 Honda pilot/nav. system.my problem is no or
very little heat. The inside of the car wont heat up. new thermostat,new heater control valve. air temperature coming out is about 60 to 80 degrees if I turn it to high med. fan speed .If I turn on the resurculating switch I get 90 to 95 degree air temp. car warms up in garage but temp. gets worst while driving especially on long trips at highway speeds of 65 mph air runs hot to ice cold
Dec 7, 2010 at 1:19 AM
Advertisement
Avatar
KHLOW2008
  • CERTIFIED EXPERT
  • 41,814 POSTS
Perform the following to see if you can come up with anything.

CLIMATE CONTROL SYSTEM
How to Retrieve a DTC
The climate control unit has a self-diagnostic function.

Running the Self-diagnostic Function

1. Turn the ignition switch ON (II).
2. Press the AUTO button and then the OFF button. Continue to hold both buttons down for 1 minute. If there is any abnormality in the system, the temperature indicator will light up the segment (A through N) corresponding to the error. If no DTCs are found, go to SYMPTOM TROUBLESHOOTING INDEX. The temperature indicator will then alternate every second between displaying "88" (all segments lit) and the error code segment (A through N).

NOTE:
The system will only display the DTC when the AUTO and OFF buttons are pressed. If you release the buttons, the display will go blank. To return the display, simply press the AUTO then the OFF buttons again.

To determine the meaning of the DTC, refer to the DTC TROUBLESHOOTING INDEX. If there is no abnormality, the segments will not light up.

NOTE:
If there are no DTC's detected (no opens or shorts in the climate control circuits or sensors), and the system is still not operating properly, check the sensor input to the climate control unit.

Cancelling the Self-diagnostic Function

3. Turn the ignition switch OFF to cancel the self-diagnostic function. After completing repair work, run the self-diagnostic function again to make sure that there are no other malfunctions.


DISPLAYING SENSOR INPUTS AT THE CLIMATE CONTROL UNIT
The climate control unit has a mode that displays sensor inputs it receives. This mode shows you what the climate control unit is receiving from each of the sensors, one at a time, and it can help you determine if a sensor is faulty.

Check these items before using the sensor input display mode:

1. Turn the ignition switch ON (II), and check the recirculation door function; press the recirculation button to switch from FRESH to RECIRC. The air volume and sound should change slightly.

2. Set the temperature control **** to the desired test temperature. When selecting the test temperatures, note these items:

• "Lo" temperature setting will default to MAX COOL, VENT, and RECIRC.
• "Hi" temperature setting will default to MAX HOT, FLOOR, and FRESH.
• 61 through 89°F settings will use the automatic climate control logic.

3. Turn the ignition switch OFF.

To run the sensor input display mode, follow these steps:

1. Turn the ignition switch OFF.

2. Press and hold both the AUTO and RECIRC buttons, then start the engine.

3. After the engine starts, release the buttons. The climate control display will flash the sensor number and then the value for that sensor. Record the value displayed.

4. To advance to the next sensor, press the rear window defogger button.


NOTE:
• The sensor values will be displayed in degrees Celsius (°C) or an alphanumeric code. Use the chart to convert the value to degrees Fahrenheit (°F).
• If the sensor value displays "Er," this indicates there is an open or short in the circuit or sensor. Run the self-diagnostic function to check for a DTC.
• If necessary, compare the sensor input display to an alike, known-good vehicle under the same test conditions.
• If the sensor is out of the normal range, refer to the sensor test, or substitute the sensor with a known-good sensor, and recheck.

5. To cancel the sensor input display mode, press the AUTO button, or turn the ignition OFF.

Dec 10, 2010 at 3:56 PM
Avatar
HECTOR JESSICA GONZALEZ RAMOS
  • MEMBER
  • 1 POST
Thanks I just but a 2005 pilot ex-l and got issues wit the ac or heater on rear ac heater and ac work but on front 1st start with when I was driving ac working then heat start coming out I replace the MG relay and check the fuses are ok then only cold air working but not heater coming on front I do the steps with the AUTO and OFF and no issues but when I do the AUTO and the RECIRC this is what com on
1/23
2/19
3/01
4/76
5/20
6/er
7/81
8/00
I am looking to see what is the 6/er need help thanks
my email is [email protected] is you can replay there also I will appreciate thanks for your help.......
May 23, 2017 at 4:30 PM
Advertisement
Avatar
STRAILER
  • CERTIFIED EXPERT
  • 53,854 POSTS
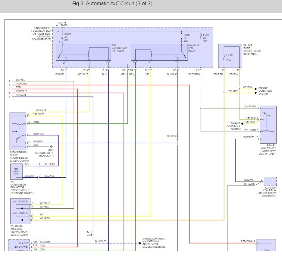
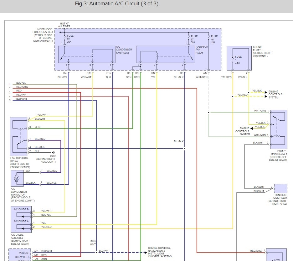
These are codes the computer is storing which looks like that is all of the codes the system has which is a sign the computer has gone out or there is a bad ground or power source. Here is a heater wiring diagram and some guides so you can do some testing.

https://www.2carpros.com/articles/how-to-check-wiring

and

https://www.2carpros.com/articles/how-to-use-a-test-light-circuit-tester

and

https://www.2carpros.com/articles/replace-blend-door-motor


Please let us know what happens. I am curious ;)

Cheers, Ken
May 26, 2017 at 3:32 PM
Avatar
CARDINALS11
  • MEMBER
  • 3 POSTS
OK where to begin. In October I noticed the heat was not working and antifreeze/coolant on passenger and also driver side floor. I took it to a mechanic I had success with in the past and was told it was some sort of problem with the heater core. So they had to take the whole dashboard apart to get to the heater core which cost a good amount of labor of course. I was told that they checked out the heater core itself and it was ok, the problem they found was that there was a small leak in one of the small hoses near the heater core. So they replaced it and it seemed fine for a day until the same problems came back, fluid on floor and no heat.
I took it back and they claimed that a hose clamp was not on properly which they took care of at no cost because of the warranty.

So, the car was fine for about 10 days until I noticed a little bit of fluid on both the driver side and passenger floor, in a small area right up near the door on the floor on both sides in the front. The heat and defrost/defogger works intermittently, sometimes good sometimes not. It is not a huge leak right now. I have had to replace a little bit of coolant about once a week, maybe a pint at a time. Im at the point where I don't want to bring the car back to this place since its not too close to me and now I feel that they don't know what they are doing. They insist that they checked it and the heater core itself is ok. My question is from my description, do you have an idea where the leak could be coming from and would I be able to take care of it myself with a moderate skill level. I really don't want to have to take everything apart again. And I prefer not to have to take it back to this poor mechanic. I want to keep this car since Ive had very few problems with it over the years. Any advice would be greatly appreciated, thanks in advance! Dave in NJ

(Again the coolant leak is in a small area on the floor board, right up near the door on both sides. Same spot on both sides.)
Nov 9, 2019 at 3:31 PM (Merged)
Avatar
CARADIODOC
  • CERTIFIED EXPERT
  • 34,306 POSTS
The best thing you can do, with the help of your mechanic, is to add a small bottle of dark purple dye to the coolant. Drive the car until the loss of heat acts up again, then return to the shop. They will search with a black light. The dye will show up as a bright yellow stain that they can follow back to the source. There might be a leak in the heater core that was not evident at first. We get blamed all the time for trying to sell parts and services that aren't needed. In this case, due to the high degree of difficulty, it would have been appropriate to replace the heater core once they were already in there. Sounds like your mechanic was trying to not spend your money on something he wasn't 100 percent sure was needed. Either way, we get blamed.

This guide can help


https://www.2carpros.com/articles/car-heater-not-working

Also, if possible, it can be helpful with this type of problem if you can leave the car with the mechanic for a few days. Let him drive it to be sure the problem is solved. That eliminates the need to keep going back and for him to keep on explaining what he thinks is needed. This way he only has to explain what the final fix was. I know this isn't always possible when you live a long way away or only have one car, but consider this if it's an option.
Nov 9, 2019 at 3:31 PM (Merged)
Avatar
CARDINALS11
  • MEMBER
  • 3 POSTS
OK thank you, I will definitely take under advisement. they want me to take the car back to them. The problem is this will be the third time for the same problem. I just wish they would have put a new heater core in that I purchased when they originally opened everything up, its just sitting in the box in my garage now. They claimed the original heater core is fine.
Nov 9, 2019 at 3:31 PM (Merged)
Avatar
CARADIODOC
  • CERTIFIED EXPERT
  • 34,306 POSTS
OOOH! That adds another dimension to the story. Mechanics don't like installing customer-supplied parts except for those that are rare or hard-to-find. When they sell you the parts, they mark them up a little, just like any other retail store, then they assume the responsibility for solving any problems that result with them. A new part can be defective. It can be the wrong part. In this case, how would you have felt if they had installed the heater core and the problem was still there?

As a side note, when you request to have a part replaced, or a service performed, they are only obligated to do what you asked. If it doesn't have the result you expected, that is not their responsibility. If you need to have something done differently, you can expect to be charged again.

Providing your own parts is similar to bringing your own food to a restaurant and asking them to cook it for you. Who is to blame if you aren't happy with the quality?

Be aware too that sometimes we damage a new part, and that isn't always evident until we try to use it, as in starting the engine, turning on the system, or in this case, filling the cooling system and letting you drive the car for a few days. When the shop supplies the parts, it's up to them to replace what they broke at no additional cost to you. That responsibility shifts to you when you bring your own parts, and we know from experience that leads to a lot of arguments and unhappy people. That's one argument that can be avoided when the shop supplies the parts, but again, that may not apply if what is needed is hard to find and will take a lot of the shop's resources. When they ask you to search for the part and bring it to them, you'll usually get an explanation, their appreciation, and sometimes a discount on the labor for having done some of what they normally have to do.

As for returning again, that is the right thing to do. That gives the mechanic the opportunity to correct any mistakes he might have made. He will also be familiar with the car, the specific problem, and he will know what was done already. If you go to a different doctor, he will usually start all over with a bunch of tests that may have been done already somewhere else. A different mechanic is also going to assume the heater core is leaking, and start from there. You'll be paying again for a service that you've already paid for.

My worst one was for a pile of interior lights that would turn on intermittently when the driver applied the brakes, then they'd turn off when he accelerated. It turned out to be a bare wire feeding the vanity light in a sun visor, (which normally would have blown a fuse), and the fact someone else was in there ahead of me, who, instead of finding the cause, bypassed it by switching some wires. I didn't know that history, and as a result, much of my testing didn't make sense. That owner came back nine times before I solved the problem. Fortunately he wasn't angry because up to that point no one else could solve it, and no one else would stick to it once they also became confused. Fortunately the dealership owner told the service adviser to stop charging by the hour, but to keep me on the job as long as I was making progress.

The purpose of this sad story is to emphasize that a lot of problems are not solved in one visit. Sometimes we have to resort to trying a few things, then we let YOU test the results. The downside is you have to come back. The upside is you aren't being charged by the hour for test-drives and for waiting to see if the problem is still there. A lot of frustration is caused though when that isn't explained beforehand. Mechanics have pretty poor communication skills, so it's up to the service adviser to explain why the problem might not be solved yet, and to get your approval and understanding if the car has to come back later. The best thing you can do to get this solved is to be patient and courteous. You can be sure the mechanic is just as frustrated as you are, and he wants this solved too.
Nov 9, 2019 at 3:31 PM (Merged)
Avatar
CARDINALS11
  • MEMBER
  • 3 POSTS
OK I have decided to bring the car back, its just a pain because it will be the third time for the same problem now and its not that close to me, about 30 mins away. I haven't rushed to bring the car back because the car is driveable but the heat doesn't work all the time and the fluid on floor is annoying as hell. Let me ask you this though because I might not be able to get the car back to them until next week and I am dying to find where its coming from. How difficult would it be for me to find a leak using the dye and UV light coming from inside somewhere around the heater core. Would I have to take everything apart or would an internal leak like I describe be visible without ripping apart the dashboard? Remember the fluid is seeping through the floorboards, but where does it originate from? Thanks and, yes, even if I pinpoint the leak I am still taking it back.
Nov 9, 2019 at 3:31 PM (Merged)
Avatar
CARADIODOC
  • CERTIFIED EXPERT
  • 34,306 POSTS
The dye is going to tell you if there is some other cause for this leak that has gone unnoticed. You can buy the dye at any auto parts store, and those that rent or borrow tools should have a black light.

If the heater core is leaking, the coolant should be dripping from the 4" long rubber hose hanging from the passenger side of the firewall under the hood. To be leaking inside the car, that drain tube would have to be plugged or blocked with debris. That would have been handled when the heater box was removed the first time.

There was a case where coolant was showing up on the floor, and it was dripping near the Engine Computer, which, on that model was behind the right kick panel. The mechanic couldn't find the cause but he covered the computer with a plastic bag to protect it. That lead to no more coolant on the floor until the engine died a couple of months later. Turns out the coolant temperature sensor was leaking, and thanks to the rubber weather-pack seal for its connector, the coolant was pushed, under pressure, through the wire's insulation. There were no other connectors for the coolant to leak out from, so it found its way all the way to the computer where it came out of the wire and dripped onto the floor. By being covered with the plastic bag, that filled up until it shorted the computer months later.
Nov 9, 2019 at 3:31 PM (Merged)