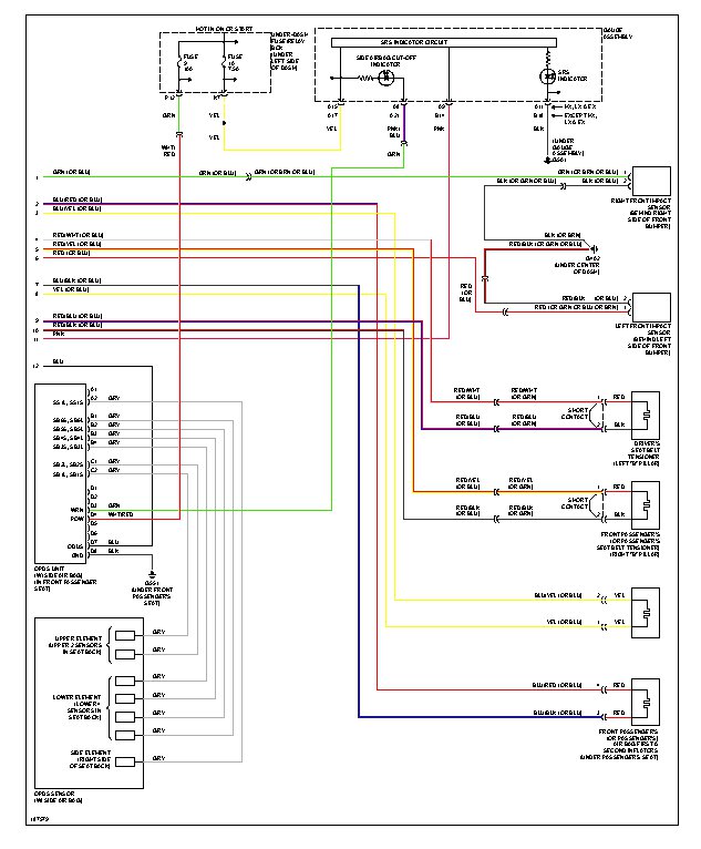
I have a 2005 Honda Civic Ex V-Tec Coupe and I have an airbag light on. I believe the code was a 15-2 Which said that the OPDS is not intiated. I brought it to the dealer and they did their wiggle test and made sure everything was connected and they couldn't find anything and charged me $80 to find nothing. They threw in a new fuse after I told them everytime a new fuse is put in it blows after a couple hours so its an obvious short in the system. The fuse was for the side airbags and when you put a new one in, it works until it blows again and the airbag light comes back on. I don't remember if the fuse was a 10A or if it was a 15A, but I threw in a 30A fuse knowing that it could possible start an electrical fire just to pass inspection and took it out as soon as it was done. Recently tried to put another fuse with the proper rating and now it instantly blows when you plug it in. Please help me. Not sure if this is a common problem with these cars. If so, direct me and I'll fix it myself since I go to school for Automotive.
Mar 28, 2012 at 8:35 PM


