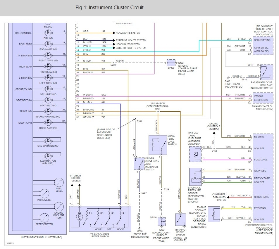
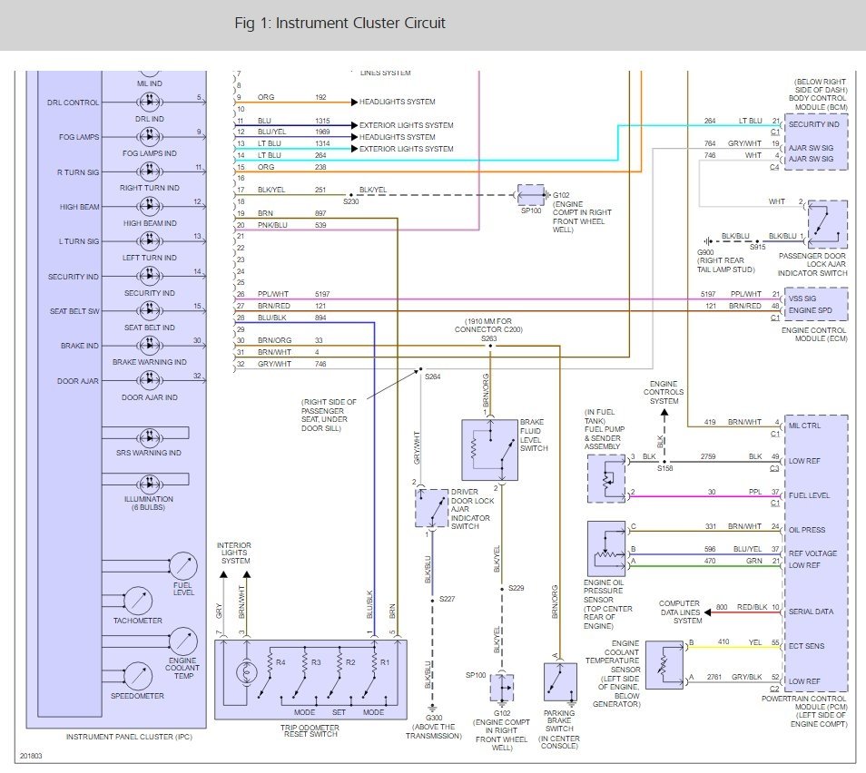
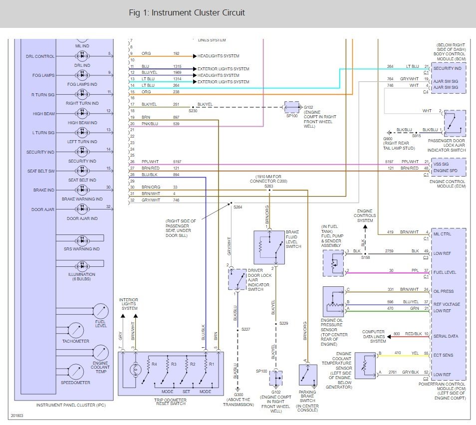
temp, tacho speedo and the fuel gauges. they are siting on running in the middle but digital speedo works. My car is a Holden commodore vz ...also a pad lock light appears some times
May 20, 2012 at 9:13 AM

