low beam doesn't work

2005 GMC SIERRA
110,000 MILES • 0.6L • V8 • 4WD • AUTOMATIC
Avatar
MIKE NOWACZYK
  • MEMBER
  • 1 POST
Passenger low beam doesn't work, installed new bulb, checked fuse, used voltmeter to chk ground wire at the bulb plug, good ground, no power at plug. Used voltmeter to test for power at fuse block, drivers side yes, passenger no. Took out low beam relay, reversed 180 no difference.

Let me know your opinion,
Dec 11, 2014 at 3:43 PM
Advertisement
Avatar
WRENCHTECH
  • CERTIFIED EXPERT
  • 20,761 POSTS
Are you sure you checked the correct fuse? "LO HDLP-LT" 10 amp. That is about the only thing that isolates that light. https://www.2carpros.com/images/external/158739179.gif
Jul 29, 2017 at 6:30 PM
Avatar
MHOWELL71
  • MEMBER
  • 1 POST
My driver side low beam headlight is not working. Tried new lamp. Nothing. I used a volt meter and found no power at the plug. Fuse is good and found not voltage under the fuse. I pulled the relay and the passenger side light went out. Replaced the relay and I still have the same issue. No power on the driver side and passenger side works fine.
Jan 3, 2020 at 6:46 PM (Merged)
Advertisement
Avatar
FREEMBA
  • CERTIFIED EXPERT
  • 1,152 POSTS
In the underhood fuse box on the left side on the truck, check these:

LO HDLP LT fuse (10A)
(This fuse will only have power on it when the headlights are turned ON)

** The HDLP LO RELAY controls both headlight when they are on LOW, so if one light works on low this means that the HDLP LO RELAY is working properly.

Recheck for power at the low beam headlight socket on the YELLOW wire (remember to turn the headlights ON).

The BLACK wire on the low beam headlight socket is ground. Check to see if it provides a good ground. (This is how: connect the clip-lead of a testlight to the black terminal of the headlight socket [be careful not to damage the terminal] and touch the pick end [sharp end] to the POS battery terminal. If the light comes on, then the black has a good ground. If not, recheck your connections and try the "test" again. If it fails a second time, tract the black wire to find where the ground is interrupted.

You can do the same test with an voltmeter, however instead of having a light come on the meter will read battery voltage (usually between 12V - 14V).

Let me know how it turns out.
Jan 3, 2020 at 6:46 PM (Merged)
Avatar
BFULFORD
  • MEMBER
  • 2 POSTS
Headlights will not come on. All others including high beam working. Cheacked all fuses and relays that I know of - Electrical box under hood and drivers side panel. When lights are turned on no voltage to either headlight socket. Tried with automatic sensor on and disabled.
Jan 3, 2020 at 6:46 PM (Merged)
Avatar
MASTERTECHTIM
  • CERTIFIED EXPERT
  • 4,750 POSTS
do you have power coming out of heqadlight switch? possible bad headlight switch
Jan 3, 2020 at 6:46 PM (Merged)
Avatar
BFULFORD
  • MEMBER
  • 2 POSTS
OK, Tried headlight switch(good), replaced headlight switch anyway-no dice. I am at a complete loss with this problem. A guy told me he thought it might be the dimmer switch, but with the brights working is that possible? Again checked voltage to low beams-nothing(high beams fine). Only thing I know to do is start unwrapping wires and see what I can see.
If you think of anything, please let me know
Thanks
Jan 3, 2020 at 6:46 PM (Merged)
Avatar
CAZADOR505
  • MEMBER
  • 3 POSTS
Electrical problem V8 Four Wheel Drive Manual 210000 miles i been chasing a volt problem since noon...maybe yall got some advise. i got park, brake and turn lights front and rear, and high beams but no low beam headlights...the fuses are all good, the bulbs are good. i though it might be a bad headlight switch so i ohmed the low beam bulb plug, it ohmed out so i think the switch is bad and shorting the ground so i disconnected the headlight switch and checked the plug again and its still ohmed out. now im thinking its a bad dimmer switch. i checked most everywhere for chaffed wires under the hood and at the headlights but its all good...i finally got the column apart and trying to disconnect the dimmer switch from its harness to again ohm check the plug but i cant figure out how it disconnect so i can here looking for advise or tips, or just a "hey dummy just do this and that and it will come loose". should i push in at area 1 and pull or pry back the fingers in area 2, and area 3 looks like it might do something.thanks for you help...


https://www.2carpros.com/forum/automotive_pictures/394249_95_GMC_SIERRA_DIMMER_SWITCH_069_1.jpg


https://www.2carpros.com/forum/automotive_pictures/394249_95_GMC_SIERRA_DIMMER_SWITCH_060_1.jpg


https://www.2carpros.com/forum/automotive_pictures/394249_95_GMC_SIERRA_DIMMER_SWITCH_002_1.jpg


https://www.2carpros.com/forum/automotive_pictures/394249_95_GMC_SIERRA_DIMMER_SWITCH_003_1.jpg


https://www.2carpros.com/forum/automotive_pictures/394249_95_GMC_SIERRA_DIMMER_SWITCH_061_1.jpg

Jan 3, 2020 at 6:46 PM (Merged)
Avatar
RACEFAN966
  • CERTIFIED EXPERT
  • 5,029 POSTS
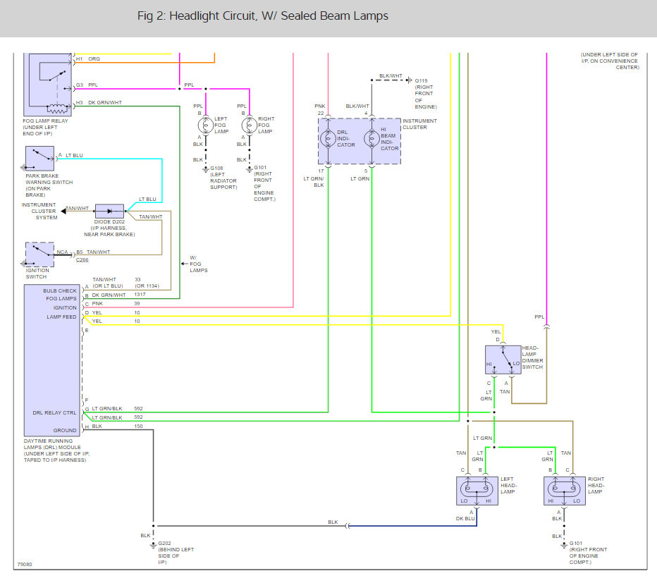
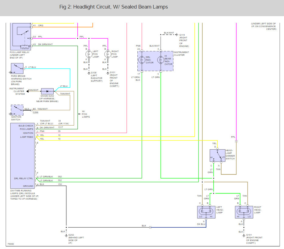
Okay so have you checked the dimmer switch? The dimmer is responsible for low beams or no low beams. How it is wired is from the headlight switch to the dimmer switch then to the lights. So if the dimmer switch is bad then you may have one beam and not the other.

Here is a wiring diagram (below) that will help you do some testing to see what the problem is.

https://www.2carpros.com/articles/how-to-use-a-test-light-circuit-tester

Please run some tests and get back to us we are interested to see what it is.

Cheers,
Jan 3, 2020 at 6:46 PM (Merged)
Avatar
CAZADOR505
  • MEMBER
  • 3 POSTS
Yes I have tested the switch and it is bad, have not discovered the secret to disconnecting it...that was part of my question to you....how do i disconnect the dimmer switch so i can see if the light socket still omhs out??? i the plug doesn't ohm out with the switch disconnected then yea its a ba switch....but i need to know before i go buy a 200 plus dollar multi function switch that may or may not be the problem....if the switch checks to be good then i have a chaffed wire somewhere on the headlight harness...right???? thanks
Jan 3, 2020 at 6:46 PM (Merged)
Avatar
RACEFAN966
  • CERTIFIED EXPERT
  • 5,029 POSTS
Ok as far as the DRL's I never ASSUME anything as many people figure you should just know what they have with never seeing there vehicle so I have learned just ask. No need to get short with me. As far as the unpluging of it, I am going by what I see and how it looks like it should be I don't work on only one type of car I work on many with many different problems so sometimes I must go by memory or what it looks like it should do. After looking at the switch online I see that it doesn't unplug up there at all. You need to follow the wire harness down the column and you will find two connectors that you unplug so my bad I should have checked this the first time I was just going by what I was seeing in the pics you included. So here is a pic of the switch and the connectors that you are looking for so you can do your test.


https://www.2carpros.com/forum/automotive_pictures/249564_396197_1.jpg

Here is the connectors


https://www.2carpros.com/forum/automotive_pictures/249564_500891_1.jpg

Jan 3, 2020 at 6:46 PM (Merged)
Avatar
CAZADOR505
  • MEMBER
  • 3 POSTS
i did find a broken tan wire right where it goes into the multi function switch...im going to replace the switch so im in the process of following the harness down the column to unplug it from its harness....also i have now removed the T-25 torx screw from the top of the MFS and it has not loose up anywhere? do i have to remove the steering wheel and if so any special things to know since it has a driver side air bag?
thanks
Jan 3, 2020 at 6:46 PM (Merged)
Avatar
STRAILER
  • CERTIFIED EXPERT
  • 53,854 POSTS
Hello,

Yes you must remove the steering wheel to change the switch here is some diagrams to help (below) and some guide that might help.

https://www.2carpros.com/articles/air-bag-removal-steering-wheel

and

https://www.2carpros.com/articles/steering-wheel-removal

Please let us know if you need anything else to get the problem fixed.

Cheers, Ken
Jan 3, 2020 at 6:46 PM (Merged)
Avatar
NNGLENN
  • MEMBER
  • 2 POSTS
The low beams work fine,when i turn on the high beams they come on an the low beams go out . Shouldn't all four be on? I put a new Muilty switch in a year ago but that was because the 4way button got brock off when they stold my radio.
Jan 3, 2020 at 6:47 PM (Merged)
Avatar
2CARPRO JACK
  • CERTIFIED EXPERT
  • 11,533 POSTS
Nope, that is the way they work. You can buy an aftermarket relay and wiring kit that makes all lights come on when hi-beams are on
Jan 3, 2020 at 6:47 PM (Merged)