What can I do to problem solve to fix my proximity sensor on my car

2005 FORD FREESTYLE
50,000 MILES
Avatar
BRENDALARSEN
  • MEMBER
  • 1 POST
It does not beep anymore and the light stays on, showing it is off. My reverse sensor used to work in my car, then one day the light turned on, which shows it is off, and it has never returned. I cleaned the sensors in the back of the car...even if I push the button, which should turn it on, it stays off!! i like the beeping to show me if I am close to something
Jul 18, 2012 at 6:12 PM
Advertisement
Avatar
STRAILER
  • CERTIFIED EXPERT
  • 53,854 POSTS
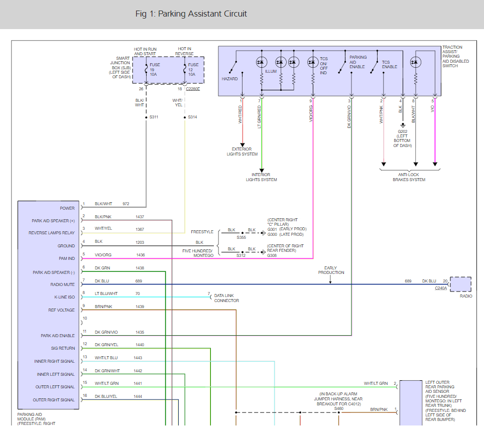
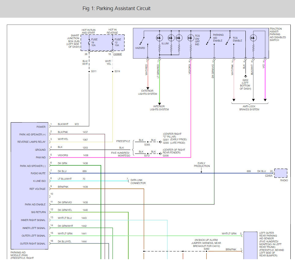
Start by checking the #13 and #19 fuses they power up the rear proximity sensor. Here is a guide and some diagrams (Below) to help you get the problem fixed.

https://www.2carpros.com/articles/how-to-check-a-car-fuse

If the fuses are okay then please check for power and ground at the controller. If it has both then I would replace the

Please let us know what you find.

Cheers, Ken
Sep 27, 2017 at 2:47 PM