Fuel gauge acts sporadically

2005 FORD FREESTYLE
92,000 MILES
Avatar
ANONYMOUS
  • MEMBER
  • 1 POST
fuel gauge acts sporadically after a certified mechanic did the replaceupgrade on the fuel level sensor kit. the fuel guage acts differently but still doest work correctly after the repair
Dec 24, 2012 at 9:46 PM
Advertisement
Avatar
KASEKENNY
  • CERTIFIED EXPERT
  • 18,907 POSTS
If the replacement of the sensor, make it act differently but not correctly then more than likely you have another faulty sensor that is just doing something different.

However, we will want to check this by checking the voltage that is coming from the sensor.

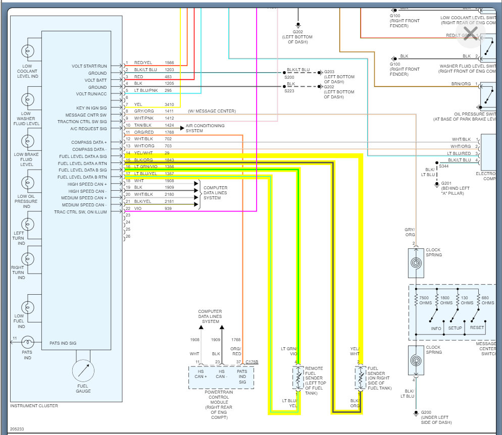
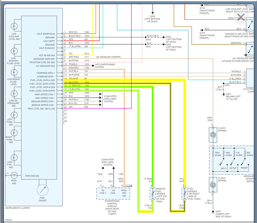
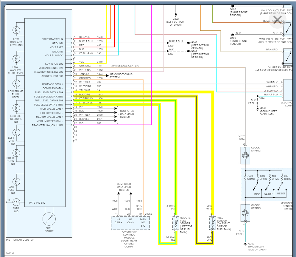
Your vehicle is actually equipped with a remote sensor which should be on top of the tank.

Basically, this is the same operation as one that is in the tank, but they just put it on top of it and run wires into the pump and monitor the position of the arm with a float on the end through a potentiometer.

Here is a guide that will help with monitoring the voltage:

https://www.2carpros.com/articles/how-to-check-wiring

Please run through this and if the voltage does not move slowly and evenly when you are filling the tank then the sensor is faulty.

Let me know what you find. Thanks
Dec 4, 2021 at 1:26 PM