No power on ECU?

2005 TOYOTA ECHO
271 MILES • 1.5L • 4 CYL • 2WD • MANUAL
Avatar
ALAIN.
  • MEMBER
  • 8 POSTS
Hi, sorry for my English writing, ignition switch on, no check engine light, wont crank, oil, seat belt lights are on, airbag light on after 5 seconds, no signal on obd2 plug with scanner, error mess on it, cleaning 4 ground in the hood, 2 on head, no blow fuse, relay EFI test okay. It is so hard to find.
Dec 28, 2022 at 3:06 PM
Advertisement
Avatar
JACOBANDNICKOLAS
  • CERTIFIED EXPERT
  • 110,175 POSTS
Hi,

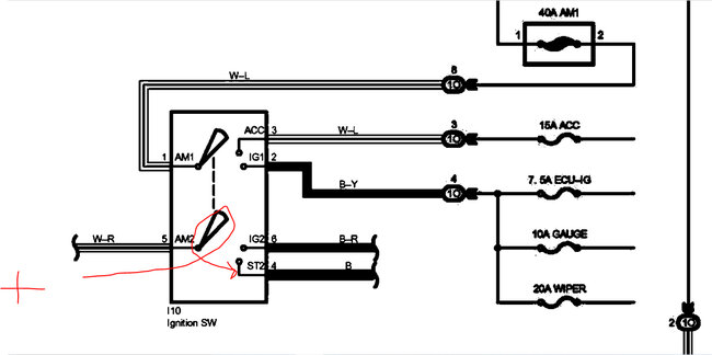
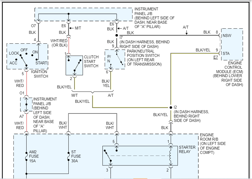
If you look below, I attached the wiring schematic for the starter circuit. What I need you to do is this. First, confirm the starter fuse is good and has power to and from it.

The fuse is located under the hood in the power distribution box. When you check it, it is important to confirm power to and from it.

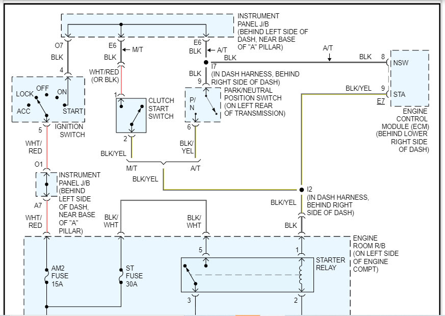
Next, make sure the clutch safety switch is working. There will be a black wire with a yellow tracer at the clutch switch. With the clutch pedal depressed, check that wire for power when the key is in the start position.

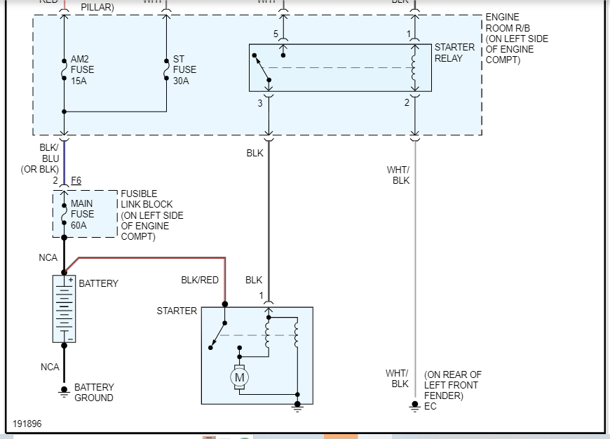
If that is good, I need you to go to the starter motor. At the starter motor, there is a heavy gauge black wire with a red tracer. That is direct from the battery and has power at all times. There will be a smaller gauge wire that is black. I need you to check if the smaller gauge wire gets power when the key is in the start position. You will need a helper for this.

Lastly, I need you to check pin 16 in the data link connector for power. If there is no power, check the 7.5 amp OBD fuse in the fuse box in the vehicle. See pic 5.

Let me know what you find

Take care,

Joe

See pics below.
Dec 28, 2022 at 11:02 PM
Avatar
ALAIN.
  • MEMBER
  • 8 POSTS
okay first, i need to do more test, second, the clutch switch was defect and only made a bypass and all working good before, today i check all info's and will be back after.
Dec 29, 2022 at 4:31 AM
Advertisement
Avatar
ALAIN.
  • MEMBER
  • 8 POSTS
important fact, check engine light not illuminated when i turn the ignition switch on...
Dec 29, 2022 at 5:04 AM
Avatar
ALAIN.
  • MEMBER
  • 8 POSTS
Okay, no b+ power on clutch switch wire black and yellow, don't find any burn fuses, 30 amp start fuse ok, pin 16 ok, it happens because my bypass on clutch switch touch frame, i don't find where its burn.... starter turn with a jumper on blk/y connected to b+...
Dec 29, 2022 at 1:49 PM
Avatar
ALAIN.
  • MEMBER
  • 8 POSTS
all 7.5 amp fuses obd okay, efi 15 amp too.
Dec 29, 2022 at 1:52 PM
Avatar
JACOBANDNICKOLAS
  • CERTIFIED EXPERT
  • 110,175 POSTS
Hi,

The black/yellow wire on the switch is power out after the clutch is depressed. There should be another wire. According to the schematic, it will either be red with a white tracer or black. With the key in the start position, does that wire get power? If it doesn't, that is an issue because that comes from the ignition switch.

Let me know if that has power with the key in the start position.

Joe
Dec 29, 2022 at 9:01 PM
Avatar
ALAIN.
  • MEMBER
  • 8 POSTS
that's what i think too, test today.
Dec 30, 2022 at 4:18 AM
Avatar
ALAIN.
  • MEMBER
  • 8 POSTS
okay, new ignition switch, no power on clutch switch.
Dec 30, 2022 at 2:39 PM
Avatar
JACOBANDNICKOLAS
  • CERTIFIED EXPERT
  • 110,175 POSTS
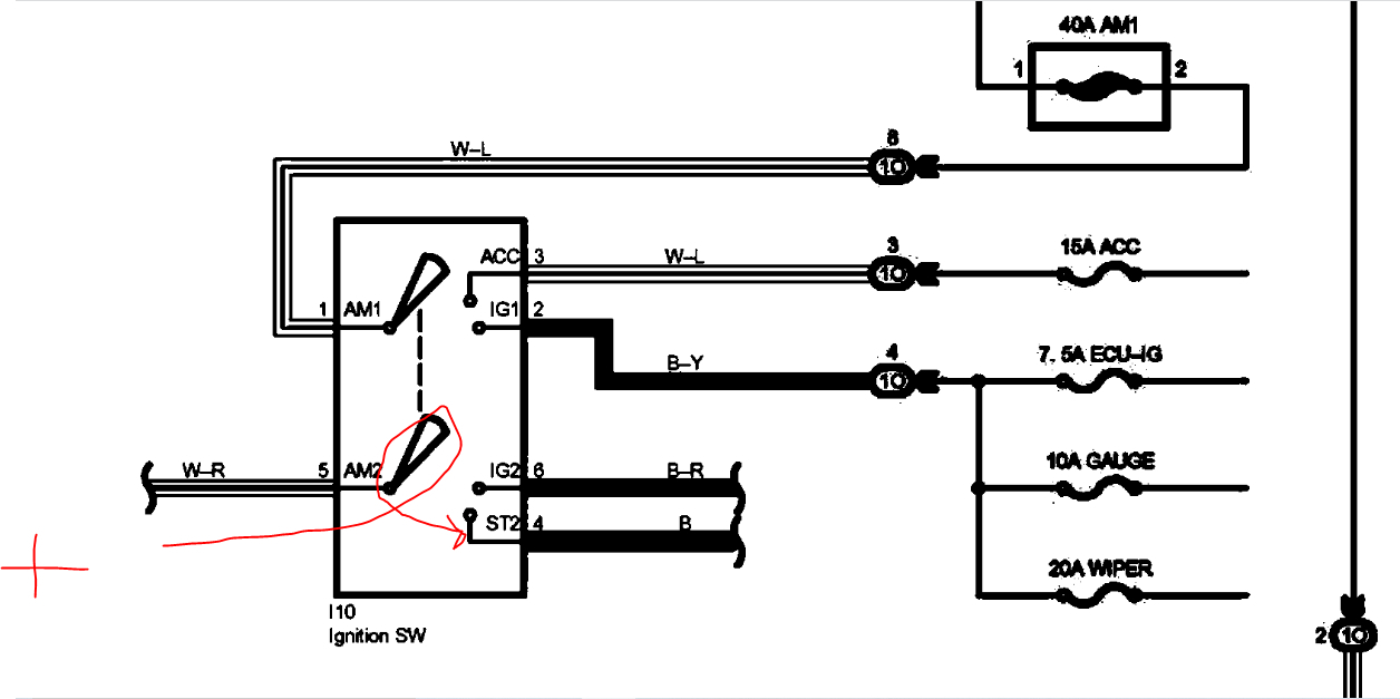
Is the AM 2 fuse good and have power to and from it?

https://www.2carpros.com/articles/how-to-check-a-car-fuse

Also, is there power from the black wire from the switch?

Let me know.

joe
Dec 30, 2022 at 11:10 PM
Avatar
ALAIN.
  • MEMBER
  • 8 POSTS
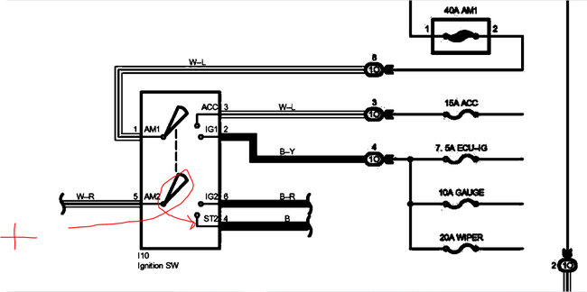
no power from the ignition switch to the clutch switch black wire, am2 good, it seems wire cut between switch and clutch switch and always no power on check engine light when the key is on. Can you show me the wire diagram of the ignition switch? Is there any relay i can test? Here this morning big winter raining, it is impossible for me to check my car outside. Happy new year and big thanks to you.
Dec 31, 2022 at 4:44 AM
Avatar
JACOBANDNICKOLAS
  • CERTIFIED EXPERT
  • 110,175 POSTS
Hi,

Did you confirm there is no power to the black wire right at the switch itself? If there is, then we have an open between the ignition switch and the safety switch. If there isn't power at the switch.

At the switch, do you have power from the white/red wire from the AM2 fuse? If you do, turn the key to the start position and check the black wire for power.

Let me know exactly what you find

Joe

See pic below.
Dec 31, 2022 at 2:59 PM