Cigarette lighter not working

2005 DODGE STRATUS
165,000 MILES • 4 CYL • 2WD • AUTOMATIC
Avatar
JRGODON
  • MEMBER
  • 1 POST
The lighter does not work and would like to use it for charging my phone. Is there a fuse located somewhere? Looked at the fuses and the cover listing all of them and did not see lighter on there. I love this site.
Jul 9, 2015 at 11:11 AM
Advertisement
Avatar
STRAILER
  • CERTIFIED EXPERT
  • 53,855 POSTS
It sounds like fuse number 2 or 8 is out. Here is a guide and some fuse panel diagrams to help you check it out and get it working again:

https://www.2carpros.com/articles/how-to-check-a-car-fuse

(Check out the diagrams below) You can save this page and always have it for your fuses. :) Please let us know what happens.
Nov 8, 2017 at 7:04 PM
Avatar
ONEWAY2H7
  • MEMBER
  • 1 POST
My power outlet stopped working, it is not the fuse. How do i fix it?
Sep 22, 2018 at 1:12 PM (Merged)
Advertisement
Avatar
BMRFIXIT
  • CERTIFIED EXPERT
  • 19,053 POSTS
Hello,

There is a fuse #2 under the hood that needs to be checked. Here is a guide to help you and the fuse location with the wiring diagrams for the lighter so you can see how it works:

https://www.2carpros.com/articles/how-to-check-a-car-fuse

Check out the diagrams (below). Please let us know if you need anything else to get the problem fixed.

Cheers
Sep 22, 2018 at 1:12 PM (Merged)
Avatar
YOYI69
  • MEMBER
  • 1 POST
Thanks for this post. I had this problem it was the fuse. :) I Love this site.
Sep 22, 2018 at 1:12 PM (Merged)
Avatar
DONALD TABER
  • MEMBER
  • 1 POST
How do I remove the cigar and replace it with a new one?
Sep 22, 2018 at 1:12 PM (Merged)
Avatar
JDL
  • CERTIFIED EXPERT
  • 16,098 POSTS
Welcome, are you sure it is not just the heating element? Did you check the wiring circuit to the lighter? As far as removing the socket, I would have to get at the backside of dash, see what is holding it.
Sep 22, 2018 at 1:12 PM (Merged)
Avatar
JAYDAWG
  • MEMBER
  • 1 POST
Cigarette lighter location.
Sep 22, 2018 at 1:12 PM (Merged)
Avatar
JACOBANDNICKOLAS
  • CERTIFIED EXPERT
  • 110,175 POSTS
Under the HVAC control panel (in front of the shifter).
Sep 22, 2018 at 1:12 PM (Merged)
Avatar
DODGE2FUR
  • MEMBER
  • 6 POSTS
I was using a portable compressor to fill tires when center console power outlet quit (should have been okay for rated compressor load). I located cigarette lighter fuse but okay. Power to one side of fuse but no continuity to outlet center. Any thoughts? How does one get to back side on a 2004 stratus RT? Power outlet in console is ok - this is the cigarette lighter which is switched with ignition (yes, I tested with ignition switch on. :) Any wiring schematics? Thanks.
Jun 19, 2020 at 11:36 AM (Merged)
Avatar
CARADIODOC
  • CERTIFIED EXPERT
  • 34,306 POSTS
If you have 12 volts to only one side of fuse 2, it is blown, even though it may not look like it.

The problem is likely not your compressor. Unlike power outlets, cigarette lighter outlets have a different type of terminal inside that includes a high-temperature safety cutout. Very often the terminal on the side of the plug shorts the socket's terminal to ground. You can verify that by observing the compressor works at times, but the fuse will blow if you slowly rotate the plug in the socket.

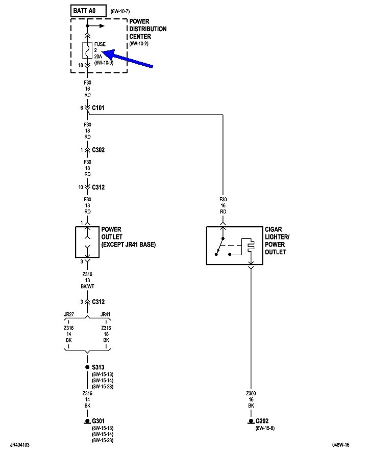
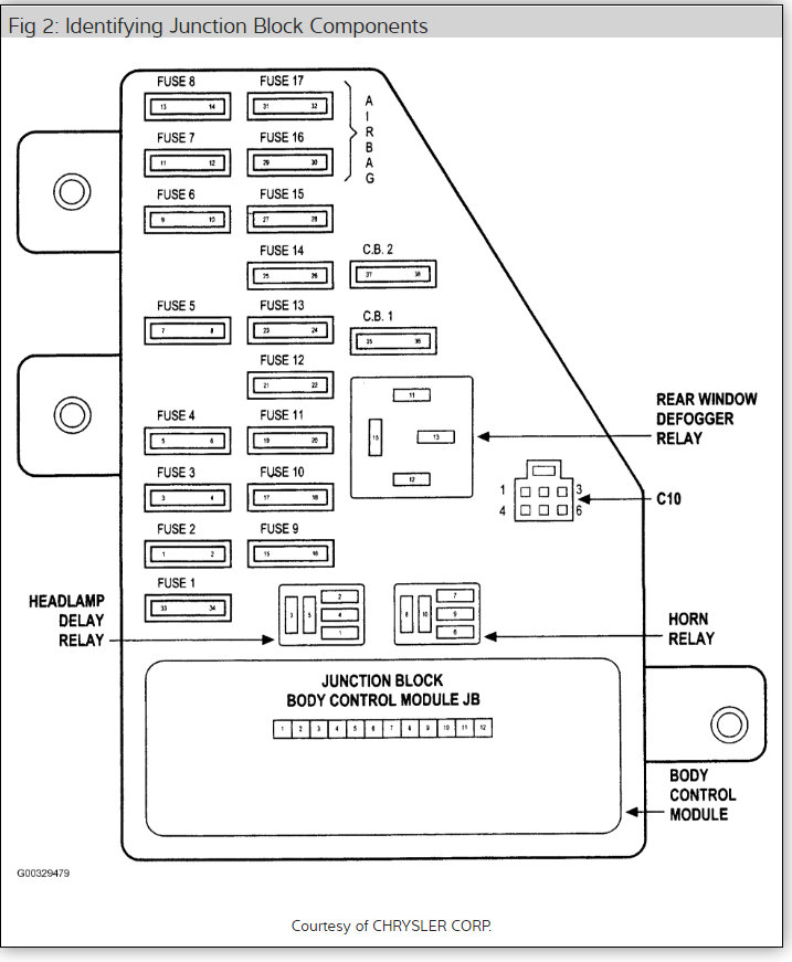
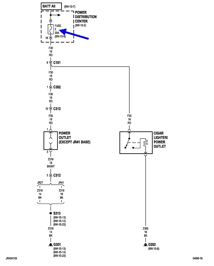
The service manual shows two different Power Distribution Center layouts shown in the second and fourth drawings. Use the one that matches what is on your car.
Jun 19, 2020 at 11:36 AM (Merged)
Avatar
DODGE2FUR
  • MEMBER
  • 6 POSTS
First, Thanks CARADIODOC, but I might have thrown you a curve and you might have the wrong model in mind. When I said there was voltage on one side of the fuse (when the ignition is "on") that was without the fuse in the socket. One side is hot and the other, I assume goes to the power outlet, which didn't have continuity with the center pin of the outlet. I've seen the suggestion for fuse #2 elsewhere and I think that is another model of the Stratus. Mine is the 2 door RT and I'm attaching the fuse block photos and fuse tables for it. It's looking like something happened between the block and the outlet (quit while the mini inflator was running and dead ever since). One other thing I noticed was my radio which is on another circuit required a reboot after this happened (which it does if power is interrupted). I'm thinking the inflator motor seized which might have popped something though it should have been a fuse?? Anyway, would appreciate your thoughts.
Jun 19, 2020 at 11:36 AM (Merged)
Avatar
CARADIODOC
  • CERTIFIED EXPERT
  • 34,306 POSTS
I found a reference to an ash tray light, but I can't find a cigarette lighter socket in the diagrams. Is it possible you're looking at a power outlet? They look the same as a cigarette lighter socket but they have different types of contacts, and no over-temperature safety cut outs.

If this is a power outlet, there should be a rear one too. See if that one works. They're on two different circuits that start from a common point. Note that fuse 23 under the hood is listed as "Audio".

I see your drawing shows fuse 16 for the cigarette lighter. I'm still looking for that diagram. I'll post it when I find it.
Jun 19, 2020 at 11:36 AM (Merged)
Avatar
DODGE2FUR
  • MEMBER
  • 6 POSTS
This sheds some light on things and makes sense since I do have a "rear" power outlet in the console under the hatch cover. It's on all the time so that agrees with your wiring diagram. My Stratus is key-less so it could be that the other outlet I presumed to be a cigarette lighter outlet (has the little plug that goes in it just like the old lighter but no actual lighter) is the front power outlet and the radio works because it takes off in front of the outlet fuse. In that case I'll take a closer look at fuse #23 and possibly the relay C-306 if I can determine which one it is (about 5 in passenger fuse block, and 7 or more in the engine compartment). Maybe #23 is it. Since it's labeled "audio" I might have overlooked it but I think I checked each and every fuse in the passenger compartment block (will check #23 again for sure). Being a 10A fuse, that corresponds to the 120W rating of the "front power outlet" now that I can assume it's not a cigarette lighter outlet. Will let you know what I find. (I was wondering where the second "power outlet" was prior to this, but now I'm thinking no cigarette lighter exists and as you said, these are just two power outlets.) Thanks.
Jun 19, 2020 at 11:36 AM (Merged)
Avatar
CARADIODOC
  • CERTIFIED EXPERT
  • 34,306 POSTS
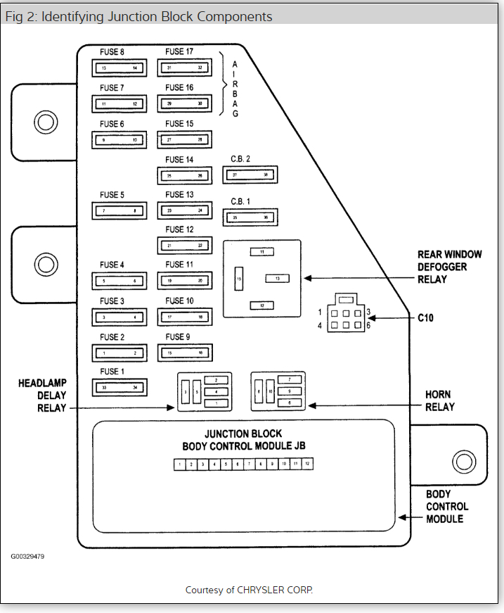
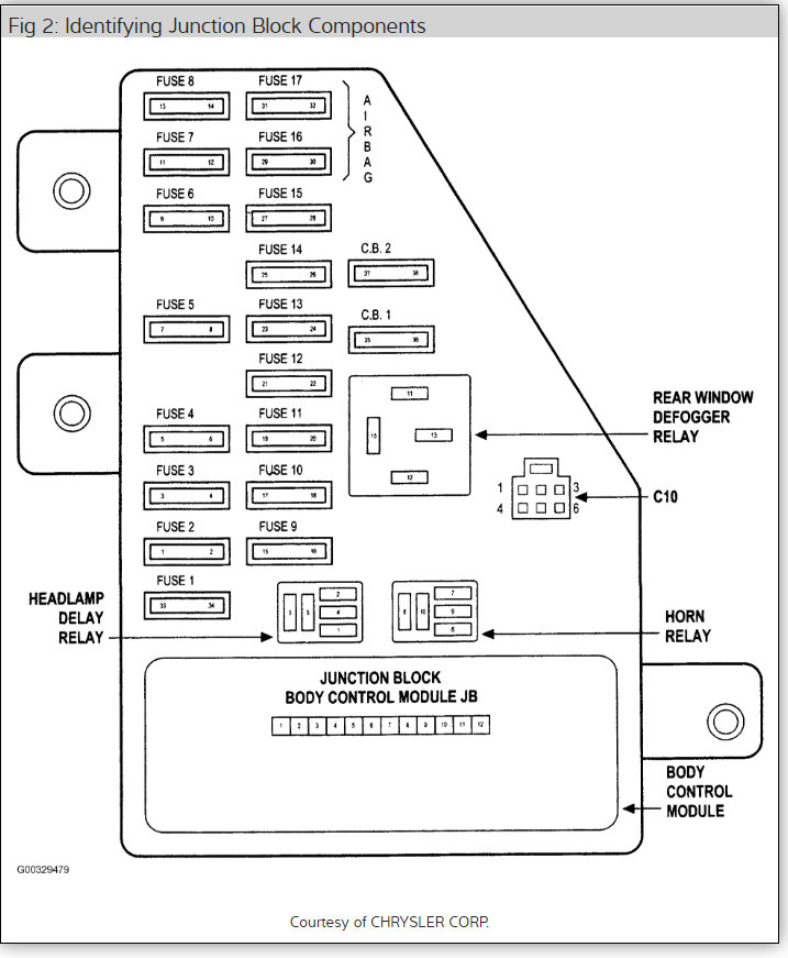
Of course it's the one drawing I didn't include. This one shows the junction block, which is the fuse box inside the car.
Jun 19, 2020 at 11:36 AM (Merged)
Avatar
DODGE2FUR
  • MEMBER
  • 6 POSTS
You had me real happy with your last reply. It turns out that fuse #23 was in a small pop-up holder with another fuse and when I tested the fuses in that block, I couldn't figure out how to get it out so I skipped it. I was really excited and figured it was the issue for sure but when I got it out this time (had to pop up the yellow outside pop-up before it could be removed), it tested fine. Now it appears to be either the power socket relay or wiring (thanks to your previous diagram, it's pretty clear). I was wondering which relay to go after, so your last fuse block diagram is a saver. The only problem is that a dash strut goes right across the top of the group of relays which include the outlet relay so I'll have to figure a way to be able to pull that relay for checking. If it tests okay, then I guess it's into the center console where the outlet is located. Your diagrams are great and have really been helpful - many thanks. Will let you know how I come out.
Jun 19, 2020 at 11:36 AM (Merged)
Avatar
CARADIODOC
  • CERTIFIED EXPERT
  • 34,306 POSTS
Those two fuses in the yellow holder are actually for the air bag system, but they are also used for the "ignition off-draw", (IOD) circuit. Every connector related to the air bag is bright yellow. Ignition off-draw is the memory circuits for the multiple computers. The holder they're in is supposed to make it easy to identify and easy to pull out for when the vehicle is in storage. When that is not done, a good, fully-charged battery can only be guaranteed to start the engine after sitting for three weeks. Only enough systems will work that allow the delivery driver to drive the vehicle onto the carrier. Be aware some of those systems are dead, then only work while the engine is running. A good example of that used to be the power mirrors.
Jun 19, 2020 at 11:36 AM (Merged)