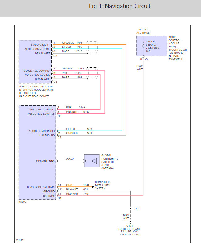
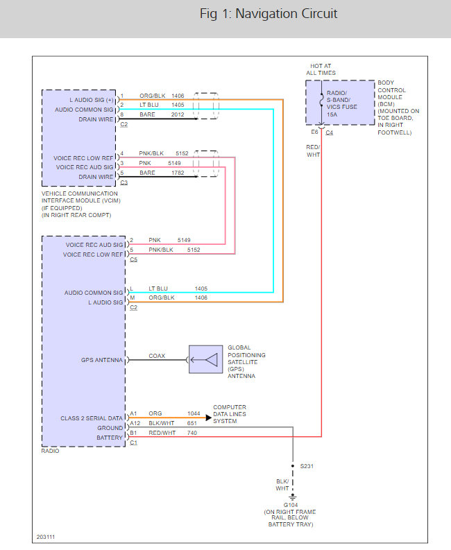
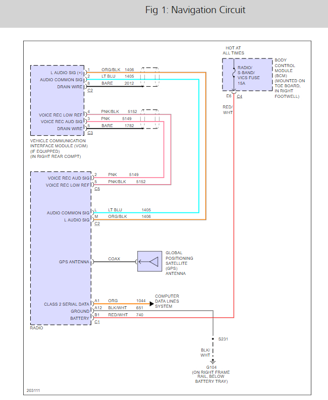
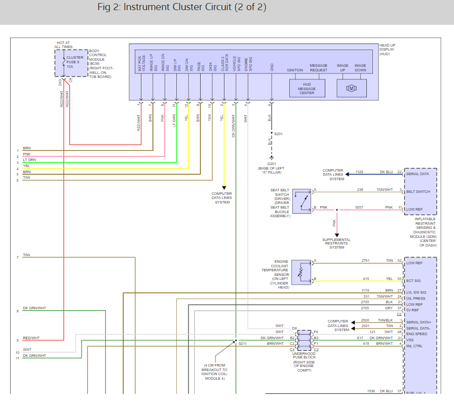
Hi, I had the Navi radio out to install a GM PAL adapter. After installing the clock in the radio is blank. I have read it may need a firmware update or does it take a few hours of driving for the clock to sync? The display comes on fine, When you first start up in nav mode it displays the no GPS flag which goes away in a few miles. I have also taken the PAL unit back out no difference. All functions work except the clock. The Pal adapter GM part 17800593 is a GM kit made for the C6 Corvette. On the Corvette forum more than five people are having the same problem. I took the Nav head out carefully and reinstalled carefully. All of the others say all they did was disconnect the battery. I am wondering if the Nav head has a battery inside that has gone bad? Please help.
Dec 18, 2018 at 9:54 PM





















