headlights

2005 CHRYSLER TOWN AND COUNTRY
124,677 MILES • 6 CYL • FWD • AUTOMATIC
Avatar
MRR3061
  • MEMBER
  • 2 POSTS
head lights won't turn off with switch
Feb 7, 2011 at 4:18 AM
Advertisement
Avatar
JCNINJA636
  • MEMBER
  • 26 POSTS
Check your bulbs first. Do any lights turn on when you turn the headlight switch on (like tail lights or parking lights?
Feb 8, 2011 at 12:44 AM
Avatar
MRR3061
  • MEMBER
  • 2 POSTS
Headlights and taillights come on when I open door then shuts off after few min when I leave the vehicle the switch has no effect on the lights anymore
Feb 8, 2011 at 1:00 AM
Advertisement
Avatar
JCNINJA636
  • MEMBER
  • 26 POSTS
Sounds like it could possibly be a failing headlight switch. But first check all your fuses to assure your fuses are good.
If memory serves me you have a switch on your left multifunction (mux) switch.
It is possible for those switches to fail.
If you headlight switch is your left mux switch, you can test it by: starting the car, turn on the headlights and check if the dash lights-up. If the dash does not illuminate then the switch is likely faulty. Also while the engine is on, leave the headlights in the on position, and pull the mux switch to engage the high-beams.. if your high-beams work then your mux switch is likely failed.
If you have a separate headlight switch on the dash left of the instrument panel then: start the car, turn on the headlights and check if the dash lights-up. Also again try to turn on the high-beams. If the dash does not illuminate and the high-beams work then the switch is likely faulty.

Both parts are easy enough to replace, and the mux switch is repairable (but you have to know what you are doing).
Either of the parts are available at parts stores and can also be found at junkyards. They require no programming to install either.
Let me know if this was helpful, or if you need any more assistance.


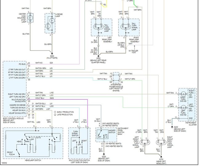
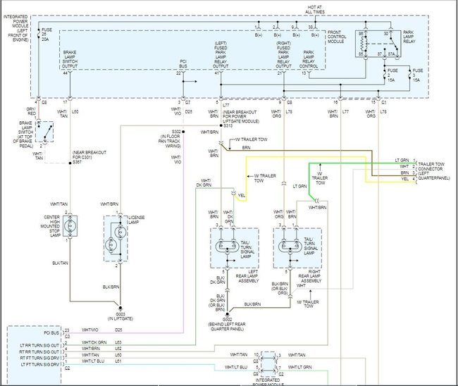
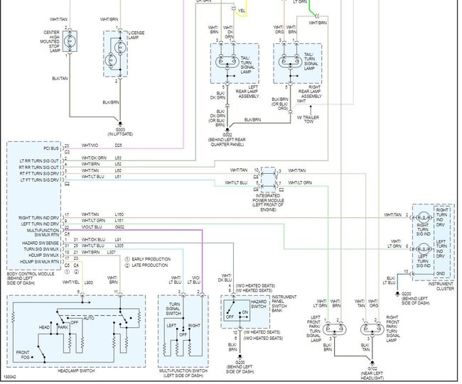
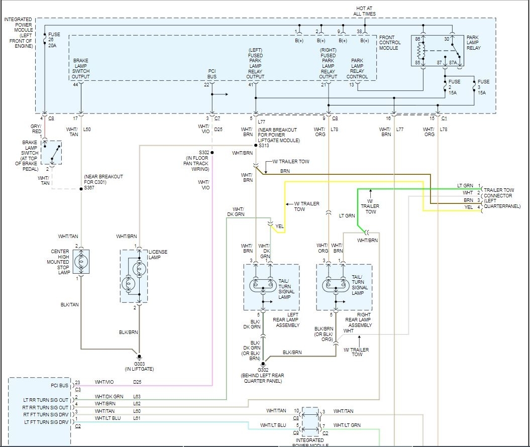
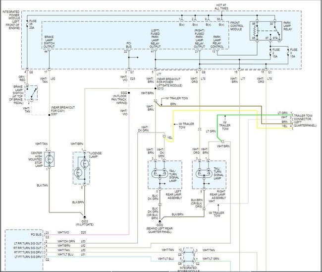
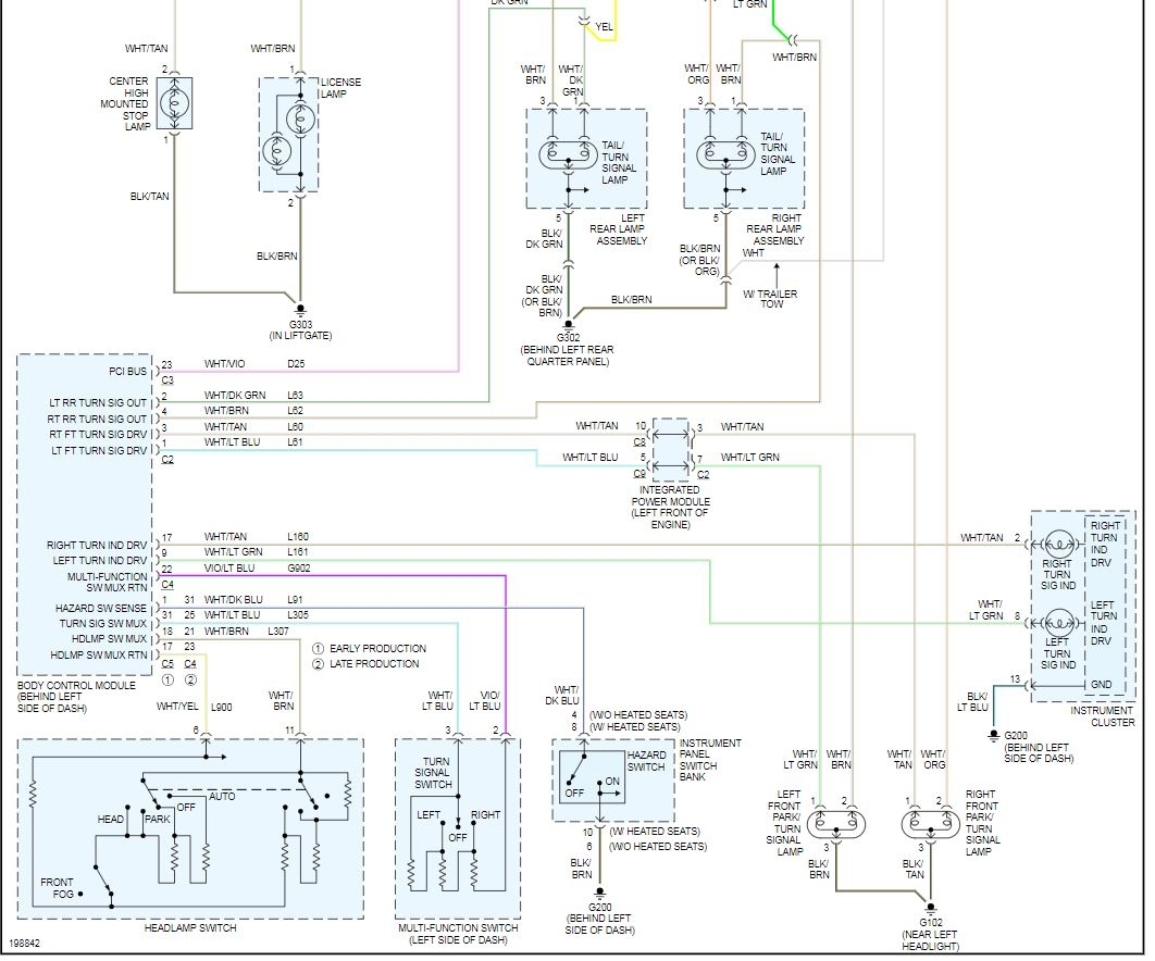
Attached below is the wiring diagram for your exterior lights
Feb 8, 2011 at 4:40 AM
Avatar
BON
  • MEMBER
  • 1 POST
not working head lights but high beam is OK
Feb 4, 2019 at 6:20 PM (Merged)
Avatar
FIXITMR
  • CERTIFIED EXPERT
  • 9,990 POSTS
so you put on high and nothing happens? how do you know high is ok?
Feb 4, 2019 at 6:20 PM (Merged)
Avatar
DJCL
  • CERTIFIED EXPERT
  • 767 POSTS
The head lights on this are computer controlled. Monitor the date on a scan tool. As the head light switch moves from park to heat light see if the computer reeds all modes along with hi and low switching
Feb 4, 2019 at 6:20 PM (Merged)
Avatar
HERMAN23
  • MEMBER
  • 1 POST
When I pull the high beam light switch stalk towards me to turn on the high beams, the high beams come on. However, when I release the stalk they turn back off. If I repeat seveal times, eventually, they will stay on and the switch appears to work correctly for the rest of the drive (turning the high beams on and off). Next time I start the car I have the same trouble. Do I have to replace the entire switch assembly?
Feb 4, 2019 at 6:20 PM (Merged)
Avatar
CH112063
  • CERTIFIED EXPERT
  • 1,320 POSTS
It is built into the multifunction switch and internal. They were always going bad. So sorry.
Feb 4, 2019 at 6:20 PM (Merged)
Avatar
REV.LUCKETT
  • MEMBER
  • 3 POSTS
I have a 2000 town and country lxi. The lights on the dashboard are dim. When I turn up the dimmer switch, the interior lights come on. The dealer where I bought it from sent the van to the chrysler dealer and had the bcm and pcm tested. They both tested fine. Any reason on why I cant turn up the dimmer switch and the dashboard illuminates better? Also the doors are supposed to lock automatically when I reach 9 mph but it doesn't do that either. I think these problems are related.
Feb 4, 2019 at 6:20 PM (Merged)
Avatar
DOCFIXIT
  • CERTIFIED EXPERT
  • 18,828 POSTS
Both controled byBCM so maybe the test was flawed
Feb 4, 2019 at 6:20 PM (Merged)
Avatar
JSARANGA
  • MEMBER
  • 4 POSTS
Why are my new headlights so dim?
Feb 4, 2019 at 6:21 PM (Merged)
Avatar
MHPAUTOS
  • CERTIFIED EXPERT
  • 31,937 POSTS
what work was done?

mark (mhpautos)
Feb 4, 2019 at 6:21 PM (Merged)
Avatar
JSARANGA
  • MEMBER
  • 4 POSTS
After one headlight burned out I replaced both headlights. Now at night I can barely see the road in front of me.
Feb 4, 2019 at 6:21 PM (Merged)
Avatar
MHPAUTOS
  • CERTIFIED EXPERT
  • 31,937 POSTS
Check that you have installed the correct voltage lights, this can be an easy mix up.

mark (mhpautos)
Feb 4, 2019 at 6:21 PM (Merged)
Avatar
JSARANGA
  • MEMBER
  • 4 POSTS
I thought all bulbs were 12 volts but might have different wattage ratings. I checked the packaging and they are the correct bulbs for my car.
Feb 4, 2019 at 6:21 PM (Merged)
Avatar
MHPAUTOS
  • CERTIFIED EXPERT
  • 31,937 POSTS
Just make sure that they are no 24 volt globes as well.

mark (mhpautos)
Feb 4, 2019 at 6:21 PM (Merged)
Avatar
JSARANGA
  • MEMBER
  • 4 POSTS
They are not.
Feb 4, 2019 at 6:21 PM (Merged)