The front blower stopped working?

2005 CHEVROLET TAHOE
190,000 MILES • 5.3L • V8 • 2WD • AUTOMATIC
Avatar
TSCOTT5
  • MEMBER
  • 11 POSTS
The rear works fine, the compressor is working (because cold air comes through the front at highway speeds and the back works). Have replaced the blower and resistor. The blower just does not turn on at all. The fuses I have checked are all fine but may have missed some. I would love to know what all fuses/relays to check and next steps.
Nov 4, 2024 at 6:25 PM
Advertisement
Avatar
STRAILER
  • CERTIFIED EXPERT
  • 53,855 POSTS
Yep, we can help you, so the blower motor is not getting power or ground.

this guide will show you how to test for both:

https://www.2carpros.com/articles/how-to-test-an-automotive-hvac-system-blower-fan-motor-a-detailed

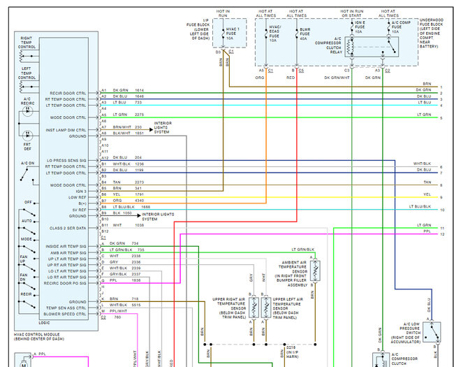
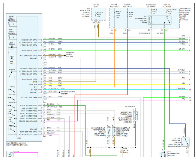
Here are the ground locations (G200 near the right kick panel) and the blower motor wiring diagrams so you can see how the system works. Make sure the blower fuse #40 is getting power in the under-hood fuse panel.

https://www.2carpros.com/articles/how-to-check-a-car-fuse

Check out the images (below). Please upload pictures or videos in your response of any problems so we can see what to help you with.


Nov 5, 2024 at 11:29 AM
Avatar
TSCOTT5
  • MEMBER
  • 11 POSTS
Found a loose connection in the resistor harness and now everything is working. Thanks!
Nov 8, 2024 at 12:11 PM
Advertisement
Avatar
STRAILER
  • CERTIFIED EXPERT
  • 53,855 POSTS
You are welcome, please use 2CarPros anytime we are here to help.
Nov 9, 2024 at 10:49 AM