tail lights are not working

2005 CHEVROLET UPLANDER
145,000 MILES
Avatar
ANONYMOUS
  • MEMBER
  • 1 POST
My tail lights are not working, i cant find a fuse that is specific for tail lights.
Nov 15, 2012 at 4:31 AM
Advertisement
Avatar
RASMATAZ
  • CERTIFIED EXPERT
  • 75,992 POSTS
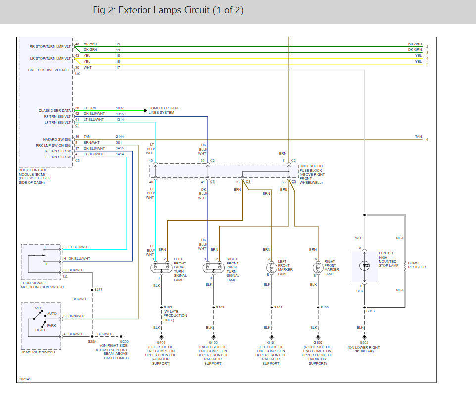
Check the park lamp fuse #20 10 amp and the park lamp relay. Here is a guide to help check the fuse and the wiring diagrams below so you can see how the system works with the fuse location as well.

https://www.2carpros.com/articles/how-to-check-a-car-fuse


Check out the diagrams (Below). Please let us know what you find. We are interested to see what it is.
Nov 15, 2012 at 5:20 AM
Avatar
FLESHBAZBO
  • MEMBER
  • 1 POST
Thanks , the owner's manual is 572 pages long and written poorly. It was the fuse.
Mar 8, 2013 at 11:18 PM
Advertisement