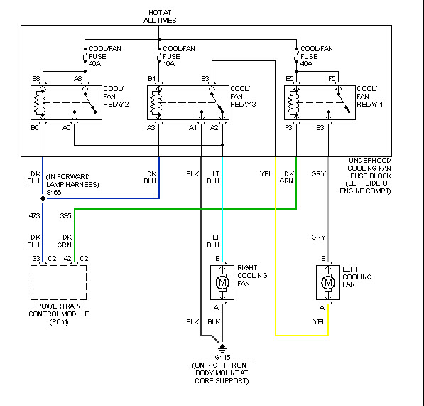
Our SUV is not turning on the engine cooling fans until well above 202 degrees, which is where the low speed fan turns on. We have an OBD2 reader (scan gauge) which tells us the engine temps. At low speeds, especially towing our pop up camper, the temp climbs up to 220F, and the fans do not turn on. The dashboard temperature gauge (analog) shows under 210, even when the scangauge shows 220. The first time we noticed the temperature above 220, we tried to turn on the A/C, but the A/C would not turn on (it just blinked on the button).
When we catch it and turn on the A/C, the fans will turn on and the engine temperature will come down. We tested the breakers, they all came up working. We pulled the temperature sensor while the engine was running, and the fans immediately kicked up to high. Frankly, my husband and I are stumped,I can't find good answers online (hard to search through all the forums), and we're not sure what to try next. Our transmission guy (we just had a transmission cooler installed to help with towing in the mountains) was the one who told us the fans should come on at 202 - he was stumped and suggested a memory wipe of the on board computer (about $150.00). we're hoping to find a less expensive solution. Would a new sensor help?
Thanks for any help or ideas.
When we catch it and turn on the A/C, the fans will turn on and the engine temperature will come down. We tested the breakers, they all came up working. We pulled the temperature sensor while the engine was running, and the fans immediately kicked up to high. Frankly, my husband and I are stumped,I can't find good answers online (hard to search through all the forums), and we're not sure what to try next. Our transmission guy (we just had a transmission cooler installed to help with towing in the mountains) was the one who told us the fans should come on at 202 - he was stumped and suggested a memory wipe of the on board computer (about $150.00). we're hoping to find a less expensive solution. Would a new sensor help?
Thanks for any help or ideas.
Sep 24, 2012 at 7:00 PM
